QQ登录

只需一步,快速开始

登录 | 注册 | 找回密码

三维网

 找回密码
 注册

QQ登录

只需一步,快速开始

展开

通知     

查看: 1319|回复: 8
收起左侧

[求助] 急!急!急!请问管路为什么会震动?

[复制链接]
发表于 2010-2-7 08:24:13 | 显示全部楼层 |阅读模式 来自: 中国河北唐山

马上注册,结识高手,享用更多资源,轻松玩转三维网社区。

您需要 登录 才可以下载或查看,没有帐号?注册

x
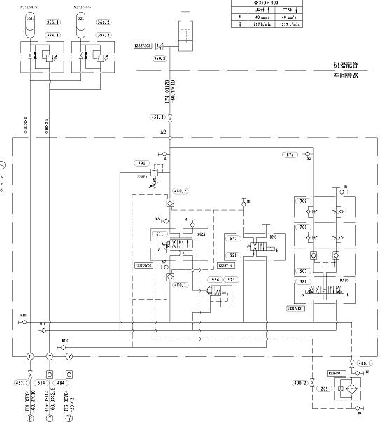
1.JPG $ r$ k6 |2 A+ o: a5 y
系统原理图如图,是一个柱塞缸,两个控制油路,一个是伺服控制,一个是普通换向节流控制。只有一根油管,回油靠自重。现在的现象是:用普通换向油路控制就很正常的升降,用伺服控制油路控制就会油路震动,上下都震动,哪位大侠帮忙解决一下,谢谢!!!!
发表于 2010-2-7 13:51:25 | 显示全部楼层 来自: 中国上海
你 这个油路是闭环控制吗?比例阀与上面的压力传感器构成压力闭环控制?还是比例阀只是节流控制?
发表于 2010-2-7 14:09:25 | 显示全部楼层 来自: 中国河南郑州
是不是你的伺服控制油路装配质量不好,在进油和回油是产生压力冲击,是管路产生共振。
发表于 2010-2-7 18:20:01 | 显示全部楼层 来自: 中国山东威海
个人感觉好像是两个液控单向阀时开时闭造成的,原因是两位四通换向阀泄漏造成的。
发表于 2010-2-7 20:15:55 | 显示全部楼层 来自: 中国河北保定
检查一下,伺服阀,看看伺服阀工作是否正常,不正常再说
发表于 2010-2-8 11:53:21 | 显示全部楼层 来自: 中国辽宁鞍山
将连接液压缸的硬管换成胶管缓冲振动
发表于 2010-2-8 13:01:56 | 显示全部楼层 来自: 中国上海
先查看下液控单向阀,及其控制油路6 B: m' n+ ?, M! [  y
再看看伺服阀
发表于 2010-2-9 08:38:46 | 显示全部楼层 来自: 中国山东威海
期待正确的结果,及维修经历。
发表于 2010-2-26 20:32:06 | 显示全部楼层 来自: 中国河北唐山
建议楼主调整PID参数。
发表回复
您需要登录后才可以回帖 登录 | 注册

本版积分规则


Licensed Copyright © 2016-2020 http://www.3dportal.cn/ All Rights Reserved 京 ICP备13008828号

小黑屋|手机版|Archiver|三维网 ( 京ICP备2023026364号-1 )

快速回复 返回顶部 返回列表