QQ登录

只需一步,快速开始

登录 | 注册 | 找回密码

三维网

 找回密码
 注册

QQ登录

只需一步,快速开始

展开

通知     

查看: 1912|回复: 9
收起左侧

[求助] 平衡阀的图纸

[复制链接]
发表于 2010-2-5 14:59:11 | 显示全部楼层 |阅读模式 来自: 中国上海

马上注册,结识高手,享用更多资源,轻松玩转三维网社区。

您需要 登录 才可以下载或查看,没有帐号?注册

x
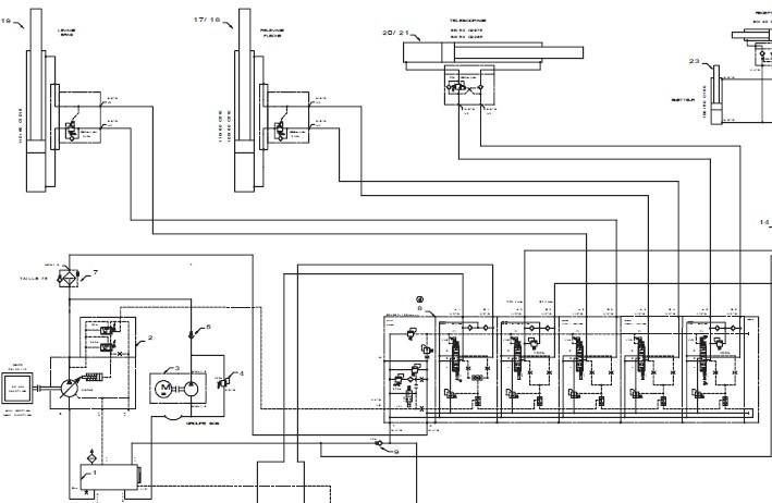
是那个左上角的第19号油缸,
HA16PX大臂液压图2.jpg
发表于 2010-2-6 07:53:46 | 显示全部楼层 来自: 中国江苏南通
你是要平衡阀图纸还是系统设计图啊
# o, W1 {& D. J4 t; i$ M
, ^! {0 v0 l7 U, d请明确你的意思?
 楼主| 发表于 2010-2-8 09:16:52 | 显示全部楼层 来自: 中国上海
不怪各位看不懂,我这图是给我发的《平衡阀的故障》再发的。因为我是游民只能在新发的求助上发图
发表于 2010-2-8 09:58:46 | 显示全部楼层 来自: 中国云南昆明
有备件的话,换个油缸吧。
头像被屏蔽
发表于 2010-2-9 10:54:24 | 显示全部楼层 来自: 中国广东深圳
提示: 作者被禁止或删除 内容自动屏蔽
头像被屏蔽
发表于 2010-2-9 10:56:08 | 显示全部楼层 来自: 中国广东深圳
提示: 作者被禁止或删除 内容自动屏蔽
 楼主| 发表于 2010-2-9 14:30:48 | 显示全部楼层 来自: 中国上海
各位好!这是我发的为《平衡阀的故障》说明的图纸。因为我是游民,在原贴上发不了图,只能重新发个,详细情况请看《平衡阀的故障》一文。还有个问题,这个网站的流量是怎么弄的,你们都那么多,我怎么还是0
头像被屏蔽
发表于 2010-2-9 14:57:00 | 显示全部楼层 来自: 中国广东深圳
提示: 作者被禁止或删除 内容自动屏蔽
发表于 2010-2-10 12:44:50 | 显示全部楼层 来自: 中国江苏无锡
换向阀是O型的,会不会是控制平衡阀的那一路压力泄不掉,一直顶在阀芯上面,使得油缸下腔泄油
 楼主| 发表于 2010-2-10 14:21:57 | 显示全部楼层 来自: 中国上海
换向阀是PVG32电磁比例阀,常通的,应该在停止的时候没什么压力的。
发表回复
您需要登录后才可以回帖 登录 | 注册

本版积分规则


Licensed Copyright © 2016-2020 http://www.3dportal.cn/ All Rights Reserved 京 ICP备13008828号

小黑屋|手机版|Archiver|三维网 ( 京ICP备2023026364号-1 )

快速回复 返回顶部 返回列表