QQ登录

只需一步,快速开始

登录 | 注册 | 找回密码

三维网

 找回密码
 注册

QQ登录

只需一步,快速开始

展开

通知     

查看: 1782|回复: 10
收起左侧

[求助] 请高手看力士乐A4VG油泵问题!!!

[复制链接]
发表于 2010-1-20 18:54:27 | 显示全部楼层 |阅读模式 来自: 中国上海

马上注册,结识高手,享用更多资源,轻松玩转三维网社区。

您需要 登录 才可以下载或查看,没有帐号?注册

x
本帖最后由 xjf308233932 于 2010-1-20 21:46 编辑 # ~" l" A& h! U8 K9 F

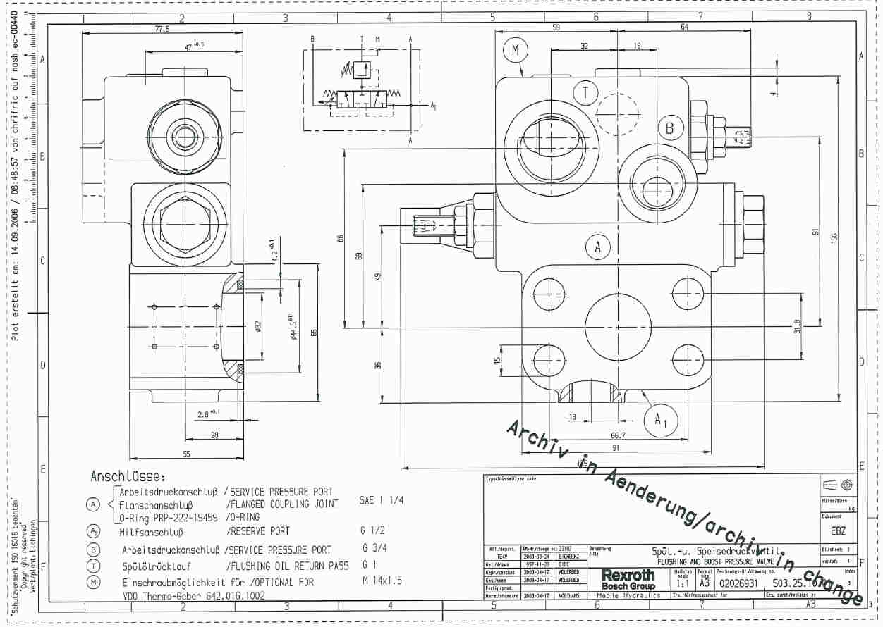
- y+ k, F6 ?; L一:请高手看哈  那个是力士乐A4VG油泵上的冲洗阀~~??
/ }6 A4 v! n4 M本人没见过这个泵!~ 请大家指点一下!~(也有人说是装在马达上的)& m" A2 }7 G2 v) [; C
二:这个闭式系统上的 冲洗阀 是不是力士乐原配的,能不能选择别的厂家的,他们的安装位置是固定死了的吗?
* b1 y  F4 h% \4 X6 w5 c希望了解这个闭式系统的人帮忙一哈,谢谢!!!
1.jpg
2.jpg
3.jpg
 楼主| 发表于 2010-1-20 19:45:31 | 显示全部楼层 来自: 中国上海
好像用在闭式系统上的
发表于 2010-1-21 09:31:32 | 显示全部楼层 来自: 中国北京
本帖最后由 zuozuo520 于 2010-1-21 09:38 编辑
6 Q: O% z/ j# [
# b4 x5 I! {" F9 i& n冲洗阀外观图
外观.JPG
安装位置.JPG
原配1.JPG
原配图2.JPG
撒奥冲洗阀.jpg
发表于 2010-1-21 09:42:16 | 显示全部楼层 来自: 中国北京
冲洗阀相关资料

冲洗阀资料

冲洗阀资料

冲洗阀资料2

冲洗阀资料2
发表于 2010-1-21 09:45:32 | 显示全部楼层 来自: 中国北京
冲洗阀单买有很多厂家,楼主可以单配
发表于 2010-1-21 10:02:57 | 显示全部楼层 来自: 中国北京
顺便说一下楼主的图里面没有冲洗阀
 楼主| 发表于 2010-1-21 18:28:08 | 显示全部楼层 来自: 中国上海
感谢你的回复,不但有图 而且 还有实物,太感谢了,这样的会员,你们管理员要嘉奖啊,好好提拔啊!~
 楼主| 发表于 2010-1-21 18:57:45 | 显示全部楼层 来自: 中国上海
是不是在这种闭式系统中,  我的冲洗阀随便安装在哪里,只要连接在系统的A、B口上就可以 了呢????
发表于 2010-1-21 22:50:56 | 显示全部楼层 来自: 中国北京
没错 安装在A、B口即可
发表于 2010-1-21 22:52:17 | 显示全部楼层 来自: 中国北京
不用提拔啥的 我只是知道你不知道的 帮助一下而已呵呵
 楼主| 发表于 2010-1-22 22:34:34 | 显示全部楼层 来自: 中国上海
感谢你的回复~~其实我们公司想仿造这种阀~~
发表回复
您需要登录后才可以回帖 登录 | 注册

本版积分规则


Licensed Copyright © 2016-2020 http://www.3dportal.cn/ All Rights Reserved 京 ICP备13008828号

小黑屋|手机版|Archiver|三维网 ( 京ICP备2023026364号-1 )

快速回复 返回顶部 返回列表