QQ登录

只需一步,快速开始

登录 | 注册 | 找回密码

三维网

 找回密码
 注册

QQ登录

只需一步,快速开始

展开

通知     

查看: 2653|回复: 20
收起左侧

[已解决] SW钣金造型时遇到的问题,请各位老师不吝指导。

[复制链接]
发表于 2010-1-20 15:23:16 | 显示全部楼层 |阅读模式 来自: 中国上海

马上注册,结识高手,享用更多资源,轻松玩转三维网社区。

您需要 登录 才可以下载或查看,没有帐号?注册

x
本帖最后由 longrl 于 2010-1-23 21:34 编辑
) p& ]) \# I# t! d7 p" P( Z+ C8 P' i
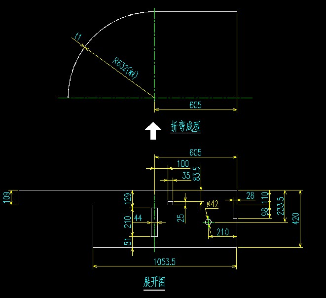
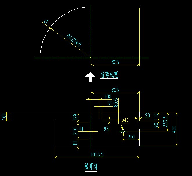
现有一折弯钣金件的零件图纸(CAD),现预转化成三维造型。能否先利用钣金件的展开图先做出该部件展开后的三维造型,然后用一个命令(本人没有找到,只是先绘制成展开后的造型),再将其折弯成型,转化为所需的三维造型呢?
TM截图未命名02.jpg
TM截图未命名.jpg
 楼主| 发表于 2010-1-20 16:17:53 | 显示全部楼层 来自: 中国上海
:dizzy:急!
发表于 2010-1-20 16:24:56 | 显示全部楼层 来自: 中国北京
CAD图纸截图看不清?
发表于 2010-1-20 16:26:15 | 显示全部楼层 来自: 中国浙江温州
用“绘制的折弯”这个命令,折弯位置选“材料在外”,折弯半径选你所用的,
发表于 2010-1-20 16:28:13 | 显示全部楼层 来自: 中国浙江温州
不过我试了下,不能完全照搬你的展开长度及成形尺寸的,会出错。
发表于 2010-1-20 16:28:48 | 显示全部楼层 来自: 中国江苏南通
先折弯,然后再展开平面减切,再恢复折弯,Help中有介绍
 楼主| 发表于 2010-1-20 16:55:29 | 显示全部楼层 来自: 中国上海
3# sundavid
+ O' C1 k' n6 z# J0 \
3 \0 a3 v, \: ^$ Y. ^+ j不好意思!CAD那张图片可能不是很清楚,我再重新上传一个。希望有兴趣的朋友可以试着帮忙画一下。
TM截图未命名02.jpg
发表于 2010-1-20 19:54:30 | 显示全部楼层 来自: 中国江苏南通
7# longrl ; p; [- w: Z0 }7 ]8 _
先画鈑金基体拉伸后展开,或拉伸后转化鈑金
 楼主| 发表于 2010-1-20 20:45:53 | 显示全部楼层 来自: 中国上海
本帖最后由 longrl 于 2010-1-20 20:52 编辑
) Y: ]) J6 y) M% \/ i( U$ [/ x+ N+ ]6 D0 P4 q2 d
8# ntyanlei & u! X2 K$ s# A% r$ x
1 e  Z3 M( S+ y
不好意思!可能您理解错了。我是想把钣金件的CAD展开图先成型再通过某个命令或方法折弯成型。
发表于 2010-1-20 21:04:47 | 显示全部楼层 来自: 中国河北唐山
就这样的,行吗???????????
QQ截图未命名.jpg
发表于 2010-1-20 22:04:36 | 显示全部楼层 来自: 中国广东韶关
既然用SW,就先建模后展开。
 楼主| 发表于 2010-1-21 08:49:54 | 显示全部楼层 来自: 中国上海
本帖最后由 longrl 于 2010-1-21 08:51 编辑 9 k' U5 X: d7 g% S) C( L, q
" a+ K, f  g  g& c( ^* g. h
10# zhaowenzhu ' C) C$ b$ b8 b: b% M+ J
恩,就是这个意思。呵呵~我只可以做到先下料(平面的),再折弯我就不会了。您可以把SW原件上传上来吗? 谢谢!!
发表于 2010-1-21 09:25:30 | 显示全部楼层 来自: 中国北京
本帖最后由 sundavid 于 2010-1-21 09:39 编辑
" O; Z( ^1 t1 v) J3 _# F2 b
4 K/ i% H. x2 Y  {9 Q/ R1 o, dSW原件上传看看。 截图00.png 零件1.rar (75.47 KB, 下载次数: 19)
发表于 2010-1-21 12:11:07 | 显示全部楼层 来自: 中国广东广州
很不错,帮顶一下。
 楼主| 发表于 2010-1-21 13:27:06 | 显示全部楼层 来自: 中国上海
13# sundavid
/ K4 ], R5 z# X4 c这也是个不错的方法,可否先是平的,先加工好各孔,再折弯成型呢?呵呵~
发表于 2010-1-21 13:31:54 | 显示全部楼层 来自: 中国黑龙江哈尔滨
先做好最终形状,之后展平做上面的各种孔,最后再折回去。
: c/ C& e* E% a' B. G0 H1 y10楼的方法是正确的,请仔细看特征树。
 楼主| 发表于 2010-1-23 21:34:06 | 显示全部楼层 来自: 中国上海
谢谢!各位的回答。
发表于 2010-1-23 22:08:13 | 显示全部楼层 来自: 中国江苏苏州
学习了,谢谢大家的指点
发表于 2010-1-23 22:46:56 | 显示全部楼层 来自: 中国湖南郴州
:Z是用什么版本,打不开,学习中
发表于 2010-1-27 23:03:04 | 显示全部楼层 来自: 中国广东珠海
10楼正解,
发表于 2010-1-28 08:23:28 | 显示全部楼层 来自: 中国山东烟台
绘制折弯命令能够啊
发表回复
您需要登录后才可以回帖 登录 | 注册

本版积分规则


Licensed Copyright © 2016-2020 http://www.3dportal.cn/ All Rights Reserved 京 ICP备13008828号

小黑屋|手机版|Archiver|三维网 ( 京ICP备2023026364号-1 )

快速回复 返回顶部 返回列表