QQ登录

只需一步,快速开始

登录 | 注册 | 找回密码

三维网

 找回密码
 注册

QQ登录

只需一步,快速开始

展开

通知     

全站
7天前
查看: 2879|回复: 3
收起左侧

[已解决] 请问这个产品的技术要求该怎么写?

[复制链接]
发表于 2010-1-20 11:04:01 | 显示全部楼层 |阅读模式 来自: 中国浙江宁波

马上注册,结识高手,享用更多资源,轻松玩转三维网社区。

您需要 登录 才可以下载或查看,没有帐号?注册

x
本帖最后由 梧桐桩 于 2010-1-23 08:48 编辑 $ v$ d# w) F7 l( X- ~

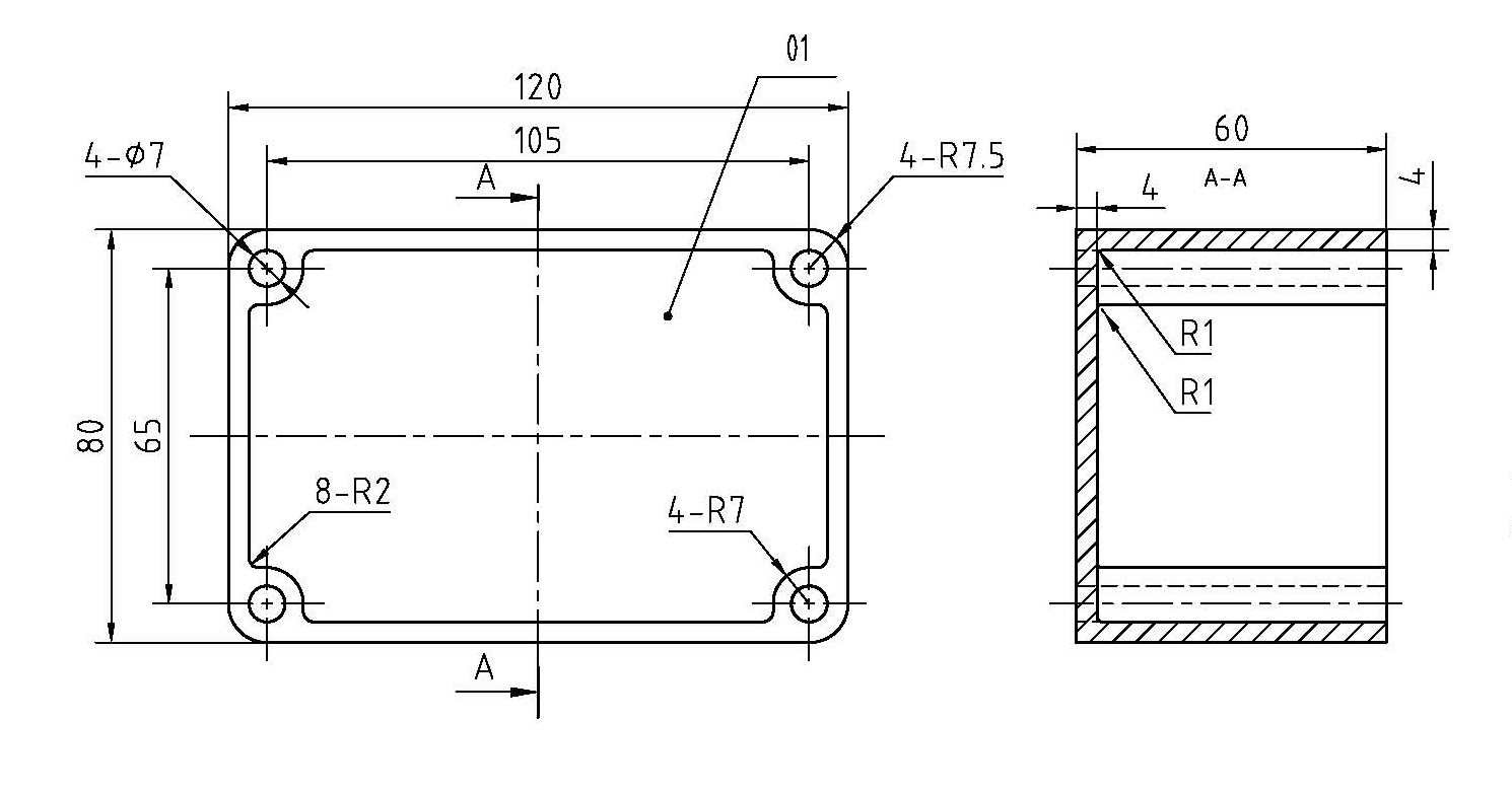
9 K, {0 P/ [. h5 V- k! X4 r各位帮下忙。谢谢,材料是SMC。技术要求该怎么写?拔模斜度该怎么写?
1.jpg
发表于 2010-1-20 11:35:32 | 显示全部楼层 来自: 中国辽宁沈阳
smc是个什么材料 你要铸造啊 还是注塑?
1 U7 `& h. w+ z6 p没法理解
 楼主| 发表于 2010-1-20 13:25:51 | 显示全部楼层 来自: 中国浙江宁波
发到这版块当然是注塑产品咯。
发表于 2010-1-21 17:40:12 | 显示全部楼层 来自: 中国浙江温州
SMC 片状模塑料/SMC片材是Sheet molding compound的缩写,即片状模塑料,多用于模压模具成型,成型温度130℃-160℃,用于注塑模具较少。此材料有绝源性好,质量轻,表面强度较高,表面光洁度较好,耐腐蚀性能较佳,成型收缩小,性能稳定(寿命较长)等特点。
. {8 A3 ^2 i% S( d该材料用途较广,我们日常见到最多的有汽车前后保险杠,仪表板等;火车上部分车窗窗框,车厢壁板与顶板;电器开关盒,电器配线盒,电缆分配箱外壳等。该材料较适合模压,出厂时几乎都是片状,成型温度控制较为严格,与制品厚度有直接关系。
) ]  \, h$ p2 g5 d' B( T6 k) \楼主所说的技术要求,应该根据产品用途,装配,外观要求,使用环境要求,电气性能要求等书写,我想论坛上的朋友们均不知道你的产品作何用途,技术要求无从写起。至于拔模斜度也要根据以上要求,如果表面为光面,可取小值,最好不小于1度,如果表面咬花或者皮纹处理,则尽量取大值。
) j3 Y( F6 _6 Z5 k1 y1 n! a以上供楼主参考,希望各位高手朋友多多出主意!

评分

参与人数 1三维币 +5 收起 理由
hxg168 + 5 有价值的答复

查看全部评分

发表回复
您需要登录后才可以回帖 登录 | 注册

本版积分规则


Licensed Copyright © 2016-2020 http://www.3dportal.cn/ All Rights Reserved 京 ICP备13008828号

小黑屋|手机版|Archiver|三维网 ( 京ICP备2023026364号-1 )

快速回复 返回顶部 返回列表