QQ登录

只需一步,快速开始

登录 | 注册 | 找回密码

三维网

 找回密码
 注册

QQ登录

只需一步,快速开始

展开

通知     

查看: 1842|回复: 4
收起左侧

[求助] 为什么立磨液压系统加压难及不保压

[复制链接]
发表于 2010-1-10 23:49:08 | 显示全部楼层 |阅读模式 来自: 中国广西防城港

马上注册,结识高手,享用更多资源,轻松玩转三维网社区。

您需要 登录 才可以下载或查看,没有帐号?注册

x
液压原理图.rar (48.07 KB, 下载次数: 10)
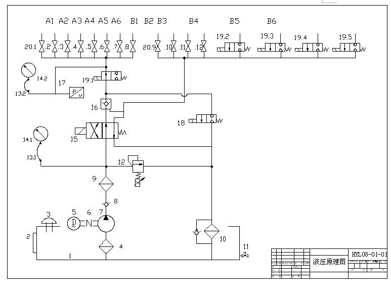
不通电时,电磁阀19.1、19.2、19.3、19.4、19.5处导通状态,换向阀15处于平行导通状态,电磁阀18处于截止状态。
主油缸加压(工作状态):
将截止阀20.5~20.8打开,截止阀20.1~20.4关闭。所有电磁阀此时均不通电,油经油泵7、单向阀8、过滤器9、换向阀15、单向阀16、电磁阀19.1、截止阀20.5~20.8向主(工作)油缸上腔供油,主(工作)油缸下腔的油经电磁阀19.2~19.5、换向阀15回到油箱。比例阀12用于调整压力。
主油缸抬辊及锁定(待料和故障状态):
电磁阀18通电导通,换向阀15通电换向,油经油泵7、单向阀8、过滤器9、换向阀15、电磁阀19.2~19.5向主(工作)油缸下腔供油。主(工作)油缸上腔的油经截止阀20.5~20.8、电磁阀19.1、电磁阀18回到油箱。此时,油缸将磨辊抬起。当某一油缸抬到设定高度时,触动限位开关,将相应的电磁阀(电磁阀19.2~19.5中的一个)通电截止。当四个电磁阀都通电截止时,油泵停止。此时磨辊被悬在磨盘上。如果此时再将电磁阀19.2~19.5断电导通,则磨辊靠自重落在磨盘上。
辅助油缸抬辊(翻辊检修既上腔进油)
将截止阀20.5~20.8关闭,截止阀20.1~20.4中的一个和20.9~20.12中相应的一个打开。电磁阀19.2~19.5通电截止。油经油泵7、单向阀8、过滤器9、换向阀15、单向阀16、电磁阀19.1、截止阀20.1~20.4向辅助(检修)油缸上腔供油,辅助(检修)油缸下腔的油经截止阀20.9~20.12、换向阀15回到油箱。四个磨辊中的一个将被抬起。当磨辊到达检修位置时,手动关闭相应的截止阀并停油泵。抬另一磨辊时,重复上述步骤。
辅助油缸将磨辊翻入磨内(下腔进油)
将截止阀20.5~20.8关闭,电磁阀19.2~19.5通电截止。截止阀20.1~20.4中的一个和20.9~20.12中相应的一个打开。换向阀15通电换向,电磁阀18通电导通,油经油泵7、单向阀8、过滤器9、换向阀15、截止阀20.9~20.12向检修油缸下腔供油。辅助(检修)油缸上腔的油经截止阀20.1~20.4、电磁阀19.1、电磁阀18、回到油箱。
电磁阀19.1
在单向阀16保压效果不理想的情况下,主油泵完成加压工作后将电磁阀19.1通电截止。
发表于 2010-1-11 13:38:08 | 显示全部楼层 来自: 中国辽宁本溪
帖上楼主的图。
3 Q" P/ E1 a: S) S/ m: K是不是问题出在液控单向阀16的身上?
图.JPG

评分

参与人数 1三维币 +1 收起 理由
自流井 + 1 技术讨论

查看全部评分

发表于 2010-1-11 15:53:15 | 显示全部楼层 来自: 中国江苏南通
建议楼主认真清洗阀类,这套系统我在现场遇到过相同的问题
 楼主| 发表于 2010-1-11 21:41:55 | 显示全部楼层 来自: 中国广西北海
请教一下各位,怎么样把照片贴上来啊?我点插入照片后腰输入URL就不懂怎么填写了。
 楼主| 发表于 2010-1-15 20:05:59 | 显示全部楼层 来自: 中国广西防城港
原来是阀18的阀芯不好,更换过后加压速度正常,保压时间也恢复正常
发表回复
您需要登录后才可以回帖 登录 | 注册

本版积分规则


Licensed Copyright © 2016-2020 http://www.3dportal.cn/ All Rights Reserved 京 ICP备13008828号

小黑屋|手机版|Archiver|三维网 ( 京ICP备2023026364号-1 )

快速回复 返回顶部 返回列表