QQ登录

只需一步,快速开始

登录 | 注册 | 找回密码

三维网

 找回密码
 注册

QQ登录

只需一步,快速开始

展开

通知     

查看: 3672|回复: 26
收起左侧

[已解决] 37 是哪个尺寸?

 关闭 [复制链接]
发表于 2010-1-9 13:43:10 | 显示全部楼层 |阅读模式 来自: 中国浙江嘉兴

马上注册,结识高手,享用更多资源,轻松玩转三维网社区。

您需要 登录 才可以下载或查看,没有帐号?注册

x
本帖最后由 hfc12345 于 2010-1-11 13:42 编辑 8 ?. m( V) W# }4 i$ }

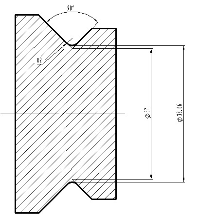
) v* {* a- V3 i' F8 p) Y6 m37是指理论尖角出尺寸?还是圆弧以后的尺寸?
9 A' }: B( o+ P* ?. f" p" P9 M+ A& n6 }6 ?5 K: \# A

6 ~+ W9 C" d6 K) M3 H  s感谢大家的讨论帮助,现在有一个问题  如果37是圆弧底部尺寸,数控走刀的时候圆弧的起刀(结束)点的坐标怎样求?好像CAD圆弧最低点补捉不到。
Drawing2-Model.jpg
发表于 2010-1-9 14:03:29 | 显示全部楼层 来自: 中国陕西宝鸡
是实物的量取尺寸,应当是下边的尖角到上面的圆弧最低点的投影尺寸。

评分

参与人数 1三维币 +2 收起 理由
userkypdy + 2 积极交流,谢谢

查看全部评分

发表于 2010-1-9 16:11:08 | 显示全部楼层 来自: 中国山东烟台
理论尖角处尺寸

评分

参与人数 1三维币 +1 收起 理由
userkypdy + 1 积极交流,谢谢

查看全部评分

发表于 2010-1-9 16:24:53 | 显示全部楼层 来自: 中国浙江杭州
尺寸不可以乱猜,我认为都有可能"理论尖角出尺寸,圆弧以后的尺寸"最好问设计者或检查装配件

评分

参与人数 1三维币 +4 收起 理由
userkypdy + 4 积极交流,谢谢

查看全部评分

发表于 2010-1-9 18:12:41 | 显示全部楼层 来自: 中国江苏常州
本帖最后由 ftgww123 于 2010-1-9 18:13 编辑 % R! C' K( S! A* q8 B
' @# @5 D& [6 Y. X& z6 t
图画的不严谨,最好应该有局部放大图;
5 X% @1 S. t+ g: |! v* K% F  m2楼的说法也不对,这是一段圆柱啊,不可能选取不同的两点标注直径尺寸,就图论图应该都是圆弧最低点;" E# j+ H) P, q" ]) s, j' w
还是问设计者为好。

评分

参与人数 1三维币 +2 收起 理由
userkypdy + 2 积极交流,谢谢

查看全部评分

发表于 2010-1-9 18:41:10 | 显示全部楼层 来自: 中国陕西宝鸡
应当是圆弧底尺寸,既外形边界尺寸,如是尖角尺寸必须注明或放大显示。

评分

参与人数 1三维币 +1 收起 理由
userkypdy + 1 积极交流,谢谢

查看全部评分

发表于 2010-1-9 19:01:58 | 显示全部楼层 来自: 中国江苏扬州
本帖最后由 hhdd2006 于 2010-1-9 19:04 编辑 3 Y* l: K% Y/ s5 Z, l& a+ P

' ?' S/ o; q4 |- Q& Z. K2楼的说法也不对,从设计上来讲应该是尖角的尺寸,圆弧的最低点来个带括号的尺寸就更完善了(用于测量)。实际R的大小与刀具有关,不影响37尺寸,但影响圆弧的最低点的直径尺寸。有时R的大小也可在技术要求中指出,图形中可不画出,一般工艺结构要素都可以这样,当然,特殊有要求的 R除外。

评分

参与人数 1三维币 +3 收起 理由
userkypdy + 3 积极交流,谢谢

查看全部评分

发表于 2010-1-9 19:49:57 | 显示全部楼层 来自: 中国天津
37应该是指理论尖角的尺寸
 楼主| 发表于 2010-1-10 08:45:28 | 显示全部楼层 来自: 中国浙江嘉兴
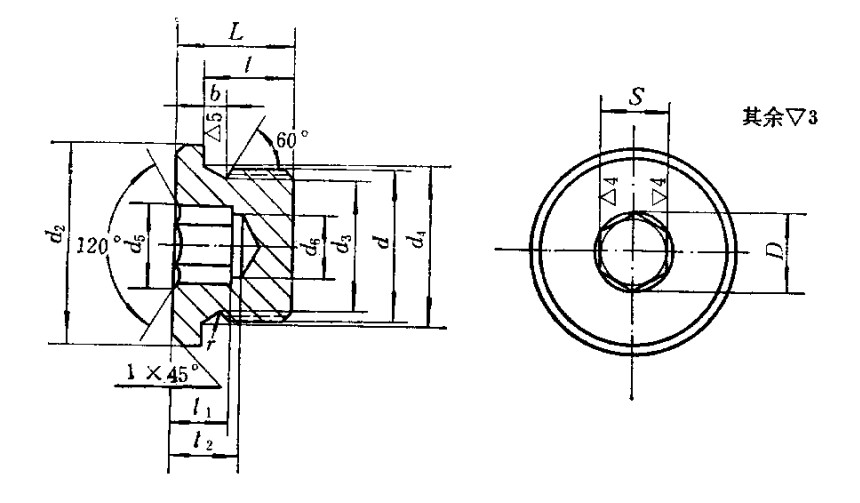
具体应用  :如图  y* y8 P5 J0 x8 o# D% x! x; L
  检测的时候 是按d3标准上的尺寸检测 还是d3的尺寸是理论值   只要螺纹能推倒就行了?[
A265DE3B-A936-4A90-82D3-264980E2EE04.jpg

评分

参与人数 1三维币 +2 收起 理由
userkypdy + 2 积极交流,谢谢

查看全部评分

发表于 2010-1-10 11:19:15 | 显示全部楼层 来自: 中国上海
10# gaoyns
4 L9 z2 Q) J5 P2 q
: l- U: q5 n0 Y- ~) R: U. y4 r
" O* W7 I/ [( s0 H% [Φ37的尺寸既然是标注为直径,那么R2应该是一周(圆环),否则R2找不到终点。至于Φ37是标注在什么地方,因为图太小而且有问题(上下不一致),所以只能去问设计的人。标注为齿尖也未尝不可以,如果要求不高,这里将来加工时可用样板检测。

评分

参与人数 1三维币 +3 收起 理由
userkypdy + 3 积极交流,谢谢

查看全部评分

发表于 2010-1-10 13:52:02 | 显示全部楼层 来自: 中国上海
我的理解这里的φ37应该是R2圆弧底部的尺寸,而不是两斜面理论交角的尺寸。# H& E! m. S: t' A: Z* M
按照GB/T 4458.4-2003《机械制图 尺寸注法》的规定,理论交角的尺寸,应该是细实线将轮廓线延长,在交点处引出尺寸界限。9 f9 A1 c1 x/ k0 F( L
另外,从设计上说,此处不管是退刀槽,还是O形圈密封槽,都没有必要标注理论交角尺寸,标注圆弧底部尺寸更便于加工和测量。
ww.jpg

评分

参与人数 1三维币 +4 收起 理由
userkypdy + 4 积极交流,谢谢

查看全部评分

发表于 2010-1-10 14:55:08 | 显示全部楼层 来自: 中国贵州安顺
从你所给的图看,37最有可能是理论尖角的尺寸,否则尺寸b不好理解。是否确认,最好问一下设计该零件的设计员。

评分

参与人数 1三维币 +1 收起 理由
userkypdy + 1 积极交流,谢谢

查看全部评分

发表于 2010-1-10 20:09:35 | 显示全部楼层 来自: 中国江苏常州
10# gaoyns 0 b4 e; ~3 A' ~* j
哈哈,老大难得糊涂。 我的看法与11楼基本一致。
发表于 2010-1-10 20:16:11 | 显示全部楼层 来自: 中国山东潍坊
我认为尖角尺寸
发表于 2010-1-11 09:49:25 | 显示全部楼层 来自: 中国山东潍坊
从图纸标注来看是尖角的尺寸
发表于 2010-1-11 10:03:50 | 显示全部楼层 来自: 中国山西太原
13# ftgww123
5 X( g, J( c; I1 |/ a现10#说得对,原10#已删去,没注意到37有φ。
发表于 2010-1-11 11:19:37 | 显示全部楼层 来自: 中国江西南昌
如果以加工成品来考虑的话应该是圆弧底部的尺寸,而不是尖点,尖点的尺寸标注没有什么意义。: a) @& @' ~/ v3 q8 G/ T
7 J* p6 v2 z; d' I
个人浅见.
发表于 2010-1-11 11:39:27 | 显示全部楼层 来自: 中国江苏苏州
通常理解应为尖角尺寸.
头像被屏蔽
发表于 2010-1-11 14:05:11 | 显示全部楼层 来自: 中国辽宁丹东
提示: 作者被禁止或删除 内容自动屏蔽
发表于 2010-1-11 16:06:46 | 显示全部楼层 来自: 中国浙江宁波
我画了个草图,Φ37是圆柱尺寸,因此上下都有圆弧。0 A7 [" ]9 n; p; y0 h: K2 E2 M* W
222.jpg
+ I! |( n! C0 l8 {9 e5 S8 m- e由图可见,R2的圆弧在图中非常明显。而设计员的图纸上看不出圆弧,我的想法是设计员认为该圆弧大小问题不大把它简化了。因此,我认为该37尺寸是理论尖角的尺寸,如果是实际圆角尺寸的话,圆弧尺寸有偏差就会影响该90度尖角的深度和大小。

评分

参与人数 1三维币 +3 收起 理由
userkypdy + 3 积极交流,谢谢

查看全部评分

发表于 2010-1-11 16:43:59 | 显示全部楼层 来自: 中国广东中山
不用脑袋想都知道是尖角直径!!!
发表于 2010-1-12 13:59:04 | 显示全部楼层 来自: 中国贵州黔西南布依族苗族自治州
我认为是理论尖角尺寸,方便工人加工时计算斜边角度。

评分

参与人数 1三维币 +2 收起 理由
userkypdy + 2 积极交流,谢谢

查看全部评分

发表于 2010-1-12 16:39:27 | 显示全部楼层 来自: 中国江苏苏州
这图画的有问题的,一般应该理解为R2底部的直径是37
发表于 2010-1-13 20:08:36 | 显示全部楼层 来自: 缅甸
个人理解是理论尖角尺寸 ,那个φ强调的是对称
发表于 2010-1-15 07:23:34 | 显示全部楼层 来自: 中国甘肃兰州
这里一般标注圆的实体尺寸:方便检验测量;或者圆的中心尺寸,方便设计人员定位。至少我们单位严禁标在两条延长线的交点,没有实际的意义。

评分

参与人数 1三维币 +2 收起 理由
userkypdy + 2 积极交流,谢谢

查看全部评分

发表回复
您需要登录后才可以回帖 登录 | 注册

本版积分规则


Licensed Copyright © 2016-2020 http://www.3dportal.cn/ All Rights Reserved 京 ICP备13008828号

小黑屋|手机版|Archiver|三维网 ( 京ICP备2023026364号-1 )

快速回复 返回顶部 返回列表