QQ登录

只需一步,快速开始

登录 | 注册 | 找回密码

三维网

 找回密码
 注册

QQ登录

只需一步,快速开始

展开

通知     

查看: 1990|回复: 17
收起左侧

[分享] 看图画模型

[复制链接]
发表于 2010-1-7 16:46:18 | 显示全部楼层 |阅读模式 来自: 中国浙江金华

马上注册,结识高手,享用更多资源,轻松玩转三维网社区。

您需要 登录 才可以下载或查看,没有帐号?注册

x
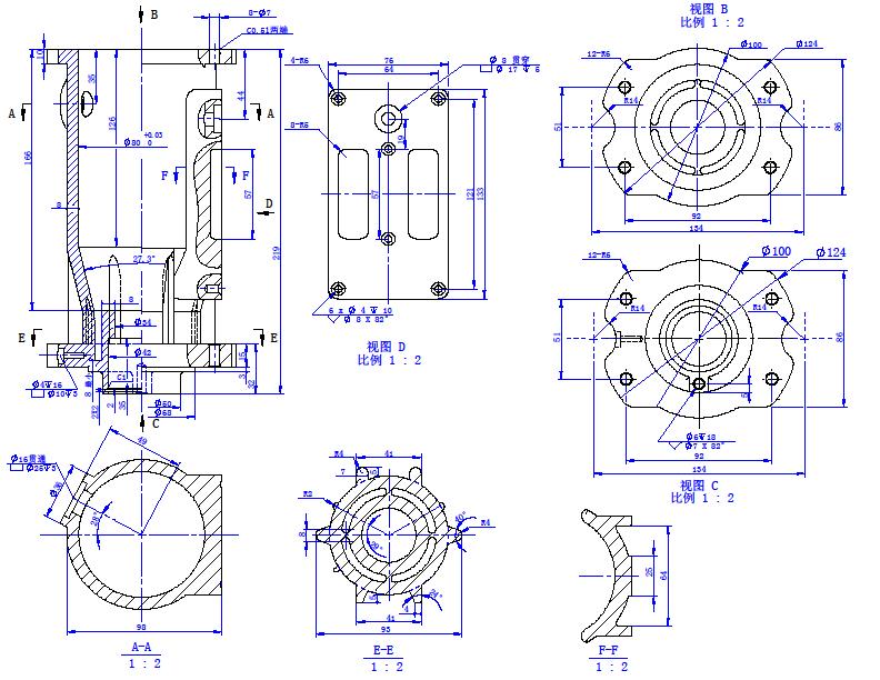
123.JPG

Pump Housing V1.PDF

70.72 KB, 下载次数: 53

发表于 2010-1-7 16:48:16 | 显示全部楼层 来自: 中国四川德阳
好了,下来了,等做完再发上来
发表于 2010-1-7 16:52:15 | 显示全部楼层 来自: 中国浙江温州
100块,有人会接的。
发表于 2010-1-7 20:08:59 | 显示全部楼层 来自: 中国广东韶关
好了!!!!!!!!!!17 l$ s" I% g3 C' K/ R- _
未命名.JPG
发表于 2010-1-7 21:02:51 | 显示全部楼层 来自: 中国四川德阳
本帖最后由 rubin09103 于 2010-1-7 21:04 编辑 9 y4 G2 p! t: E9 I* I  c

/ I  ^) e* e  ], |我做出来了,懒得画 4.jpg
发表于 2010-1-7 21:06:01 | 显示全部楼层 来自: 中国四川德阳
另外,这是不是缺个尺寸啊?
5.jpg
发表于 2010-1-7 23:22:46 | 显示全部楼层 来自: 中国浙江杭州
练手哇  把我那曲面 练练  我搞不出
头像被屏蔽
发表于 2010-1-8 09:59:28 | 显示全部楼层 来自: 中国广东湛江
提示: 作者被禁止或删除 内容自动屏蔽
发表于 2010-1-8 10:09:55 | 显示全部楼层 来自: 中国山东滨州
不错,强烈支持!
 楼主| 发表于 2010-1-8 10:58:57 | 显示全部楼层 来自: 中国浙江金华
仔细看下不缺高度2 m! ^: O1 l. R+ C" B
有没有人再把它出成工程图的呀。
发表于 2010-1-8 13:14:51 | 显示全部楼层 来自: 中国四川德阳
我还是觉得缺高度尺寸,哈哈
1.jpg
发表于 2010-1-8 15:26:27 | 显示全部楼层 来自: 中国江苏淮安
本帖最后由 kenko 于 2010-1-9 08:31 编辑
) E! @* \. {7 A5 J( e% [" e' L! X) g9 i$ E7 ^
练习一下,尺寸不全
1.jpg
看图建模渲染.jpg

零件1.rar

401.64 KB, 下载次数: 21

发表于 2010-1-10 16:42:00 | 显示全部楼层 来自: 中国广东广州
多来整那我有时间也给你们整个o(∩_∩)o...哈哈
发表于 2010-1-11 17:07:52 | 显示全部楼层 来自: 中国上海
顶一个,画的不确
发表于 2010-1-11 19:05:50 | 显示全部楼层 来自: 中国福建福州
画一次,就是虚拟制造一次了。
发表于 2010-1-11 19:07:14 | 显示全部楼层 来自: 中国福建福州
这东西是什么材质的?毛坯如何成型?
发表于 2010-1-12 16:57:56 | 显示全部楼层 来自: 中国江苏南通
不错啊  大家画的都很好哦   值得学习
发表于 2010-1-12 20:17:24 | 显示全部楼层 来自: 中国上海
学习 动动手
发表回复
您需要登录后才可以回帖 登录 | 注册

本版积分规则


Licensed Copyright © 2016-2020 http://www.3dportal.cn/ All Rights Reserved 京 ICP备13008828号

小黑屋|手机版|Archiver|三维网 ( 京ICP备2023026364号-1 )

快速回复 返回顶部 返回列表