QQ登录

只需一步,快速开始

登录 | 注册 | 找回密码

三维网

 找回密码
 注册

QQ登录

只需一步,快速开始

展开

通知     

查看: 8254|回复: 14
收起左侧

[已解决] 螺纹牙数怎么计算?

 关闭 [复制链接]
发表于 2010-1-7 14:47:33 | 显示全部楼层 |阅读模式 来自: 中国北京

马上注册,结识高手,享用更多资源,轻松玩转三维网社区。

您需要 登录 才可以下载或查看,没有帐号?注册

x
我在计算时遇到如下两个问题,高人给指点一下:" p; b5 r8 J: {5 {
问题1。设计螺纹配合时,需要用多少牙,这个怎么计算阿?我只会计算螺栓的直径需要多大。: X; t; F0 q- n
问题2。外螺纹已经知道了。用一个小圆环拧到上面。那么这个小圆环的最小壁厚怎么算呢?) C; z0 J7 G8 G6 K5 p7 b/ h# f/ d
简化一下就是一套M55螺栓螺母,两边受178000的拉力,材料的屈服极限应力是300MPa。那么(1)螺母至少要多少牙?(2)螺母的壁厚最小是多少?
发表于 2010-1-7 16:26:41 | 显示全部楼层 来自: 中国江苏常州
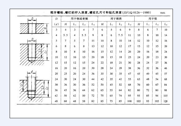
发个常见的图片啊0 c9 v: G5 K1 j1 H  y
没有55的
  h* j, P% |/ C+ c, U" t4 b4 p/ x你加长点。
$ _0 R* s$ }/ t5 b& Z9 p17.8吨,& a& _1 c# T! V# u' }/ }4 o6 t
M55受力没有问题
023.jpg

评分

参与人数 1三维币 +4 收起 理由
userkypdy + 4 积极交流,谢谢

查看全部评分

发表于 2010-1-7 21:05:57 | 显示全部楼层 来自: 中国辽宁沈阳
本帖最后由 leftwall 于 2010-1-7 21:12 编辑
3 K, ~5 c' s9 M! U4 M' J! f. Q) Q7 t2 ^' ^
印象中不需要计算牙数啊(依稀记得某书上说真正接触上的螺纹不到5环),基本上静载荷考虑抗拉强度就行了
& Z; n; j9 m/ f1 X& C, j( ~3 G4 @动载荷的话也有计算公式(自己去查手册^_^),再按照力学性能等级选择就行了
7 E, S: p9 y) l- v8 D0 s另外要图要真相不然讲不明白
3 M$ H0 T  A( @恕我冒昧M55的螺丝我没见过% Z: a  {! D4 g" K6 B; g9 H
另外强度是靠螺栓个数保证的不是靠牙数保证的

评分

参与人数 1三维币 +2 收起 理由
userkypdy + 2 积极交流,谢谢

查看全部评分

发表于 2010-1-7 21:34:28 | 显示全部楼层 来自: 中国江苏苏州
查阅《机械设计手册》或类似资料中有关螺纹强度计算章节。具体涉及单牙挤压强度、剪切强度等,计算方法都有详细的讲解。

评分

参与人数 1三维币 +2 收起 理由
userkypdy + 2 积极交流,谢谢

查看全部评分

发表于 2010-1-8 08:29:55 | 显示全部楼层 来自: 中国山西太原
1  螺栓拧入螺孔的深度不是按多少牙,是按拧入深度尺寸来定的,螺孔深度及螺栓拧入深度机械设计手册上都有规定。
7 f- i8 \8 x& t0 s2  螺母厚度也不需自己设计,标准都有规定,选用标准件就行了。# z2 s# I+ }) P
3  你给出的拉力没有单位,其实有了螺栓规格,最大允许拉力查手册就知道了。

评分

参与人数 1三维币 +3 收起 理由
userkypdy + 3 积极交流,谢谢

查看全部评分

发表于 2010-1-8 11:31:04 | 显示全部楼层 来自: 中国陕西西安
一般的是螺纹直径的1.25到2倍
发表于 2010-1-8 11:33:27 | 显示全部楼层 来自: 中国重庆
本帖最后由 水魅 于 2010-1-8 11:34 编辑
) t4 O9 G. V3 h8 M, Z) \1 j, v' {) l
如果你一定要计算牙数,就用旋入长度除以螺距

评分

参与人数 1三维币 +2 收起 理由
userkypdy + 2 积极交流,谢谢

查看全部评分

发表于 2010-1-8 13:03:51 | 显示全部楼层 来自: 中国浙江宁波
我也赞成5楼的观点,自己设计是没必要,但特殊的可以
发表于 2010-1-8 22:26:36 | 显示全部楼层 来自: 中国浙江台州
很简单,如英制螺纹的每英寸牙数n。每英寸牙数n=25.4/P(螺距)。单位长度L上的螺纹牙数N=L/P

评分

参与人数 1三维币 +1 收起 理由
userkypdy + 1 积极交流,谢谢

查看全部评分

发表于 2010-1-9 19:48:50 | 显示全部楼层 来自: 中国江苏扬州
查阅《机械设计手册》或类似资料中有关螺纹强度计算章节。具体涉及单牙挤压强度、剪切强度等,计算方法都有详细的讲解。
- o% o" w+ M7 _soogo 发表于 2010-1-7 21:34 http://www.3dportal.cn/discuz/images/common/back.gif
3 B) S; o0 x' d% y/ a
牙数按旋入深度减几牙,6-8牙最低。$ L* ?. r; E  o, I8 P
壁厚主要按照挤压强度计算,可参照标准螺母的壁厚

评分

参与人数 1三维币 +2 收起 理由
userkypdy + 2 积极交流,谢谢

查看全部评分

发表于 2010-1-9 20:06:41 | 显示全部楼层 来自: 中国江苏淮安
选标准的螺母比较好,最好用细牙的,还要看是否预紧,螺母的强度也要注意

评分

参与人数 1三维币 +2 收起 理由
userkypdy + 2 积极交流,谢谢

查看全部评分

 楼主| 发表于 2010-1-21 16:27:39 | 显示全部楼层 来自: 中国北京
4# soogo . e8 {& ~, N; l5 R3 V
! \* w1 j9 J: {2 s; u5 W
机械设计手册中没有找到螺纹牙数或剪切方面的计算阿。只看到根据螺栓截面积计算螺栓强度的计算。给具体的说一下吧。我想计算螺纹连接时要多少牙才能保证连接。截面积那个好算,都能复合要求。
发表于 2010-1-22 11:12:58 | 显示全部楼层 来自: 中国四川成都
一般来说,螺纹受力主要在前7个牙,所以一般旋入深度为螺距的5~7倍。

评分

参与人数 1三维币 +1 收起 理由
userkypdy + 1 积极交流,谢谢

查看全部评分

头像被屏蔽
发表于 2010-1-22 14:19:29 | 显示全部楼层 来自: 中国辽宁丹东
提示: 作者被禁止或删除 内容自动屏蔽
发表于 2010-1-28 20:05:39 | 显示全部楼层 来自: 中国广东汕头
理论计算参考机械设计手册螺纹连接强度计算,需要计算螺纹抗拉和螺纹接触和抗挤抗拉强度。: R9 v  K9 t! r* V: c) x6 a7 ^" X: [
通常采用经验公式:仅供参考
* M2 y& W: d& G* Y8 p6 Y1 N1. 拧入长度不是越长越好,太长有害。
: A! r, v! Z6 k7 f2 j1 u" R7 G   由于螺纹加工间距不一致,当拧入长度太深时会发生干涉现象,降低螺纹负载能力. _. }3 e0 s& A7 D- q
2.通常拧入长度为5~10牙,或直径1.5~2倍。应考虑材料的差异性
/ L5 g' M/ w; k8 [/ i- i3.实际旋合牙数=理论旋合牙数-1.5~2牙(螺纹起始段)( e* {# f( `% H# X! F# T3 s
4.理论旋合牙数=螺栓理论拧入深度/螺距
发表回复
您需要登录后才可以回帖 登录 | 注册

本版积分规则


Licensed Copyright © 2016-2020 http://www.3dportal.cn/ All Rights Reserved 京 ICP备13008828号

小黑屋|手机版|Archiver|三维网 ( 京ICP备2023026364号-1 )

快速回复 返回顶部 返回列表