QQ登录

只需一步,快速开始

登录 | 注册 | 找回密码

三维网

 找回密码
 注册

QQ登录

只需一步,快速开始

展开

通知     

查看: 2410|回复: 16
收起左侧

[求助] 这个阀的工作原理

[复制链接]
发表于 2010-1-6 22:09:53 | 显示全部楼层 |阅读模式 来自: 中国山西大同

马上注册,结识高手,享用更多资源,轻松玩转三维网社区。

您需要 登录 才可以下载或查看,没有帐号?注册

x
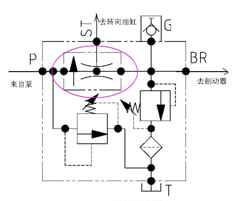
这个阀用于矿用运煤梭车的。梭车是美国JOY公司生产的。说明书介绍说是叫流量优先阀、说也叫先导流量控制阀。
, r0 r- M5 z6 H. q7 ?) y) |" |3 l  A9 q
问:1. 这个阀究竟叫什么阀?# K; T, p4 ?3 i# O+ `1 ]
     2. 图中画圈的哪个阀叫什么阀?
5 p4 {: P* l4 _2 L) {4 [    3. 工作原理是什么?8 k' r" |* e- p
   4. 谁有类似这个阀的样本?
未命名.JPG
发表于 2010-1-7 11:26:33 | 显示全部楼层 来自: 中国北京
没见过,感觉好复杂的,找样本看看吧
发表于 2010-1-7 11:36:29 | 显示全部楼层 来自: 中国江苏南通
是有种阀叫流量优先,其实就是以流量调节为主。。# X8 @& T& Z* n' O5 J1 X
7 D/ t- _& A. u+ m5 A
国外产品,国内好象没有
 楼主| 发表于 2010-1-7 12:33:22 | 显示全部楼层 来自: 中国山西大同
耐心等待大家的解释。
发表于 2010-1-7 23:48:43 | 显示全部楼层 来自: 中国四川泸州
该阀就是优先阀,一般供转向系统,即要转向时优先保证转向器流量(所以叫优先阀),多余流量供工作系统,国内该阀技术也较成熟,现装载机上普遍采用,国内长江液压和临海技术非常成熟了.

评分

参与人数 1三维币 +3 收起 理由
柠檬咖啡 + 3 应助

查看全部评分

 楼主| 发表于 2010-1-8 16:56:28 | 显示全部楼层 来自: 中国山西大同
楼上,上传一个样本吧。
发表于 2010-1-8 17:48:15 | 显示全部楼层 来自: 中国云南玉溪
好像是温度补偿的流量控制阀
发表于 2010-1-8 20:51:59 | 显示全部楼层 来自: 中国浙江温州
应该是分流阀,这个可以参考Vickers的V20P泵的控制部分,是把一个油路分成两个油路,其中一路优先,并保持流量恒定,一般用于车辆转向器转向;另一路是剩余油量,做制动或其他控制用。注意两个油路都可以独自建立油压,并互不干扰。

评分

参与人数 1三维币 +3 收起 理由
9619 + 3 应助

查看全部评分

发表于 2010-1-11 16:05:27 | 显示全部楼层 来自: 中国重庆
同意楼上同学的意见!
发表于 2010-1-12 14:47:58 | 显示全部楼层 来自: 中国四川成都
这个阀应该就叫优先流量阀,你图中画圈的部分是核心,就是优先流量阀,只是这种阀中不带溢流功能,所以在优先油路和旁路都配置了卸荷阀,以保护下游支路不超压;画圈的阀中,向上的箭头应该是带压力补偿的表示,只是常规画法一般在出口处,画在前边不知是否代表上游补偿,其实不管上游补偿还是下游补偿,功能都是一样的,就是维持优先油路不受后级负载及旁路负载的影响,维持优先油路恒定的流量;此阀功能分析为:从液压泵供给的液压油,优先供给制动油路,剩余油量供给转向油路,当刹车油路闭锁时,应该在刹车阀上有回油箱的油路设计,楼主可参看一下刹车系统油路;这样的话,应该优先的刹车油路维持一个小流量,而大部分油量旁路到转向系统。我附了个Parker的样本及HadraForce的样本,都是类似,供楼主参考,如果想精确了解,请楼主把此阀上的铭牌内容发上来,大家可以帮你查找原厂资料。9 n% `/ w5 Y- M
' d6 ?. v; i, V7 O  p8 i
以上分析只是我的个人之见,如有错误,希望各位同仁指正,以免误导。

优先流量阀.pdf

830.56 KB, 下载次数: 18

评分

参与人数 1三维币 +5 收起 理由
9619 + 5 应助

查看全部评分

发表于 2010-1-14 05:44:21 | 显示全部楼层 来自: 中国甘肃兰州
谢谢楼上的。
发表于 2010-3-14 14:48:06 | 显示全部楼层 来自: 中国河南郑州
学习中!!!!!!!!!!!!!!!!!
发表于 2010-3-14 18:44:38 | 显示全部楼层 来自: 中国河南郑州
国内有不少厂家都生产,用在转向系统和其他系统上的切换,
发表于 2010-3-14 21:52:35 | 显示全部楼层 来自: 中国湖南长沙
青岛普菲斯特有,优先阀
发表于 2010-3-15 23:57:30 | 显示全部楼层 来自: 中国安徽蚌埠
是流量优先阀,就是分流阀的一种。
发表于 2010-3-16 16:48:24 | 显示全部楼层 来自: 中国北京
次阀是带压力补偿的优先流量阀,属于上游压力补偿,个人认为10#分析的很准确!
发表于 2010-3-17 10:24:59 | 显示全部楼层 来自: 中国江苏徐州
除了Parker及HadraForce的样本,还有国内厂家的样本吗?
发表回复
您需要登录后才可以回帖 登录 | 注册

本版积分规则


Licensed Copyright © 2016-2020 http://www.3dportal.cn/ All Rights Reserved 京 ICP备13008828号

小黑屋|手机版|Archiver|三维网 ( 京ICP备2023026364号-1 )

快速回复 返回顶部 返回列表