QQ登录

只需一步,快速开始

登录 | 注册 | 找回密码

三维网

 找回密码
 注册

QQ登录

只需一步,快速开始

展开

通知     

查看: 2565|回复: 12
收起左侧

[已解决] 表面粗糙度求助

[复制链接]
发表于 2010-1-2 18:31:14 | 显示全部楼层 |阅读模式 来自: 中国上海

马上注册,结识高手,享用更多资源,轻松玩转三维网社区。

您需要 登录 才可以下载或查看,没有帐号?注册

x
小弟我对于表面粗糙度不是很了解,在网上就找到这些知识.0 h9 H* J- ^- X+ \' `" k' s0 ?( N" t
粗糙度中,RaRz有什么区别?
. a' }  k3 `# `/ Z0 PRa 轮廓算术平均偏差:在取样长度内,轮廓偏距绝对值的算术平均值
% Z: i* @/ m0 Y& t1 q. b2 i% c+ b8 \6 k. ^
Rz 微观不平度十点高度:在取样长度内最大的轮廓峰高的平均值与五个最大的轮廓谷深的平均值之和
0 {4 j6 e$ a3 H$ [3 ]8 G6 @# {, H7 t2 B/ y( h$ O
Ry 轮廓最大高度:在取样长度内,轮廓峰顶线和轮廓谷底线之间的距离;% u" v$ d, W0 X0 i+ w

& ~) W6 v2 k* H( g3种都是用来表示表面粗糙度的。具体关系不好说明...Ra是最主要的评定参数,Rz一般只用来表示比较短小的表面。Ry基本不单独使用,算是一个极限偏差吧。 RA我算是搞明白了。RZ我还是搞不大明白,比如说RZ160相当于Ra多少呢,如果那位老大能上传些关于RZ这方面的资料小弟奖万分感谢。) T8 f* c: ~% W5 K7 B
未命名.jpg
发表于 2010-1-2 22:49:12 | 显示全部楼层 来自: 中国上海
提供一张对照表,供参考。
表面光洁度与粗糙度Ra、Rz换算表.jpg
发表于 2010-1-3 10:04:56 | 显示全部楼层 来自: 中国江苏无锡
2# schjie 6 j$ R) ~5 g4 G7 |& V
楼上的公式有点问题啊!按图表的Ra和Rz的值算出的关系大概是Rz<6.3时Ra=Rz/8,Rz>6.3时Ra=Rz/4。
QQ截图未命名.png
发表于 2010-1-3 10:11:21 | 显示全部楼层 来自: 中国陕西宝鸡
Ra与Rz的含义上面都已经叙述了,二者的换算关系:在Ra1.6及高方向,Rz≈4Ra;在Ra1.6及低方向,Rz≈8Ra。7 N' c, ?. \' [+ _3 }. w3 ]- u7 j7 O
楼主举的例子,Rz160就相当于Ra40。
发表于 2010-1-3 11:01:03 | 显示全部楼层 来自: 中国上海
本帖最后由 schjie 于 2010-1-3 11:03 编辑
3 z6 z$ C. D0 S+ t; B' _: ]( q! r4 C7 C1 }3 T- \" ~( I
感谢各位的提醒。这个表格是别人给的,以前也没有认真研究过。此次问题发生后,认真研究了一下,该表格确实存在问题,不仅仅是下部的注释有问题,表格的内容也有问题。根据丁志华编著的《公差合理选用与正确标注》一书(国防工业出版社,1991年10月出版),▽6对应Rz12.5,而非6.3,▽5对应Rz25,非12.5,▽4对应Rz50,非25,▽3对应Rz100,非Rz50,▽2对应Rz200,非Rz100,▽1对应Rz400,非200。现将修改后的对照表一并附上,供各位参考。再次对各位论坛上的朋友表示感谢!
表面光洁度与粗糙度Ra、Rz换算表.jpg

表面光洁度与粗糙度Ra、Rz换算表.rar

3.65 KB, 下载次数: 9

发表于 2010-1-3 13:39:30 | 显示全部楼层 来自: 中国江苏无锡
本帖最后由 xiayongjun 于 2010-1-3 13:45 编辑
: B) V$ o' a# g5 z; L4 a: H# k! r, G: U2 d! r0 ^! U6 v* S
#回复:schjie . a* P* @" h, f! \3 `( {( F
你这次贴的这本书表格也有问题哦,Ra和Rz值全部是8倍关系!
发表于 2010-1-3 16:04:39 | 显示全部楼层 来自: 中国上海
#回复:schjie
/ o) F3 |3 t2 q你这次贴的这本书表格也有问题哦,Ra和Rz值全部是8倍关系!
+ V/ r3 h1 L( Q0 [( ~xiayongjun 发表于 2010-1-3 13:39 http://www.3dportal.cn/discuz/images/common/back.gif
7 V0 H7 b1 {. O8 a3 U0 q, H4 K
楼上的,你也别光说别人的不对,讲出你的道理吧
发表于 2010-1-3 16:31:42 | 显示全部楼层 来自: 中国上海
#回复:schjie 7 ?& W5 ?& b$ i! W& t
你这次贴的这本书表格也有问题哦,Ra和Rz值全部是8倍关系!& \; G7 V6 r3 Z5 e# w* J  G
xiayongjun 发表于 2010-1-3 13:39 http://www.3dportal.cn/discuz/images/common/back.gif

* V' k. m$ ]* M9 B7 m1 }8 l0 |书上只提供了表面光洁度和Rz以及表面光洁度和Ra之间的关系,未提供Ra和Rz之间的关系。表格是自己将两张表格合并而成的,可能会存在问题。待查到了Ra和Rz的对照关系后,再向各位汇报!
发表于 2010-1-3 16:34:31 | 显示全部楼层 来自: 中国江苏无锡
本帖最后由 xiayongjun 于 2010-1-3 16:55 编辑 + ?1 b" t8 \  W, U# |
楼上的,你也别光说别人的不对,讲出你的道理吧
) f, H5 F: W" [; D0 R2 w; Zsiemens70 发表于 2010-1-3 16:04 http://www.3dportal.cn/discuz/images/common/back.gif
6 P! R* V2 w$ r
具体Ra、Rz如何转化我没找到这方面的材料,车间的师父问过我!但是这个图中表格数据和图表下面的解释有矛盾,请版主看一下图!按照表格中的数据可以推出:Rz=8Ra,而图表给出的解释是:“Rz6.3以下Ra=Rz/8,在Rz6.3以上,Ra=Rz/4...... ”其中的举例“Rz320对应为80”也与表格数据相矛盾,表中Rz400对应Ra50!
/ S% A* Z( v. ^! v; n/ h参照gaoyns的回答,估计公式是对的!
3 v. f+ J: e8 g5 z3 D& C$ g- H同时参考:http://www.3dportal.cn/discuz/viewthread.php?tid=845142&page=1#pid4376052
发表于 2010-1-3 19:03:19 | 显示全部楼层 来自: 中国上海
具体Ra、Rz如何转化我没找到这方面的材料,车间的师父问过我!但是这个图中表格数据和图表下面的解释有矛盾,请版主看一下图!按照表格中的数据可以推出:Rz=8Ra,而图表给出的解释是:“Rz6.3以下Ra=Rz/8,在Rz6. ...
. Q8 _$ c3 p& h: jxiayongjun 发表于 2010-1-3 16:34 http://www.3dportal.cn/discuz/images/common/back.gif

5 v' b9 ~+ g, A; x; m/ P( W2 @; u: J/ p, A

& ?; {3 |9 H1 V1 K/ o" A引用楼主的帖子,如果下图所示,我是否可以理解为用去除材料的方法,Ra12.5~Ra20um
5555.jpg
发表于 2010-1-3 19:50:17 | 显示全部楼层 来自: 中国江苏无锡
本帖最后由 xiayongjun 于 2010-1-3 19:51 编辑
9 q5 ^* ]# o; Q8 ?$ ~* o* v1 z8 M6 S, _" J& S0 V2 I8 o
10# siemens70 8 w( r% z# P7 H* {
我觉得应该是Ra=25~ 40 um,下图截至gaoyns在http://www.3dportal.cn/discuz/viewthread.php?tid=845142&page=1#pid4376052这个帖子中的帮助。
QQ截图未命名.png
发表于 2010-1-3 20:16:17 | 显示全部楼层 来自: 中国上海
谢谢楼主的指正,呵呵
发表于 2010-1-3 21:33:40 | 显示全部楼层 来自: 中国上海
本帖最后由 schjie 于 2010-1-3 21:52 编辑
8 _# K3 m% q) Y' U9 p- b, b
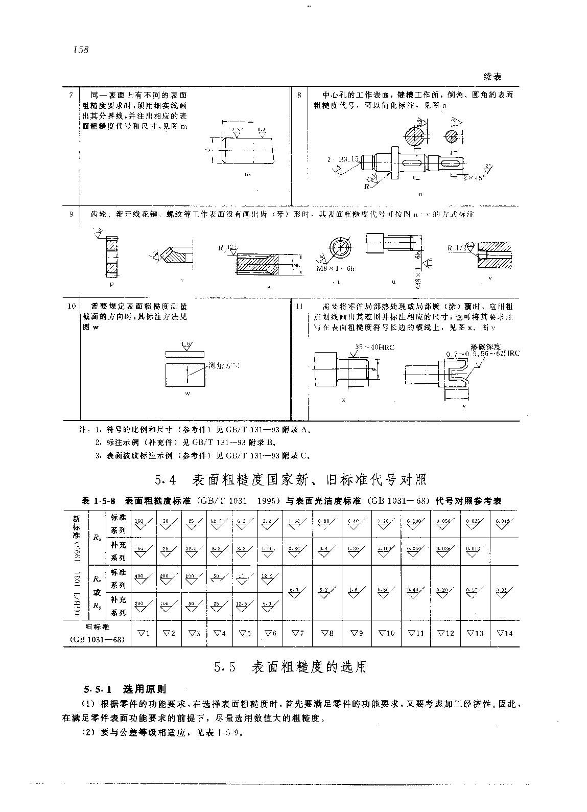
$ I  B! {) m; R在吴宗泽编著《机械设计实用手册》(第二版,化学工业出版社,2003年10月出版)中,第158页有这样一张表——
! `& ?' W. B, v. Y/ _& T# F“表面粗糙度标准(GB/T 1031-1995)与表面光洁度标准(GB1031-68)代号对照参考表”,可以供参考。不过,自己也没有完全理解,还望高人指点。
页面提取自- 机械设计实用手册 第二版.jpg
发表回复
您需要登录后才可以回帖 登录 | 注册

本版积分规则


Licensed Copyright © 2016-2020 http://www.3dportal.cn/ All Rights Reserved 京 ICP备13008828号

小黑屋|手机版|Archiver|三维网 ( 京ICP备2023026364号-1 )

快速回复 返回顶部 返回列表