QQ登录

只需一步,快速开始

登录 | 注册 | 找回密码

三维网

 找回密码
 注册

QQ登录

只需一步,快速开始

展开

通知     

查看: 2474|回复: 7
收起左侧

[求助] 为什么压力表老是爆表

[复制链接]
发表于 2009-12-22 21:11:41 | 显示全部楼层 |阅读模式 来自: 中国湖北武汉

马上注册,结识高手,享用更多资源,轻松玩转三维网社区。

您需要 登录 才可以下载或查看,没有帐号?注册

x
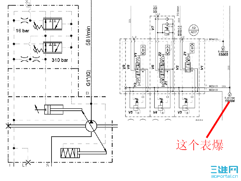
有台工程钻机,采用rexroth A10VO提供控制油,泵的最高压力设定为310Bar,压差设定为16bar,泵的出口装有测量压力表,原先量程为400bar,结果老爆表,改为600bar压力表,还是爆,有点搞不明白。请问各位大虾,会是什么原因导致的呢,A10V的泵压力根本就上不到400bar阿,泵的压力取决于Ls压力,莫非哪个负载瞬间压力极大?请帮忙分析一下。
示意图.png
发表于 2009-12-22 21:32:21 | 显示全部楼层 来自: 中国四川成都
是不是压力波动太大了,装个缓冲器看看
发表于 2009-12-23 09:12:33 | 显示全部楼层 来自: 中国河北秦皇岛
我们有个机器也总爆,是在泵出口,压力280bar,A4V的泵,泵出口就是软管% {1 [. g" P9 {  d1 r
按道理软管能吸收一定的压力冲击,可总是爆,40的,60的都爆。后来干脆不装表了
发表于 2009-12-23 10:54:21 | 显示全部楼层 来自: 中国上海
应该是有很大的压力冲击!!!9 ?  |9 I. B) Q( j0 m( C2 T8 E
而且这个压力冲击还不小!建议压力表前加阻尼!
% u# [3 Z  I4 A/ c- k4 P/ E
" y# d2 j- t' [以前有个系统上有用传感器,系统压力才160bar,结果也出现了压力传感器损坏,我们检查后发现是冲击冲坏的!( H+ h/ Y' U0 Z; _$ \. P& u
后来我们就用仪器在他们的系统上测试峰值压力和压力冲击,结果在某换向阀换向的时候,我们捕捉到0.1ms的900多bar的压力冲击!!!
- t2 @5 M  Z% [- l8 h  Y; y9 ]1 `: R7 s
8 \- Y$ e! ~4 A$ P3 e+ D5 ^- P; Y, D后来我们给他们装了阻尼后,就再也没有出现过这个问题!

评分

参与人数 1三维币 +5 收起 理由
46792974 + 5 应助

查看全部评分

发表于 2009-12-23 11:54:17 | 显示全部楼层 来自: 中国辽宁鞍山
压力冲击过大造成的大概
发表于 2009-12-23 12:30:49 | 显示全部楼层 来自: 中国江苏徐州
压力表接头有专门的专用接头,这种接头就带有阻尼片,论坛内有这种接头图片。另外压力表上端橡胶塞在使用前应扎个针孔。
发表于 2009-12-23 18:44:04 | 显示全部楼层 来自: 中国江苏苏州
LZ,我也是作钻机的,能否把您的液压原理图发来给我看看。% ^& d! t1 o$ }1 Q8 O

1 e8 F' Z4 k9 N. |* v% E" d8 htydsuqian@sina.com- Z) W5 X+ P7 E' f7 E3 M
希望能与您交个朋友!!也希望能帮助您解决这个问题
发表于 2009-12-23 20:12:08 | 显示全部楼层 来自: 中国上海
你的表是什么品牌的,一般的表都是带缓冲的,应该不会有问题。建议使用可靠的一点的品牌。
发表回复
您需要登录后才可以回帖 登录 | 注册

本版积分规则


Licensed Copyright © 2016-2020 http://www.3dportal.cn/ All Rights Reserved 京 ICP备13008828号

小黑屋|手机版|Archiver|三维网 ( 京ICP备2023026364号-1 )

快速回复 返回顶部 返回列表