QQ登录

只需一步,快速开始

登录 | 注册 | 找回密码

三维网

 找回密码
 注册

QQ登录

只需一步,快速开始

展开

通知     

查看: 1639|回复: 5
收起左侧

[求助] 关于高压水的保压

[复制链接]
发表于 2009-12-12 22:23:50 | 显示全部楼层 |阅读模式 来自: 中国浙江杭州

马上注册,结识高手,享用更多资源,轻松玩转三维网社区。

您需要 登录 才可以下载或查看,没有帐号?注册

x
各位大师:" l( ?3 B4 N. e1 O  I* t- Q9 n% L
    我公司现正自制一台高压水管爆破测试设备,其中有一个步骤是将水加压到一定高压(约150Mpa)之后要对其保压一定时间。加压到150Mpa没问题,问题出现在一停止加压,密闭容器内的水压马上就降下来了,无法保压。现在我们使用了常规的液压保液压元件及自制的保压单向阀都起不到保压的作用。不知哪位仁兄有这方面的经验请指点小弟一二,在此感谢不尽。
发表于 2009-12-12 22:53:55 | 显示全部楼层 来自: 中国湖北孝感
水的粘度这么小 保压是很困难  关注此贴
发表于 2009-12-13 10:06:54 | 显示全部楼层 来自: 中国上海
不补充高压水要实现水保压是比较困难的。
; Y" G- B- Z; [2 f2 K遇到过一个系统,也是钢管的水压试验用的,它的设计思路是三个比例减压阀用于增压(增压缸的液压一侧),当压力达到设定压力的95%时,关闭其中的两个比例减压阀,剩余一个比例减压阀用于继续增压和达到压力后的保压。这个思路可以供参考。
# b: g' q1 w& V; G也可以采用伺服阀控制增压缸的压力。
发表于 2009-12-13 11:45:40 | 显示全部楼层 来自: 中国内蒙古包头
遇到过一个是用比例溢流阀来控制的
发表于 2009-12-13 11:57:19 | 显示全部楼层 来自: 中国内蒙古包头
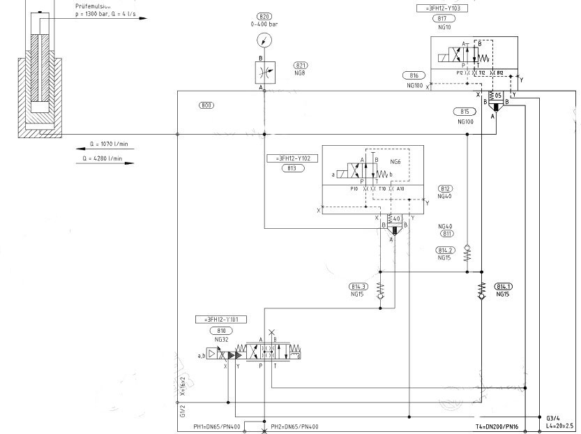
用伺服阀控制的
未命名.jpg
发表于 2009-12-13 12:22:13 | 显示全部楼层 来自: 中国辽宁本溪
请求楼上上传全图。3 \" x5 Q% r0 N# m7 X
谢谢。
发表回复
您需要登录后才可以回帖 登录 | 注册

本版积分规则


Licensed Copyright © 2016-2020 http://www.3dportal.cn/ All Rights Reserved 京 ICP备13008828号

小黑屋|手机版|Archiver|三维网 ( 京ICP备2023026364号-1 )

快速回复 返回顶部 返回列表