QQ登录

只需一步,快速开始

登录 | 注册 | 找回密码

三维网

 找回密码
 注册

QQ登录

只需一步,快速开始

展开

通知     

全站
9天前
查看: 1332|回复: 3
收起左侧

[已解决] 请教关于图纸的问题

[复制链接]
发表于 2009-12-11 14:01:56 | 显示全部楼层 |阅读模式 来自: 中国江苏无锡

马上注册,结识高手,享用更多资源,轻松玩转三维网社区。

您需要 登录 才可以下载或查看,没有帐号?注册

x
本帖最后由 niao_csu 于 2010-3-1 12:49 编辑
: v0 J6 M/ g" l1 |& `
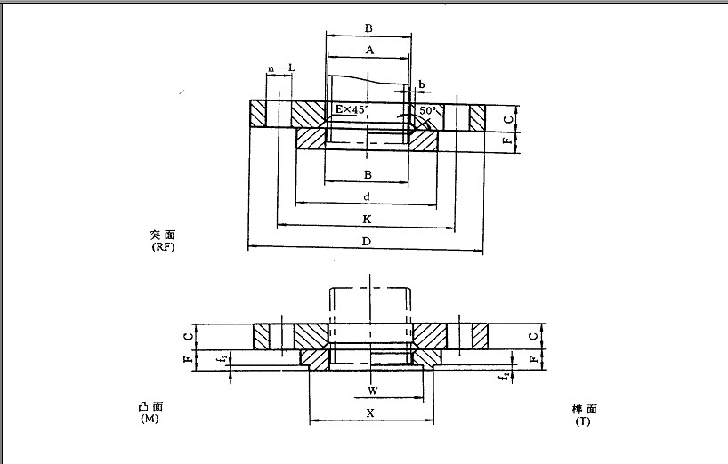
6 g8 r5 o% Q1 g+ s) M# E只看图纸上面的规格,下面的不是" V, @7 {' Z% K  }$ D3 y" q* z

% k, |2 `! I' @8 Y. `+ a% C1 z客户要求环(下面那个没有螺栓孔的)的密封面加工螺纹水线,6 A3 F% N! O# v8 t. q( V
请问,法兰的密封面指的是上下之间的夹缝处吗?& d7 y9 X) ^1 _( ^( ]( ^# ?9 }
另外问一句,下面那个环的底面有可能是密封面吗?0 }' t; m1 y* Z9 F5 r
就不知道到底是环的上面还是下面
HG20600标准.jpg
发表于 2009-12-11 14:41:50 | 显示全部楼层 来自: 中国上海
当然是下面的面啦,就是法兰连接时夹住密封圈的那个面。(法兰的密封面都是指与密封圈接触的这个表面)。环上面的面(尺寸C和F的分界线)又不接触流体,不需要密封,要水线干吗。
头像被屏蔽
发表于 2009-12-11 15:30:03 | 显示全部楼层 来自: 中国辽宁丹东
提示: 作者被禁止或删除 内容自动屏蔽
发表于 2009-12-11 16:48:58 | 显示全部楼层 来自: 中国北京
下面那个环的底面就是密封面,现在要求加工水仙的比较少了,总用不太大。水线是取消的趋势
发表回复
您需要登录后才可以回帖 登录 | 注册

本版积分规则


Licensed Copyright © 2016-2020 http://www.3dportal.cn/ All Rights Reserved 京 ICP备13008828号

小黑屋|手机版|Archiver|三维网 ( 京ICP备2023026364号-1 )

快速回复 返回顶部 返回列表