QQ登录

只需一步,快速开始

登录 | 注册 | 找回密码

三维网

 找回密码
 注册

QQ登录

只需一步,快速开始

展开

通知     

查看: 2274|回复: 21
收起左侧

[求助] 大家说说这个系统能保压吗?

[复制链接]
发表于 2009-12-2 16:20:14 | 显示全部楼层 |阅读模式 来自: 中国北京

马上注册,结识高手,享用更多资源,轻松玩转三维网社区。

您需要 登录 才可以下载或查看,没有帐号?注册

x
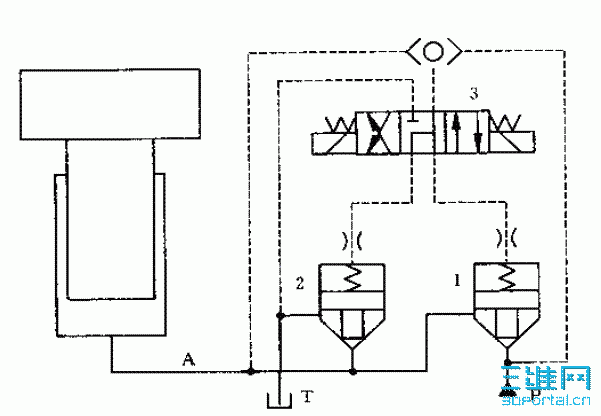
http://file:///C:/Documents%20and%20Settings/sen/%E6%A1%8C%E9%9D%A2/%E6%9C%AA%E5%91%BD%E5%90%8D.GIFhttp://file:///C:/Documents%20and%20Settings/sen/%E6%A1%8C%E9%9D%A2/%E6%9C%AA%E5%91%BD%E5%90%8D.GIF这个系统在中间位置停留时会不会从A腔向T腔内泄呢?能保压吗?
未命名.GIF
发表于 2009-12-2 16:33:55 | 显示全部楼层 来自: 中国北京
没有问题,能够保压。图中所画,T口和A口并没有接通。只有有黑点的交点处才连通。
 楼主| 发表于 2009-12-2 16:38:23 | 显示全部楼层 来自: 中国北京
不能吧,插装阀的2个腔A和B之间是滑动密封,当A点压力高时,油液会从插装阀的A腔(A点)经C腔(弹簧腔)向B(T)腔内泄。
发表于 2009-12-2 17:28:35 | 显示全部楼层 来自: 中国湖南株洲
可以。。。。。。。。
发表于 2009-12-2 18:36:25 | 显示全部楼层 来自: 中国浙江宁波
短时间保压可以,但油缸会因为阀芯的泄漏而缓慢下落,关键取决于二通插装阀的渗漏水平;
发表于 2009-12-2 18:44:11 | 显示全部楼层 来自: 中国四川成都
在各部密封理想的情况下可以保压。
发表于 2009-12-2 19:17:03 | 显示全部楼层 来自: 中国辽宁大连
我觉得应该可以
发表于 2009-12-2 22:11:27 | 显示全部楼层 来自: 中国山东济南
原帖由 yjsss 于 2009-12-2 16:38 发表 http://www.3dportal.cn/discuz/images/common/back.gif! [+ E; _7 Z6 I  H4 K& j( g
不能吧,插装阀的2个腔A和B之间是滑动密封,当A点压力高时,油液会从插装阀的A腔(A点)经C腔(弹簧腔)向B(T)腔内泄。
, Q, e# R% ]# O8 o. ~
( g0 C5 j4 e5 j* T
A、B腔是线密封7 a4 E" }" q( N4 m4 F: j- m+ z
B、C腔是滑动密封5 b; w" e" n" w; e: H, ~

6 y* N8 X- Q6 U1 z' Z/ d9 {4 L[ 本帖最后由 cn_young 于 2009-12-2 22:20 编辑 ]
 楼主| 发表于 2009-12-2 22:11:44 | 显示全部楼层 来自: 中国北京
“短时间保压可以,但油缸会因为阀芯的泄漏而缓慢下落,关键取决于二通插装阀的渗漏水平;”我同意,但是版主怎么说可以呀。
 楼主| 发表于 2009-12-2 22:15:28 | 显示全部楼层 来自: 中国北京
原帖由 cn_young 于 2009-12-2 22:11 发表 http://www.3dportal.cn/discuz/images/common/back.gif
6 k( }5 _: e0 R; _/ {' ~$ u: j
0 F* o( J5 a# m: S
A、B腔是线密封

8 ?% {7 C( }0 F% D是呀,但是C腔与B腔是滑动密封,而不是AB之间的线密封呀。
 楼主| 发表于 2009-12-3 20:35:02 | 显示全部楼层 来自: 中国北京
有高手吗?
发表于 2009-12-3 20:49:51 | 显示全部楼层 来自: 中国江苏镇江
没问题,可以保压
发表于 2009-12-3 21:01:18 | 显示全部楼层 来自: 中国山东济南
原帖由 sealive_leafage 于 2009-12-2 18:36 发表 http://www.3dportal.cn/discuz/images/common/back.gif
$ K% M. i' u/ P* |. c% r: U短时间保压可以,但油缸会因为阀芯的泄漏而缓慢下落,关键取决于二通插装阀的渗漏水平;

$ E  V; `, O# O3 b  n: h
8 G" c' y6 y& X9 r. U先导滑阀是泄漏最多的地方
3 Y: X8 ?# a0 c3 k3 D9 V1 |插件和阀套由于封油长度长好一些
 楼主| 发表于 2009-12-4 07:30:58 | 显示全部楼层 来自: 中国北京
原帖由 cn_young 于 2009-12-3 21:01 发表 http://www.3dportal.cn/discuz/images/common/back.gif6 B% Q. l) ^* ^

  ~7 r: c: Q7 C& m( a7 \) b" f; X* E! d8 W
先导滑阀是泄漏最多的地方
' M, `8 {' L1 u5 J插件和阀套由于封油长度长好一些

9 f1 r( N8 r/ e, }" a) J. f3 F9 q: c6 l, ?% O
学习了,
发表于 2009-12-4 16:48:23 | 显示全部楼层 来自: 中国河南安阳
关键看你要保压多长时间,我所在单位就应用到你上面的结构,一般情况下,保压效果还是不错的.
发表于 2009-12-4 19:57:50 | 显示全部楼层 来自: 中国广东广州

没有问题,能够保压

:lol:
发表于 2009-12-4 21:49:30 | 显示全部楼层 来自: 中国北京
从原理上是可以保压的
发表于 2009-12-4 22:04:39 | 显示全部楼层 来自: 中国浙江湖州
这种结构原则上来讲是叫封闭.就算插件不打开泄漏,先导换向滑阀总存在泄漏,所以不能保压.如果要保压的话,插件2要用电磁球阀作先导.
发表于 2009-12-4 23:56:58 | 显示全部楼层 来自: 中国广东广州
这还要看阀1的油源的情况, M5 o! g5 P( V
如果保压阀1的压力大于负载压,没问题8 V8 \7 K3 q$ `. E
否则会非常缓慢的下降,但对插装阀,这种下降很慢啦,至少也是个DN16,流量很大的
发表于 2009-12-5 16:42:02 | 显示全部楼层 来自: 中国四川成都
只能短时间保压,首先先导阀3的滑阀是有内泄漏的,插装阀的B腔至C腔也是滑阀结构,保压时间是由你的滑阀内泄漏量来决定的
发表于 2009-12-5 18:49:54 | 显示全部楼层 来自: 中国河南新乡
不能保压。$ b& `$ r6 o5 D( o# J" _* L( z! {
由于梭阀的作用使得A腔的油路与换向阀接通,由于换向阀的泄露,同时两个二通插装阀中也存在着滑动密封。
发表于 2009-12-5 22:11:35 | 显示全部楼层 来自: 中国山东济南
效果不好,要保压最好油缸出口就是锥型密封类的元件,滑阀很难
发表回复
您需要登录后才可以回帖 登录 | 注册

本版积分规则


Licensed Copyright © 2016-2020 http://www.3dportal.cn/ All Rights Reserved 京 ICP备13008828号

小黑屋|手机版|Archiver|三维网 ( 京ICP备2023026364号-1 )

快速回复 返回顶部 返回列表