QQ登录

只需一步,快速开始

登录 | 注册 | 找回密码

三维网

 找回密码
 注册

QQ登录

只需一步,快速开始

展开

通知     

查看: 3286|回复: 17
收起左侧

[讨论] 如何标注相同的结构要素

[复制链接]
发表于 2009-11-28 14:26:59 | 显示全部楼层 |阅读模式 来自: 中国北京

马上注册,结识高手,享用更多资源,轻松玩转三维网社区。

您需要 登录 才可以下载或查看,没有帐号?注册

x
在一个零件中,有些相同的结构要素,比如说内圆角R2吧。如果一个零件总共就10个R2,在主视图中可以看到4个,俯视图里可以看到6个。那么应该怎么标注呢?
0 G- Q  O3 w+ }. W- m4 p7 I是:1.在其中一个视图里标注成10-R2;8 v9 b/ h+ }9 j3 E5 C/ ]* _( N  H9 J
       2.在主视图里标注4-R2,俯视图里标注成6-R2?, L* v# c9 _2 `4 A7 P$ A
! D# x; f# W) s
大家一般用哪种方法?说一下原因
发表于 2009-11-28 15:41:10 | 显示全部楼层 来自: 中国山西太原
1  这个多处R2就不要在图中标注了,其它尺寸的圆角半径标注。在技术要求中写一条“其余未注圆角半径均为R2”。2 ^8 n3 y6 _4 R1 ^9 ?% t* {
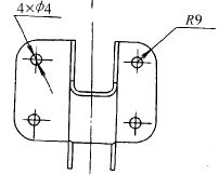
2  如下图那样,一看便知4个圆弧一样,可只标一处。
5 ~: p, X% e! A4 }7 |0 z像楼主说的那样简化标注方法在机械制图标准中没有,这几处在哪里也不一定清楚。% {+ s: b" D+ X7 {

$ u& M2 |+ P5 P[ 本帖最后由 gaoyns 于 2009-11-28 16:03 编辑 ]
相同圆弧标注1.jpg

评分

参与人数 1三维币 +2 收起 理由
天际孤帆 + 2 技术交流

查看全部评分

发表于 2009-11-28 16:13:08 | 显示全部楼层 来自: 中国山东烟台
2楼意见很对,清晰明了
发表于 2009-11-28 19:39:26 | 显示全部楼层 来自: 中国福建厦门
应该“在主视图里标注4-R2,俯视图里标注成6-R2”
发表于 2009-11-28 19:56:17 | 显示全部楼层 来自: 中国上海
如果在同一个视图里,可以很明显的看出几处圆角R相同,可以标注N—R--,如果不能明显的分别出N个R在什么地方,是不可以标注成N—R--的;不同的视图中也是不可以合并标注的;如果所有视图图中存在很多相同的圆角,可以在把不同尺寸的圆角标注后,如2楼所说,在技术要求里写上未注圆角R--,但也只限于要求不严格的圆角。

评分

参与人数 1三维币 +2 收起 理由
天际孤帆 + 2 技术交流

查看全部评分

发表于 2009-11-28 19:56:19 | 显示全部楼层 来自: 中国安徽马鞍山
我认为分别标注,不应该在一处标,要在技术要求里注明要视整个图纸的情况而定不能盲从。
 楼主| 发表于 2009-11-28 20:38:21 | 显示全部楼层 来自: 中国北京
当年我的领导要求我用第1中注法,说制造者自然回去数到底有多少个的;
4 o& _& u" ^- |4 r" j3 R而我凭自己感觉,觉得第2种注法更适合于理解。但是一直没有找到相应的标准规定。一直心存疑惑。$ S  @  m; |& P
希望谁能找出好的依据出来,终结这个讨论。
发表于 2009-11-28 20:44:08 | 显示全部楼层 来自: 中国广东广州
5楼的说法合情合理,我比较赞同。有时候会不会有一种约定俗成的习惯呢?
发表于 2009-11-28 22:12:00 | 显示全部楼层 来自: 中国江西九江
2.在主视图里标注4-R2,俯视图里标注成6-R2。
! Q0 K' M1 n/ t
$ J, W$ e3 f+ |, m3 E& ?8 N) g方便识图
# W% `5 A4 ^0 D0 y$ w0 Z" U, P+ z& g! L9 e8 m
[ 本帖最后由 asdolmlm 于 2009-11-28 22:13 编辑 ]
发表于 2009-11-29 21:59:59 | 显示全部楼层 来自: 中国广东深圳
技术要求中写名就行了
发表于 2009-12-26 15:52:21 | 显示全部楼层 来自: 中国江苏镇江
在未注圆角里写明
发表于 2009-12-26 16:29:27 | 显示全部楼层 来自: 中国河北石家庄
楼上高见。。。。多谢!
发表于 2009-12-26 17:33:20 | 显示全部楼层 来自: 中国江苏南京
呵呵 主图6-R2 俯视图4-R2
发表于 2009-12-26 17:49:28 | 显示全部楼层 来自: 中国山西晋中
其余未注圆角半径均为R2
发表于 2009-12-26 23:13:28 | 显示全部楼层 来自: 中国四川广安
赞同在技术要求中标注未注圆角均为R2,简单明了
 楼主| 发表于 2009-12-31 12:31:35 | 显示全部楼层 来自: 中国北京
赞同在技术要求中标注未注圆角均为R2,简单明了
* W' C% v0 ?, b! g) _0 ^0 o( v672623990 发表于 2009-12-26 23:13 http://www.3dportal.cn/discuz/images/common/back.gif

# T2 q) M* ]. @2 b
) j0 N6 G7 X; u: G' O0 L我是说相同的结构要素,以圆角来打比方。
* ]4 D1 m- r9 a+ M, W不是说标圆角而已。6 R7 r- F1 u+ K" s

  F3 K; O" }+ b4 v2 G$ N$ Q澄清一下啊
发表于 2009-12-31 12:44:10 | 显示全部楼层 来自: 中国广东深圳
在平时制图中,有较多相同结构要素的,我一般在技术要求上写明。
发表于 2009-12-31 15:44:33 | 显示全部楼层 来自: 中国山西晋中
形状尺寸相同的可以直接省略标注。
发表回复
您需要登录后才可以回帖 登录 | 注册

本版积分规则


Licensed Copyright © 2016-2020 http://www.3dportal.cn/ All Rights Reserved 京 ICP备13008828号

小黑屋|手机版|Archiver|三维网 ( 京ICP备2023026364号-1 )

快速回复 返回顶部 返回列表