|
|

楼主 |
发表于 2009-11-23 09:25:26
|
显示全部楼层
来自: 日本
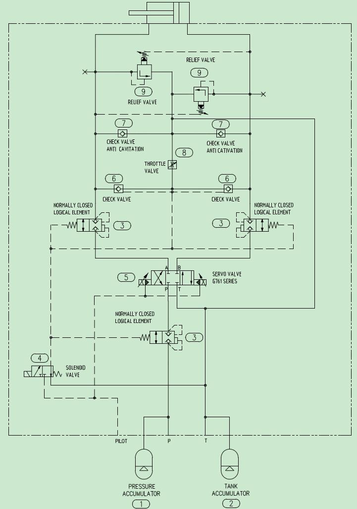
我也谈一下,自己对这个油路图的看法。
# r# Z3 i& W* s8 ]. I& g P9-主要是起到一个在高压情况下的泄压作用。以保证活塞杆的力不会太大,破坏测试件。我在想是不是有更简单的方法实现过载保护功能,而不采用两个溢流阀。比如采用一个压力开关,当压力过大,自动开闸泄油。0 H7 X+ e0 `3 E0 k* ?1 {8 ]8 t; @
7-这两个单向阀主要是当油缸内一侧压力低于大气压的时候,可以从油箱中引油填补到油缸里。
1 n- {2 u+ x$ L) _: H" j3 A4 p4 ?8-这个调节阀的作用是在泄油时,可以调节泄油的流量。以至于不会过快的把油泄完,从而也保护了测试的样件。6 O( a% N+ L; h6 x% L
6-这两个单向阀有两个作用。在异常情况下,3关闭,先导油泄油,上面的高压油就可以从这两个单向阀泄油到油箱。在正常情况下,由于先导油的作用,保证这两个单向阀始终关闭,从而保证两边油路是隔离的,活塞杆就可以往复运动。
, M: p- {+ }# Z1 V' {3-就是起到一个隔离保护伺服阀的作用。我也在想是不是可以用更简单的来实现,比如采用液控单向阀或其他的。
. y4 C# j5 h+ P' Z: `# u, @4-电磁阀控制3个逻辑元件开关。: z4 @$ c/ _3 g: c" q, ~
1 t/ j' G6 ~. {- b$ L这个油路图相对而言是比较复杂的。而实际要实现的功能就是高压泄油,活塞杆可以正常往复运动。其他的基本不需要考虑。所以这个油路图是可以再简化一下的。 |
|