QQ登录

只需一步,快速开始

登录 | 注册 | 找回密码

三维网

 找回密码
 注册

QQ登录

只需一步,快速开始

展开

通知     

查看: 1797|回复: 7
收起左侧

[求助] 液压仿真问题

[复制链接]
发表于 2009-11-13 13:36:55 | 显示全部楼层 |阅读模式 来自: 中国湖南衡阳

马上注册,结识高手,享用更多资源,轻松玩转三维网社区。

您需要 登录 才可以下载或查看,没有帐号?注册

x
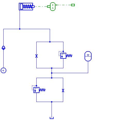
我有一个液压回路的仿真问题,液压回路如下图,泵的仿真结果不能将压力升到我的设定值,如论怎样设置都是0,在这个回路中,不可设置常规的泵+电机+溢流阀来组成泵源,因为泵的出口和单向阀有时序冲突。用图示的泵源也不能很好的解决高压油源的问题。请高手帮我解难,问题出在哪里
* s8 v: ], G  d) E/ G yeya.JPG
发表于 2009-11-13 15:02:05 | 显示全部楼层 来自: 中国内蒙古呼和浩特
你的图有问题吧,这市什么原理图啊,怎么有这样的画法啊,奇怪,图中的溢流阀怎么有2个,你达不到压力,原因在于你没有负载;解释一下原理图吧,图中的溢流阀和阻尼工的作用组合是不是用来制动的啊???好好看看," N) Q7 @* L: q0 Q$ D
2 d' C" W3 Q3 u! V$ J$ H1 a+ S
  另外建议你这样提问:" V9 l* o* J* s4 h: V
1、先解释你的原理图的用途,工作原理
4 k0 W  ?1 I* s* O+ w/ {* t2、说明你的问题

评分

参与人数 1三维币 +2 收起 理由
柠檬咖啡 + 2 积极应助

查看全部评分

 楼主| 发表于 2009-11-13 17:11:40 | 显示全部楼层 来自: 中国湖南衡阳
原理图是老外的一个缓冲液压回路,油缸有个外负载,我在这用弹簧来替代,P是系统油源,提供100bar的恒压油源,两个节流阀的节流孔径不一样,上面那个是2mm,下面那个是7mm,我的问题就是p油源参数设定在100bar时,仿真结果的plot输出仅为零?如果换成泵+电机+溢流阀的符号时,泵的出口与单向阀连接系统有报警提示:泵的出口和单向阀的连接有相序冲突,不能通过系统验证。我的问题是图中所示的泵符号如何设定参数?泵+电机+溢流阀为何与单向阀有相序冲突?
发表于 2009-11-13 20:49:48 | 显示全部楼层 来自: 中国广东广州
关于你的压力为什么是零,2楼 已经说的很清楚了.因为没有负载,油直接从两个节流阀回油箱了,如果有压力,那是那两个节流阀的压力降.
+ N; G" i5 z2 s  c8 l6 J: z0 I( Z% s/ @0 [  r$ u6 T' C7 A9 |
你把本来的原理图发上来,可以帮你1 c% ^9 j5 ]( }
8 z5 P- F4 ]# c, Z$ I5 w1 T
[ 本帖最后由 sailor_ 于 2009-11-13 22:19 编辑 ]
发表于 2009-11-13 21:04:26 | 显示全部楼层 来自: 中国辽宁沈阳
相序冲突,AMEsim 好像规定两个节流孔不能串联吧,记不太清楚了,好像在哪看过。
发表于 2009-11-13 22:24:37 | 显示全部楼层 来自: 中国广东广州

回复 5# hlleo 的帖子

他图中的两个节流阀是可以串联的
* q7 ~* i0 D7 m; o2 I; C% v* O我用这个图仿真了一下,用电机+泵+溢流阀,没什么error.出口压力也不是零.
发表于 2009-11-16 21:29:59 | 显示全部楼层 来自: 中国内蒙古呼和浩特
你原理图在简化为amesim模型过程中存在错误,你最好发一下你原来的原理图
发表于 2009-11-19 16:44:52 | 显示全部楼层 来自: 中国江苏徐州
你建立的Amesim模型有点问题
发表回复
您需要登录后才可以回帖 登录 | 注册

本版积分规则


Licensed Copyright © 2016-2020 http://www.3dportal.cn/ All Rights Reserved 京 ICP备13008828号

小黑屋|手机版|Archiver|三维网 ( 京ICP备2023026364号-1 )

快速回复 返回顶部 返回列表