QQ登录

只需一步,快速开始

登录 | 注册 | 找回密码

三维网

 找回密码
 注册

QQ登录

只需一步,快速开始

展开

通知     

查看: 1622|回复: 2
收起左侧

[求助] 链轮的LX是怎么算的,

[复制链接]
发表于 2009-11-12 19:42:51 | 显示全部楼层 |阅读模式 来自: 中国浙江绍兴

马上注册,结识高手,享用更多资源,轻松玩转三维网社区。

您需要 登录 才可以下载或查看,没有帐号?注册

x
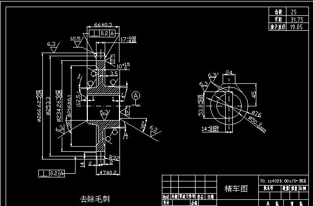
数据参数是齿顶直径是266.62,中经是253.3,齿根直径是234.26,25个齿,节距是31.75,滚子直径是19.05,我要求算LX的尺寸,老大说是233.6丝我画出来的是233.8,下差都是20丝。自己套机械设计算的话那个参数跟这个就更不一样了,为什么啊,大家怎么算的啊,有没有计算公式,
123.jpg
发表于 2009-11-12 20:16:51 | 显示全部楼层 来自: 中国上海
这个可能是计算取值精度造成的。
9 L. n3 W* M+ @) d3 b) ZLX大至就是233.8/ L' w; M3 E- {3 E9 }8 F
(奇数齿)最大齿根距离LX=分度圆直径×COS(90/齿数)-配用滚子外径
6 @. B6 I, }5 ?; l9 ~(奇数齿)最大齿根距离LX=(节距/SIN(180/齿数))×COS(90/齿数)-配用滚子外径

评分

参与人数 1三维币 +3 收起 理由
hero2006 + 3 技术讨论

查看全部评分

 楼主| 发表于 2009-11-12 20:55:41 | 显示全部楼层 来自: 中国浙江绍兴
谢谢你,我的机械手册是奇数齿)最大齿根距离LX=分度圆直径×COS(180/齿数)-配用滚子外径( s1 g4 b+ B; L1 v0 W* x7 ~9 ?
错了,再次感激下,谢谢
发表回复
您需要登录后才可以回帖 登录 | 注册

本版积分规则


Licensed Copyright © 2016-2020 http://www.3dportal.cn/ All Rights Reserved 京 ICP备13008828号

小黑屋|手机版|Archiver|三维网 ( 京ICP备2023026364号-1 )

快速回复 返回顶部 返回列表