QQ登录

只需一步,快速开始

登录 | 注册 | 找回密码

三维网

 找回密码
 注册

QQ登录

只需一步,快速开始

展开

通知     

查看: 1652|回复: 16
收起左侧

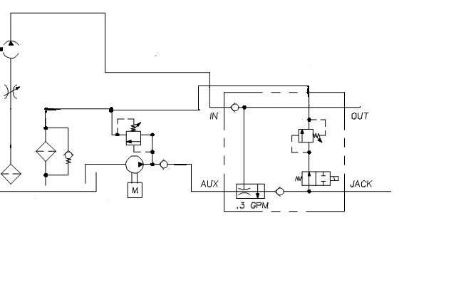
[求助] 大家帮忙看看这个是什么阀?

[复制链接]
发表于 2009-11-11 16:47:50 | 显示全部楼层 |阅读模式 来自: 中国江苏无锡

马上注册,结识高手,享用更多资源,轻松玩转三维网社区。

您需要 登录 才可以下载或查看,没有帐号?注册

x
三维求助.JPG 7 I# i5 Q& {2 ^( g& E: ^
未命名.JPG 0 c( `+ z& P9 i, s/ W

, n) D) ^6 g+ g# A[ 本帖最后由 afei229 于 2009-11-12 08:53 编辑 ]
发表于 2009-11-11 22:09:21 | 显示全部楼层 来自: 中国山西大同
哪个国家的产品?8 ^, ^6 o" ]. ~+ m
是溢流节流阀?还是流量优先阀?说不清。
发表于 2009-11-12 08:40:14 | 显示全部楼层 来自: 中国广东深圳
按图纸的位置来看,应该是节流阀,但符号有点对不上。
 楼主| 发表于 2009-11-12 08:54:18 | 显示全部楼层 来自: 中国江苏无锡

回复 2# haoyunlai 的帖子

是美国的产品!
发表于 2009-11-12 09:19:00 | 显示全部楼层 来自: 中国山东
符号应该是个三通调速阀。用于什么场合的?
发表于 2009-11-12 11:56:21 | 显示全部楼层 来自: 中国四川成都
额 ,学液压这么久第一次见这个符号,我也很想知道到底是个什么阀
 楼主| 发表于 2009-11-12 13:15:34 | 显示全部楼层 来自: 中国江苏无锡

回复 4# afei229 的帖子

是美国一家高空车的原理图!如果是三通调速阀的话那应该有一路泄油啊
发表于 2009-11-14 13:35:03 | 显示全部楼层 来自: 中国北京
给你点CCC的该阀的样本,帮助你理解

BFCV.pdf

439.68 KB, 下载次数: 14

发表于 2009-11-14 13:36:37 | 显示全部楼层 来自: 中国北京
楼主的原理图左侧的泵的吸油口为什么加个节流口呢?
发表于 2009-11-15 22:48:42 | 显示全部楼层 来自: 中国江苏苏州
流量控制阀。它的作用就是当电磁换向阀失电,右边的泵卸荷时保证左边泵的压力不变。
发表于 2009-11-16 13:12:02 | 显示全部楼层 来自: 中国北京
有实物照片吗?
 楼主| 发表于 2009-11-16 13:54:58 | 显示全部楼层 来自: 中国江苏无锡

回复 9# cnyang98 的帖子

谢谢你的资料! 对我理解很有帮助!这是国外的图纸,为什么吸油口加节流阀我也不明白!
 楼主| 发表于 2009-11-16 13:56:24 | 显示全部楼层 来自: 中国江苏无锡

回复 12# WWD101531 的帖子

呵呵!没有实物照片,还在研究别人的图纸呢!
发表于 2009-11-16 14:08:09 | 显示全部楼层 来自: 中国上海
是三通流量调节阀!
发表于 2009-11-16 19:15:38 | 显示全部楼层 来自: 中国辽宁沈阳
优先调速阀,美国伊顿有卖,保证支路有恒定流量,
发表于 2009-11-16 20:02:17 | 显示全部楼层 来自: 中国湖北武汉
名字说不清楚,但作用应该是速度反馈,当主油泵压力下降时,副油泵补油,
发表于 2009-11-17 10:38:28 | 显示全部楼层 来自: 中国辽宁本溪
这是个压力补偿型流量控制阀。
7 a) s9 x9 m& O. |, }流经阀的流量恒定,与系统或负载的压力无关,多余的流量从上面哪个口流出。
( Z1 Z* Y3 l) P: @1 y1.如果上口直接回油箱,那它就是个三通调速阀。多余的流量回油箱
6 T2 ]+ ?% P* r: g% v3 ^2.如果上口与另一个泵合流,那它就是个优先阀(仍然是定差溢流阀原理)。即优先保证下一路的恒流量供应,多余的流量与左泵合流后为其它负载所用(有点象液压转向系统)。
发表回复
您需要登录后才可以回帖 登录 | 注册

本版积分规则


Licensed Copyright © 2016-2020 http://www.3dportal.cn/ All Rights Reserved 京 ICP备13008828号

小黑屋|手机版|Archiver|三维网 ( 京ICP备2023026364号-1 )

快速回复 返回顶部 返回列表