QQ登录

只需一步,快速开始

登录 | 注册 | 找回密码

三维网

 找回密码
 注册

QQ登录

只需一步,快速开始

展开

通知     

查看: 1600|回复: 5
收起左侧

[已答复] 加工轴套零件

[复制链接]
发表于 2009-11-2 09:07:30 | 显示全部楼层 |阅读模式 来自: 中国广东佛山

马上注册,结识高手,享用更多资源,轻松玩转三维网社区。

您需要 登录 才可以下载或查看,没有帐号?注册

x
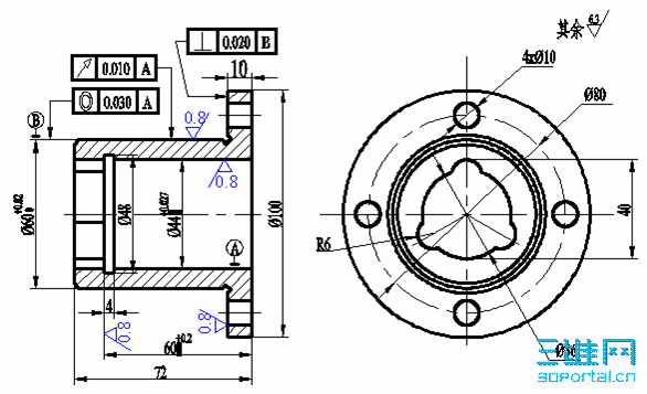
图示轴套零件,中批生产。  
3 ^9 x  F# B* }. b" q$ P材料:45,表面淬火HRC50~55) c3 x& l0 G; @5 i
对零件进行工艺分析,制订该零件的加工工艺过程,并给出每道工序所用到的设备、刀具、夹具、量具。

. e+ W* \: p5 X3 }5 Y
: l. ]) R0 A  f请大家帮忙分析详细些,谢谢!
q2.png
发表于 2009-11-2 16:00:42 | 显示全部楼层 来自: 中国江苏常州
先根据加工工序--磨和车的加工余量给出锻件的尺寸。  ~4 }" k" N' G" s8 z7 h
然后确定每一道工序的加工工艺尺寸
" ~6 I# |0 @1 q8 y% e. m  ?然后一道道的过去
" Q6 p; f) K  W' P7 b2 I- K7 O锻--调质--车,加芯棒车,钻孔--热处理淬火--磨
9 G& p" R9 v. T6 f3 w& u6 j需要钻模和芯棒4 E$ E$ @  P1 h
需要游标卡尺,千分卡,百分表等等。
% R+ b" z$ d% K5 u2 `$ K设备为普通车床和外圆磨床,钻床

评分

参与人数 1三维币 +2 收起 理由
天际孤帆 + 2 技术交流

查看全部评分

发表于 2009-11-3 08:07:41 | 显示全部楼层 来自: 中国上海
原帖由 eastlakewater 于 2009-11-2 16:00 发表 http://www.3dportal.cn/discuz/images/common/back.gif, ]- F" A# u$ b% I
先根据加工工序--磨和车的加工余量给出锻件的尺寸。5 R% B8 B- L/ I+ b, x2 p
然后确定每一道工序的加工工艺尺寸: \  y% ^. w2 Z9 F1 L
然后一道道的过去
9 J2 R7 v/ p3 l, C+ A4 ]5 `9 _锻--调质--车,加芯棒车,钻孔--热处理淬火--磨3 F5 x) [: Q' q7 I8 k- ?7 S
需要钻模和芯棒7 Q9 z; o/ E7 a* P2 `! ?
需要游标卡尺,千分卡,百分表等等。
6 r# {2 t3 ~! a8 _! s2 O# ?...
, n- D- A" [4 q( s- o# Z2 o! x

& F( Z& I1 I- k3 o- V- B补充: 1.3个R3槽需要用铣削加工,设备——立式铣床,刀具——Φ6立铣刀,量具前面已经有了;! D  R! W0 {- e
            2.车削时Φ100处留夹头余量,可不用芯棒,夹Φ100处,一刀下,掉头车去夹头余量,再热处理,再磨;( F( ~1 O5 a8 R  w  h" @# v
            3.内径Φ44最好也磨一下

评分

参与人数 1三维币 +2 收起 理由
天际孤帆 + 2 技术交流

查看全部评分

发表于 2009-11-3 08:10:27 | 显示全部楼层 来自: 马来西亚
1.先用数车把所有的外径,内径和厚度粗车并留0.2内沟和斜沟可车准.) U: O7 p; Q) N: y: e- K
2.再用数洗把内孔轮廓洗准.
4 K4 A& J! }6 X) h7 r$ H" p3.热处理淬火& @/ j( R; |. N5 h$ K( B5 ~9 A+ e! }) R
4.用陶瓷刀片在数车上作精修!
0 p7 H) S6 a2 C2 i% z, A: {, S: y(过程要有一定的经验)!!

评分

参与人数 1三维币 +2 收起 理由
天际孤帆 + 2 技术交流

查看全部评分

发表于 2009-11-3 16:33:09 | 显示全部楼层 来自: 中国北京
下料-打中心孔-粗车外圆100及60-半精车外圆60-粗车内圆44-半精车内圆44-铣三个弧R6-热处理(淬火)-磨外圆60及端面-精磨外圆60及端面-磨内圆44-精磨内孔445 n% r& Z, ^1 l/ I( t
不需要什么特别及车床和磨床,也不需要设计专用的工装夹具

评分

参与人数 1三维币 +2 收起 理由
天际孤帆 + 2 技术交流

查看全部评分

发表于 2009-11-6 16:44:23 | 显示全部楼层 来自: 中国江苏苏州
很奇怪哦,有偷懒的嫌疑啊。
& G) J9 s1 A* y5 P建议招个工艺工程师
发表回复
您需要登录后才可以回帖 登录 | 注册

本版积分规则


Licensed Copyright © 2016-2020 http://www.3dportal.cn/ All Rights Reserved 京 ICP备13008828号

小黑屋|手机版|Archiver|三维网 ( 京ICP备2023026364号-1 )

快速回复 返回顶部 返回列表