QQ登录

只需一步,快速开始

登录 | 注册 | 找回密码

三维网

 找回密码
 注册

QQ登录

只需一步,快速开始

展开

通知     

查看: 2669|回复: 12
收起左侧

[已解决] 现场的液压系统动作转换成原理图

[复制链接]
发表于 2009-10-28 08:25:27 | 显示全部楼层 |阅读模式 来自: 中国山东威海

马上注册,结识高手,享用更多资源,轻松玩转三维网社区。

您需要 登录 才可以下载或查看,没有帐号?注册

x
急需将现场的液压系统动作转换成液压原理图,其实难度不大,只因小弟在这方面不够专业,有劳达人帮忙了!多谢!!!9 q% B) c5 z" B6 f

6 `% N4 R; W6 T4 `7 d
9 }7 _5 W; _- c6 o! A液压站有三位四通阀和两位三通阀各一个,调速阀一个(用于慢进调速),溢流阀等必备元件
* e3 `# V* h2 ], n8 z2 d" x0 M启动开关后,液压站开始向液压系统供油,三位四通阀和两位三通阀得电,液压缸快速工进。到达感应开关1位置时,两位三通阀断电,液压缸慢速工进。到达感应开关2时,两位三通阀和三位四通阀得电换向,液压缸快速工退,工件加工结束。
6 I& @3 f% I" S  \简而言之,三位四通阀和两位三通阀共同作用时液压缸快进、快退,三位四通阀单独作用时液压缸慢进
4 @$ \: H+ R; W7 M' ^8 D1 v9 d3 ]+ I7 G, u; m0 E
[ 本帖最后由 chjq2008 于 2009-10-29 16:55 编辑 ]
发表于 2009-10-28 10:12:46 | 显示全部楼层 来自: 中国北京
上个照片吧。那个“两位三通”是干什么的想不出来。
发表于 2009-10-28 10:42:25 | 显示全部楼层 来自: 中国北京
这个原理应该很简单,但怎么发给你呢?
发表于 2009-10-28 10:51:26 | 显示全部楼层 来自: 中国陕西宝鸡
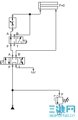
就是这样子,三通阀可以拿四通堵口来用8 N( U) g1 r+ a# [. O) l, V
/ {' t) P% K! e6 b8 V5 Y2 ?
[ 本帖最后由 shimingqw 于 2009-10-28 10:58 编辑 ]
截图1256698699.png
 楼主| 发表于 2009-10-28 16:52:25 | 显示全部楼层 来自: 中国山东威海

回复 4# shimingqw 的帖子

谢谢!我看看
/ G  T" m# S! K+ t7 e3 Y觉得有点不对劲,(三位四通阀和两位三通阀共同作用时液压缸快进、快退,三位四通阀单独作用时液压缸慢进)9 R" ]# |) Q8 V

; K+ T8 G, s7 P' n[ 本帖最后由 chjq2008 于 2009-10-28 16:56 编辑 ]
发表于 2009-10-28 18:22:02 | 显示全部楼层 来自: 中国贵州贵阳
四楼的贴图中当油缸回程时,油缸无杆腔的油怎么走向啊?
发表于 2009-10-28 20:36:42 | 显示全部楼层 来自: 中国上海
个人感觉应该把那个两位三通的阀放在靠近泵的那里才对。在家不方便画图,其实4楼的思路是靠那个两位三通来决定是不是经过那个节流阀。因为快进和快退都要这个两位三通的参与,所以应该放在三位四通阀的前面,节流阀也在三位四通阀的前面
发表于 2009-10-28 21:36:26 | 显示全部楼层 来自: 中国陕西宝鸡
原帖由 chjq2008 于 2009-10-28 16:52 发表 http://www.3dportal.cn/discuz/images/common/back.gif
* i% W) p. m; V* F谢谢!我看看
/ c) ]0 x  {/ L4 Y& ?觉得有点不对劲,(三位四通阀和两位三通阀共同作用时液压缸快进、快退,三位四通阀单独作用时液压缸慢进)
: o+ }. A! E' p
那么就把调速阀放在右位(与B腔接)3 h9 l, m) K8 }+ X/ O
快进:图示状态。(三位四通阀左位得电,二位三通阀得电)8 \8 X+ L9 U" z
工进:前者得电,后者不得电。
$ f: a/ d, D, N% h快退:前者右位得电,后者得电)
发表于 2009-10-28 21:38:44 | 显示全部楼层 来自: 中国陕西宝鸡
原帖由 lqy840905 于 2009-10-28 18:22 发表 http://www.3dportal.cn/discuz/images/common/back.gif
- q8 i; c/ H" m' Q四楼的贴图中当油缸回程时,油缸无杆腔的油怎么走向啊?

% ~( U& Q- n$ C% T看不出来吗?
发表于 2009-10-28 21:48:47 | 显示全部楼层 来自: 中国陕西宝鸡
原帖由 xiaochong2000 于 2009-10-28 20:36 发表 http://www.3dportal.cn/discuz/images/common/back.gif, o* D4 Y, u" l8 _9 {% o, V8 G- i4 s
个人感觉应该把那个两位三通的阀放在靠近泵的那里才对。在家不方便画图,其实4楼的思路是靠那个两位三通来决定是不是经过那个节流阀。因为快进和快退都要这个两位三通的参与,所以应该放在三位四通阀的前面,节流阀也 ...

( C9 o  }" ~+ V( ]/ ~2 B3 f' _/ `3 e  z6 e6 k
放在前面,确实可行
发表于 2009-10-28 22:26:08 | 显示全部楼层 来自: 中国北京
从楼主介绍来分析,要到两个行程开关的位置是切换二位三通,如果采用双泵系统,二位三通作为溢流阀上(电磁溢流阀),长开形式的,攻进时大泵靠它卸荷,快进时大小泵合流,不过这样系统有点浪费,呵呵
发表于 2009-10-28 23:49:09 | 显示全部楼层 来自: 中国贵州贵阳
原帖由 shimingqw 于 2009-10-28 21:38 发表 http://www.3dportal.cn/discuz/images/common/back.gif
* |% c( w6 V$ B9 @# P# O% t3 H1 U: X" z) F4 T
看不出来吗?

( H! u2 h6 d% }7 q+ P; F, h* f电磁阀能按照箭头方向反向通油吗?我就是想问一问,并非质问,别介意。
 楼主| 发表于 2009-10-29 08:10:30 | 显示全部楼层 来自: 中国山东威海
这个液压系统是拆卸别的设备上的,并非我们自己选择的,呵呵
发表回复
您需要登录后才可以回帖 登录 | 注册

本版积分规则


Licensed Copyright © 2016-2020 http://www.3dportal.cn/ All Rights Reserved 京 ICP备13008828号

小黑屋|手机版|Archiver|三维网 ( 京ICP备2023026364号-1 )

快速回复 返回顶部 返回列表