QQ登录

只需一步,快速开始

登录 | 注册 | 找回密码

三维网

 找回密码
 注册

QQ登录

只需一步,快速开始

展开

通知     

查看: 2405|回复: 8
收起左侧

[原创] 求助:川奇负流量系统

[复制链接]
发表于 2009-10-20 12:14:48 | 显示全部楼层 |阅读模式 来自: 中国北京

马上注册,结识高手,享用更多资源,轻松玩转三维网社区。

您需要 登录 才可以下载或查看,没有帐号?注册

x
大家好!) ]4 N' B$ h4 U) l3 T! m
; B1 c8 c6 v  n' Q7 @
哪位有川奇的负流量系统原理图以及相关的培训资料?望能提供相应的资料。: u9 u8 @1 f! w/ ?2 R

# y! k, X- i6 |, A3 `4 P" q- U谢谢了!!!+ j( M2 ?. K1 I/ N4 U& x0 I
- \/ x0 w* X& p7 j0 c5 J' B
油箱:nanningz@163.com
发表于 2009-10-20 13:50:33 | 显示全部楼层 来自: 中国辽宁本溪
本论坛肯定有这方面的资料,楼主仔细搜一搜。; r/ K" }0 q; o" D8 @+ {+ D- D
关键是要搞懂泵的原理。
1 g  A6 V4 G5 T; h5 [3 ~9 ~4 h贴几张图楼主参考下。
G1.JPG
G2.JPG
G3.JPG
 楼主| 发表于 2009-10-20 16:08:21 | 显示全部楼层 来自: 中国北京
谢谢楼上的兄弟!!!
  M7 {& \9 S: v4 s1 Y3 a2 T& n1 p" d: ?
你有相关的资料吗
发表于 2009-10-20 19:36:24 | 显示全部楼层 来自: 中国浙江
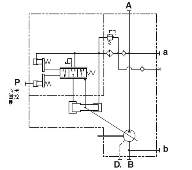
川崎K3V泵恒功率加负流量控制
K3V.JPG
发表于 2009-10-21 10:51:42 | 显示全部楼层 来自: 中国辽宁本溪
到这里看看(楼中间层)。
0 |4 ]; ?' \1 Q2 \4 chttp://www.3dportal.cn/discuz/vi ... 6&highlight=K3V
* A* R& z1 v- s7 J8 I' m6 x/ d7 B+ V! q4 ^4 O2 V; r
另外可搜索“川崎”“K3V”。有很多相关资料的。
 楼主| 发表于 2009-10-21 17:02:09 | 显示全部楼层 来自: 中国北京
谢谢了楼上的兄弟
 楼主| 发表于 2009-10-23 15:19:20 | 显示全部楼层 来自: 中国北京
已经找到资料了!!!!
% J, D" j! ?; Y4 a* \
( e) [/ L' ?3 e# R, x! o谢谢!!!
发表于 2009-10-25 09:54:20 | 显示全部楼层 来自: 中国浙江嘉兴
4楼的是单泵吧,双泵全功率调节才是特色
发表于 2009-10-25 15:37:36 | 显示全部楼层 来自: 中国浙江杭州
什么叫负流量系统啊,谢谢谢谢
发表回复
您需要登录后才可以回帖 登录 | 注册

本版积分规则


Licensed Copyright © 2016-2020 http://www.3dportal.cn/ All Rights Reserved 京 ICP备13008828号

小黑屋|手机版|Archiver|三维网 ( 京ICP备2023026364号-1 )

快速回复 返回顶部 返回列表