QQ登录

只需一步,快速开始

登录 | 注册 | 找回密码

三维网

 找回密码
 注册

QQ登录

只需一步,快速开始

展开

通知     

全站
7天前
查看: 2697|回复: 5
收起左侧

[分享] 第三届全国数控大赛试题铣工大家用CAXA画画

[复制链接]
发表于 2009-10-17 11:19:33 | 显示全部楼层 |阅读模式 来自: 中国黑龙江哈尔滨

马上注册,结识高手,享用更多资源,轻松玩转三维网社区。

您需要 登录 才可以下载或查看,没有帐号?注册

x
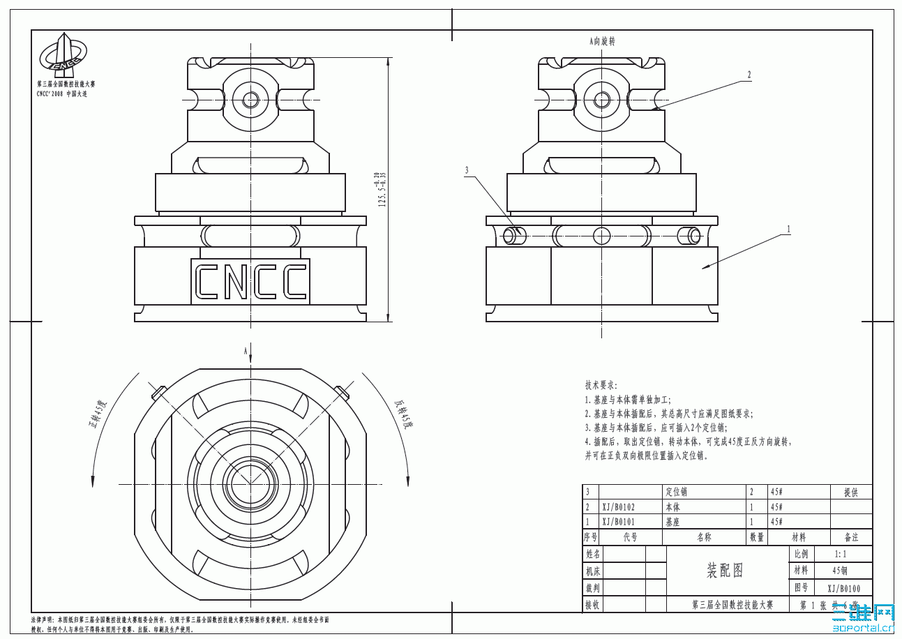
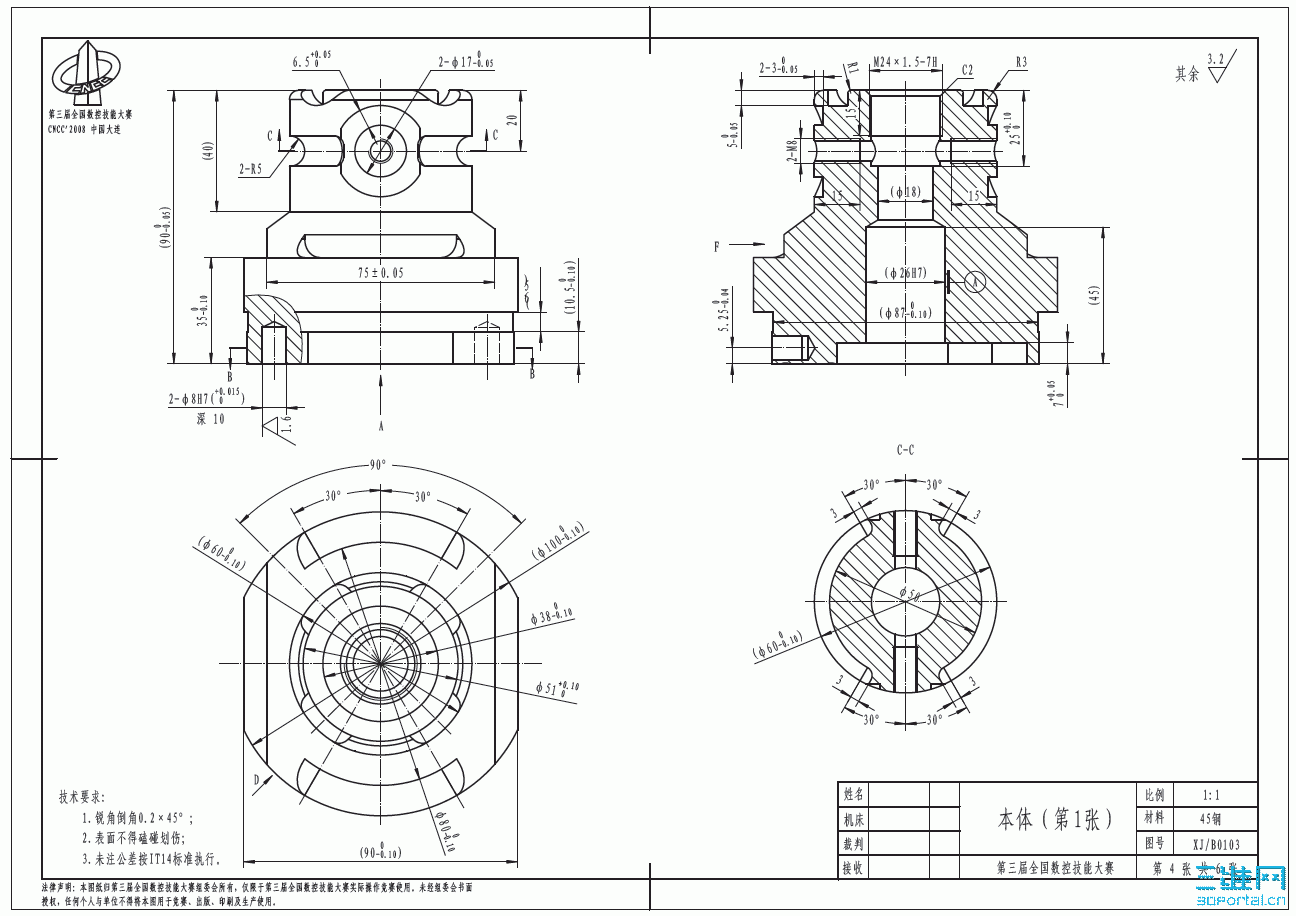
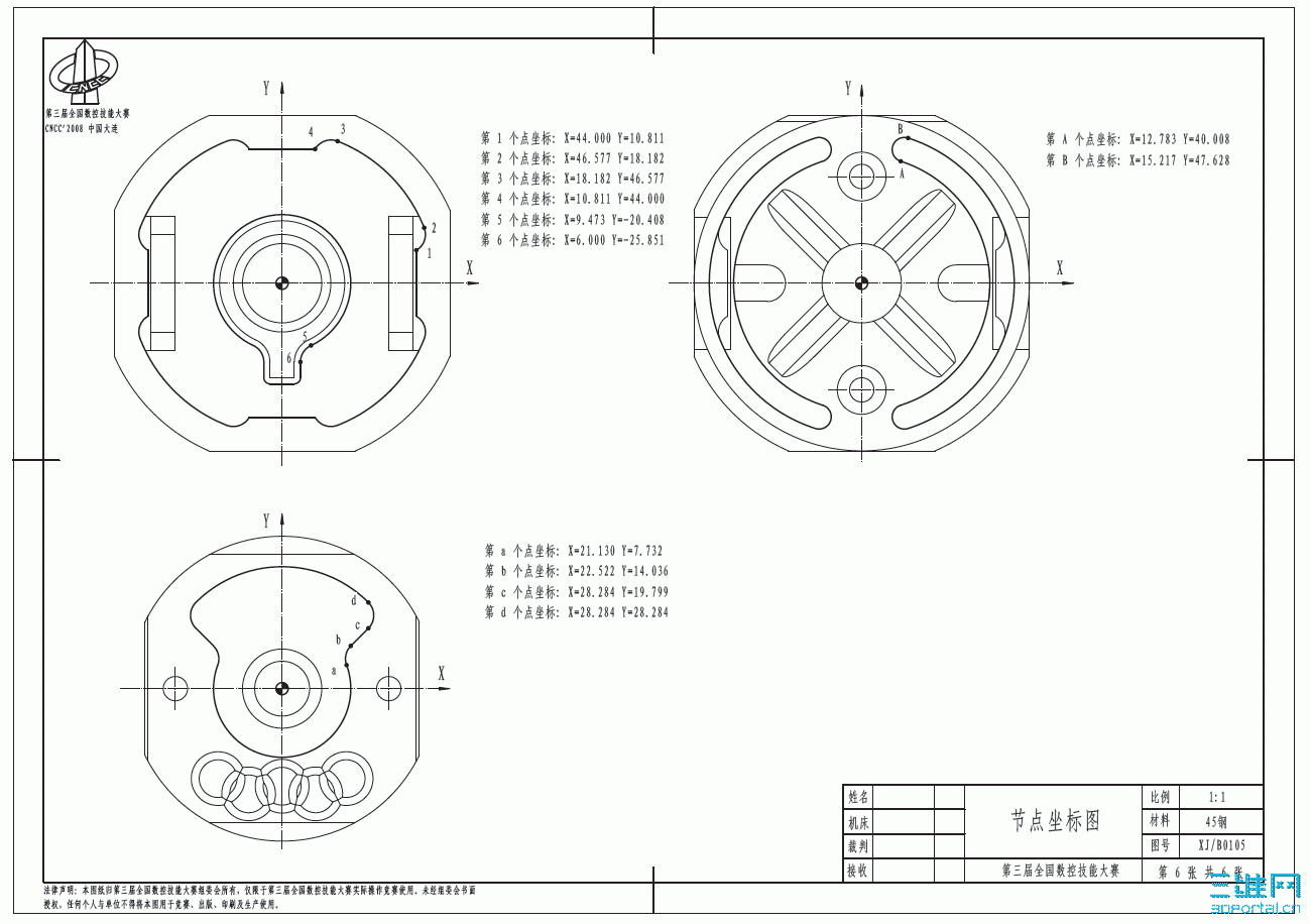
第三届全国数控大赛试题铣工大家用CAXA画画
10-17-11-12-7.jpg
10-17-11-12-33.jpg

XJB01.rar

345.73 KB, 下载次数: 73

头像被屏蔽
发表于 2009-10-17 21:03:36 | 显示全部楼层 来自: 中国辽宁沈阳
提示: 作者被禁止或删除 内容自动屏蔽
 楼主| 发表于 2009-10-18 21:10:58 | 显示全部楼层 来自: 中国黑龙江哈尔滨
哥们这是08年的试题,怎么说是10年前的
发表于 2009-10-19 21:39:35 | 显示全部楼层 来自: 中国广东佛山
帮楼主把原文件去除保护及干掉了水印
' O" I( R2 y8 P: ^* L. p
6 Q$ \: h9 n  M* N7 z压缩包:& b! }5 S2 R9 X! [. e  ]7 K7 Y% K# ]
XJB01-X.rar (311.56 KB, 下载次数: 35)
发表于 2009-10-26 11:09:57 | 显示全部楼层 来自: 中国山东潍坊
谢谢楼主,有时间画画
发表于 2012-12-20 08:34:57 | 显示全部楼层 来自: 中国上海
谢谢楼主分享
发表回复
您需要登录后才可以回帖 登录 | 注册

本版积分规则


Licensed Copyright © 2016-2020 http://www.3dportal.cn/ All Rights Reserved 京 ICP备13008828号

小黑屋|手机版|Archiver|三维网 ( 京ICP备2023026364号-1 )

快速回复 返回顶部 返回列表