QQ登录

只需一步,快速开始

登录 | 注册 | 找回密码

三维网

 找回密码
 注册

QQ登录

只需一步,快速开始

展开

通知     

查看: 2123|回复: 8
收起左侧

[讨论] 我能干些什么呢?

[复制链接]
发表于 2009-10-1 00:14:42 | 显示全部楼层 |阅读模式 来自: 中国重庆

马上注册,结识高手,享用更多资源,轻松玩转三维网社区。

您需要 登录 才可以下载或查看,没有帐号?注册

x
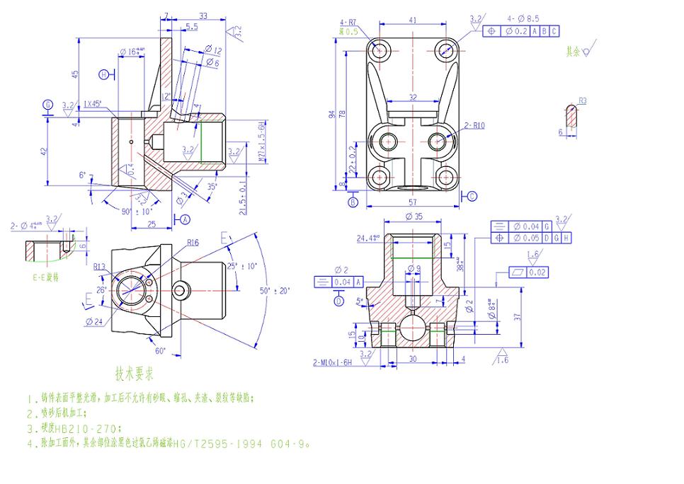
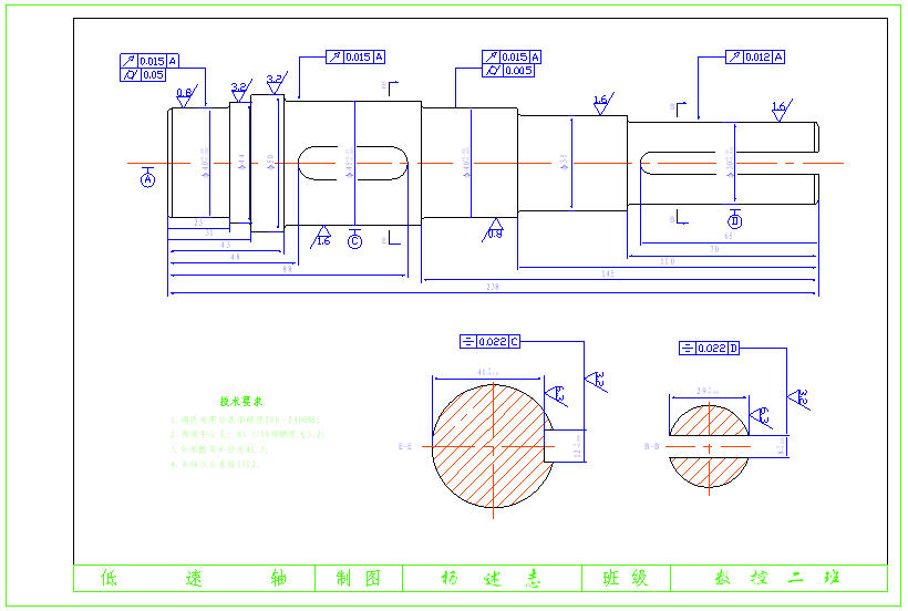
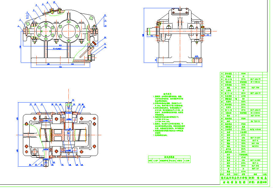
本人在学校学了3年,专业是数控技术,对绘图和编程(自动及手工宏程序编制)比较感兴趣。现在想重新找份工作,不知道能干些什么?以下是用UG、CAXA、AUTO CAD绘制的部分简单图形。+ g; d( i, v1 n$ Q; z  B& T* u

2 O# T6 P, \$ \- w5 e' ?[ 本帖最后由 429081022 于 2009-10-1 00:36 编辑 ]

AUTO CAD

AUTO CAD

AUTO CAD

AUTO CAD

CAXA 2008

CAXA 2008

UG NX6

UG NX6

UG NX 6.0

UG NX 6.0

UG NX 6.0

UG NX 6.0
发表于 2009-10-1 15:17:29 | 显示全部楼层 来自: 中国辽宁沈阳
基本可以当个学徒
发表于 2009-10-1 15:24:45 | 显示全部楼层 来自: 中国辽宁沈阳
我是说从学徒干起比较稳当,学校理论三年工厂实习一年/半年
 楼主| 发表于 2009-10-1 22:54:47 | 显示全部楼层 来自: 中国重庆

回复 3# 摇摇吾妻 的帖子

我从4月份到10月份就在一家机械公司里做一线工人。现在不想干了,整体重复简单的劳动,实在是没意思。
头像被屏蔽
发表于 2009-10-2 07:49:52 | 显示全部楼层 来自: 中国江苏南通
提示: 作者被禁止或删除 内容自动屏蔽
发表于 2009-10-2 08:49:52 | 显示全部楼层 来自: 中国河南平顶山
楼主画的不错啊
( o% \' h) O  b6 L) _建议你跳槽吧
发表于 2009-10-4 16:37:33 | 显示全部楼层 来自: 中国广东佛山
二楼说的对,学校和工厂的性质差得太远了,学校比较单调,很多东西都是按步就搬。真正进入生产可就觉得无从下手了。从基层做起,你有基础很快就爬起来的。
发表于 2009-10-4 18:07:00 | 显示全部楼层 来自: 中国江苏常州
楼主:
1 Y$ z. A: h8 ~4 a' O1.首先判断公司的优劣,自己有无发展空间。如果公司不错,有自己喜欢和适合的发展机会,就好好从头做起吧。
& \/ ?4 h- U  U& _* r2 `2.如果不是这样,给自己定个时间和计划,寻找新的机会,按计划撤退。
3 ^1 t" ], W) B0 b' h) j3.珍惜眼前的这段经历,不管是好是坏,要总结思考,不光是专业技术,企业的管理、运转、与上司和同事关系的处理…都可以留心,这样就不会觉得没事做了,就不会浪费每一段时间和经历,每一步都省不掉的。
 楼主| 发表于 2009-10-5 23:16:19 | 显示全部楼层 来自: 中国重庆

回复 8# ftgww123 的帖子

谢谢楼上总工的指点。专业以外的东西的确也要去学习。
发表回复
您需要登录后才可以回帖 登录 | 注册

本版积分规则


Licensed Copyright © 2016-2020 http://www.3dportal.cn/ All Rights Reserved 京 ICP备13008828号

小黑屋|手机版|Archiver|三维网 ( 京ICP备2023026364号-1 )

快速回复 返回顶部 返回列表