QQ登录

只需一步,快速开始

登录 | 注册 | 找回密码

三维网

 找回密码
 注册

QQ登录

只需一步,快速开始

展开

通知     

查看: 1823|回复: 7
收起左侧

[求助] 自画液压图,请高手指点。

[复制链接]
发表于 2009-9-27 09:00:13 | 显示全部楼层 |阅读模式 来自: 中国浙江杭州

马上注册,结识高手,享用更多资源,轻松玩转三维网社区。

您需要 登录 才可以下载或查看,没有帐号?注册

x
0.jpg 2 F5 B/ w& D' y
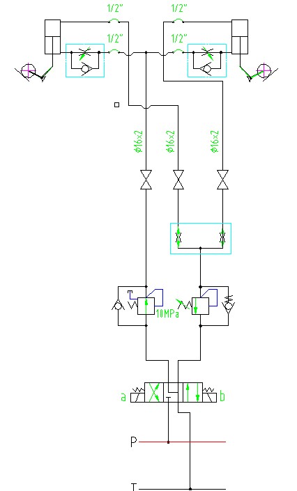
此液压缸用来抬起或落下辊子,通常的工况是落下,落下后用做销轴的气缸定位,故定位后油缸卸载。辊子自重大约5t,有一定的同步要求。已选定分流集流阀同步,因本人液压基础较差,请大家指点,感激不尽!7 F) ^7 j" v. v5 F
对于分流集流阀同步回路,我还有几个疑问:9 b7 U+ t( X5 m8 j, `
1. 有人提到分流集流阀不适合刚性同步,请问什么是刚性同步?为什么不适合?/ e: e, M4 |+ e7 z% S
2. 有人提到分流集流阀容易出现误差累计,应设误差纠正回路,本图应该怎么加纠正回路?
3 ?' A7 Y1 B; d9 `/ {0 X3. 若使用分流阀,能起到双向同步的作用吗?使用同步马达呢?能双向同步吗?7 f) [0 J# ]4 |$ Q0 }0 B
4. 在此回路中,将顺序阀改成单向调速阀,可以吗?各自优劣怎样?
+ C' A2 W6 G  o" O9 n5. ms我都分不清顺序阀、平衡阀什么的,好像在一定情况下,顺序阀能做平衡阀使用,对吧?
' C& D5 ]- `0 Z6 P5 i. X. a. s: w/ I( Q* N5 E: C( A/ d
[ 本帖最后由 polang 于 2009-9-27 09:37 编辑 ]
发表于 2009-9-27 11:55:12 | 显示全部楼层 来自: 中国广东深圳
平衡阀应该是防止辊子或者杆端机构落下的吧,为什么要装在无杆腔呢?5 V$ f0 l1 ~' u
1.刚性同步应该是强制性的同步,不需要加装同步阀了吧
/ r2 w( y; ?+ p; n2.不清楚纠正回路,但是你可以通过行程开关控制油缸伸出或者收缩时使两缸全部归位(走完行程),如此就可以消除累计了
! C% r7 e* F# s- I, u  V2 M5 v& M3,可以
3 I% [9 @6 _* a8 \  A2 F4顺序阀与调速阀作用不一样,怎么能互换?' D) `6 B% [: [$ t) m
5顺序阀也叫平衡阀,
- q# p6 j9 P' W  y1 _个人意见,楼下的纠正...
发表于 2009-9-27 12:53:51 | 显示全部楼层 来自: 中国辽宁本溪
不知楼主下降负载的距离有多大。
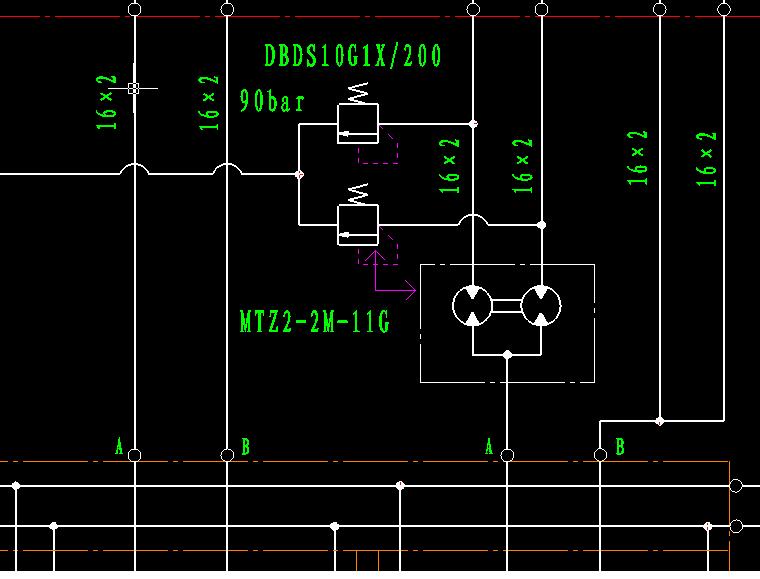
. s( q4 N3 r# e, B/ F我所实际接触的分流集流阀回路没有纠偏阀。但采用同步马达的回路是有的(90BAR那两个溢流阀),见贴图。
1 E$ l# l- x2 R. }  E& d如果负载的下降距离较大,还是采用平衡阀稳妥。顺序阀只能形成支撑背压,不能解决失速下滑的问题。并且容易产生振动。
$ z/ F& Y2 F# N1 g如果下降距离较小,用顺序阀应该是可以的。甚至可以用回油调速的节流阀来产生平衡背压。(我曾作过这样的改造,用回油调速的节流阀取代平衡阀。下降负载重量3吨,距离1.5米,工作正常)。
同步纠偏.JPG
 楼主| 发表于 2009-9-27 13:06:49 | 显示全部楼层 来自: 中国浙江杭州
我是楼主,平衡阀应该是防止辊子或者杆端机构超速下降。# `# e; N2 D# @2 _7 z% g
当b得电时,辊子会由于自重而超速下降,故在其回油路上平衡阀/顺序阀,来防止这一情况。回油路使用调速阀时,在回路节流,也能防止重物超速下降,不知是否正确?
 楼主| 发表于 2009-9-27 13:15:54 | 显示全部楼层 来自: 中国浙江杭州

回复 3# bohaiyan 的帖子

此结构油缸行程不大,才150mm。, J/ w8 v& k3 d0 E: g
能讲讲使用平衡阀和回路调速的节流阀用在这一图中的区别吗?, T. P. p9 D% V* Q
另外,能否指点一下顺序阀和平衡阀的区别?因为手头只有榆次的样本,还不能将二者很好的区分开。
发表于 2009-9-28 10:20:10 | 显示全部楼层 来自: 中国辽宁本溪
顺序阀是圆柱面密封,有泄露,过流口为瞬变开口(即或开、或关),不能形成阻尼。一般用于轻负载。
7 |+ X+ {3 C. G- L: n. W平衡阀(又称限速阀)是锥面密封,能可靠地锁定负载,低速(或微动)稳定性好,过流口为渐变开口(连续开口),可根据X口的压力变化,自动调节阀开口的大小,从而改变阀口的节流效果(即阻尼的大小)。一般用于重负载或下降距离较大的工况。+ L" Y! s2 a7 ^2 C, U0 P
有这种说法。即不应该将顺序阀归类于平衡阀。
 楼主| 发表于 2009-9-28 12:56:04 | 显示全部楼层 来自: 中国浙江杭州

回复 6# bohaiyan 的帖子

感激不尽!
发表于 2009-9-28 13:12:46 | 显示全部楼层 来自: 中国安徽合肥
介绍的很详细啊
发表回复
您需要登录后才可以回帖 登录 | 注册

本版积分规则


Licensed Copyright © 2016-2020 http://www.3dportal.cn/ All Rights Reserved 京 ICP备13008828号

小黑屋|手机版|Archiver|三维网 ( 京ICP备2023026364号-1 )

快速回复 返回顶部 返回列表