QQ登录

只需一步,快速开始

登录 | 注册 | 找回密码

三维网

 找回密码
 注册

QQ登录

只需一步,快速开始

展开

通知     

查看: 1255|回复: 2
收起左侧

麻烦问一下各位大师此位置度如何测量

[复制链接]
发表于 2009-9-17 14:42:22 | 显示全部楼层 |阅读模式 来自: 中国江苏苏州

马上注册,结识高手,享用更多资源,轻松玩转三维网社区。

您需要 登录 才可以下载或查看,没有帐号?注册

x
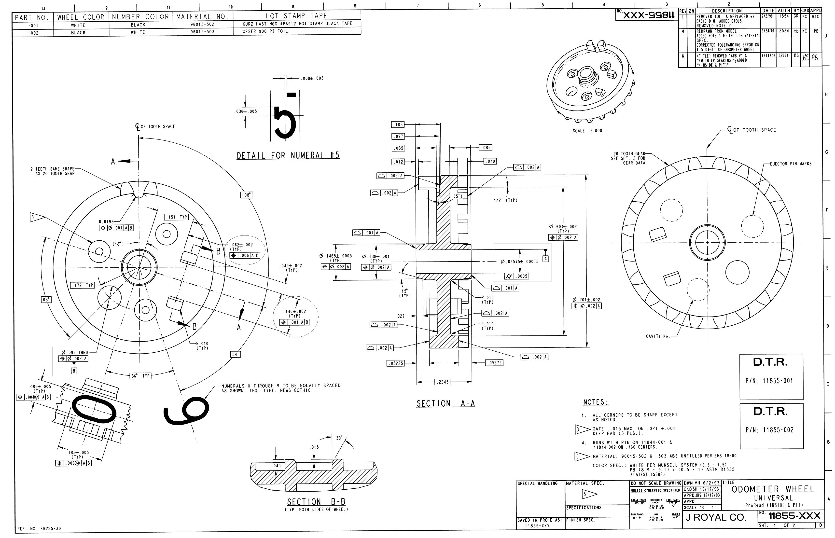
这个塑胶齿轮有一个中心轴和一个孔,我用方框框起来的地方,要求分别以这两个地方作为A和B基准,测量两个凸出的方块(椭圆形尺寸围起来部分)的位置度。
5 T& V" o( |2 d- x' g不知道用二次元能否测量这个位置度,如果不能,用三次元如何测量?0 [1 ?# H! u8 ]. a
! q& K) e# a# F9 |" i) X  |
感谢各位帮忙了!!!
11855-xxx1 RFQ.jpg
发表于 2009-9-17 16:22:32 | 显示全部楼层 来自: 中国四川遂宁
找了半天才找到A和B,A是中间那个圆.B是0.096那个圆..
0 n* f( K7 P! T) M6 u/ b' j3 P如果有三座标的话,以A和B建立坐标系就行了撒.因为A和B是基准嘛: [+ N+ D2 i1 R7 i

- D6 o' {+ T; u( M7 z不知道单位是英制还是公制哈.
8 ~$ K2 B2 @7 X4 ^公差太小了.如果可以的话,车个盘.中间那个轴放在A里面.另外用加工中心钻个B孔配个销.来测凸台.# J6 R2 d1 t0 f% n
这个适用于公差大一点的情况.
7 I7 E5 ]7 u- F* n# j- Z# Q( z2 V0 e% l9 y
[ 本帖最后由 wngsd 于 2009-9-17 16:25 编辑 ]
发表于 2009-9-17 20:49:17 | 显示全部楼层 来自: 中国黑龙江哈尔滨
你测量的是关于A,B两参考量的位置度只能用两维。以A孔轴线0.151远的直线与A、B轴连线呈65°的直线的交点即为 理想位置。在此基础上允许偏离0.006。
9 d& D# }( ], Z. J. _2 Z0 Q  F    按照以上原理,用二元很简单就能测出。+ B* ^6 J$ r( U. V
   ps:告诉以下单位,貌似不是国际单位mm
发表回复
您需要登录后才可以回帖 登录 | 注册

本版积分规则


Licensed Copyright © 2016-2020 http://www.3dportal.cn/ All Rights Reserved 京 ICP备13008828号

小黑屋|手机版|Archiver|三维网 ( 京ICP备2023026364号-1 )

快速回复 返回顶部 返回列表