QQ登录

只需一步,快速开始

登录 | 注册 | 找回密码

三维网

 找回密码
 注册

QQ登录

只需一步,快速开始

展开

通知     

查看: 1389|回复: 4
收起左侧

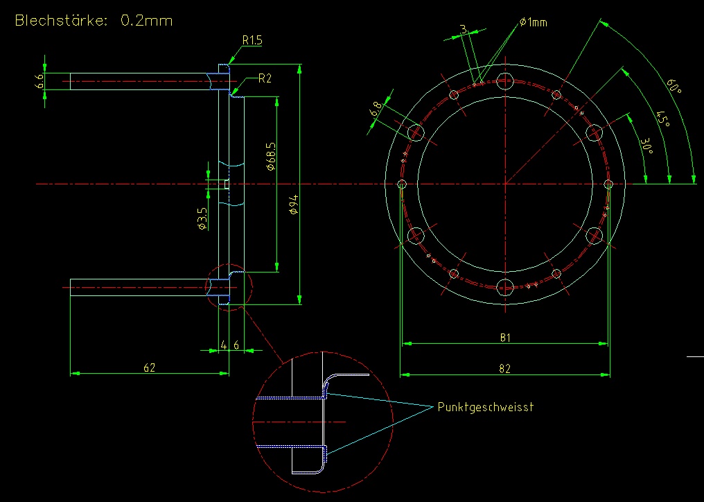
[已解决] 这图看不懂,水平问题?

[复制链接]
发表于 2009-9-15 23:14:09 | 显示全部楼层 |阅读模式 来自: 中国山东淄博

马上注册,结识高手,享用更多资源,轻松玩转三维网社区。

您需要 登录 才可以下载或查看,没有帐号?注册

x
1.jpg
. @" v4 H2 `# n: \9 o( V* X2 s- w1 P+ Q& w
谁能help me 一下
 楼主| 发表于 2009-9-15 23:15:23 | 显示全部楼层 来自: 中国山东淄博
这些洞都放置在哪得阿>?
发表于 2009-9-16 06:44:10 | 显示全部楼层 来自: 中国安徽蚌埠
像德国的图纸 titter ,是做三维吗,不明楼主的意图
发表于 2009-9-16 08:07:39 | 显示全部楼层 来自: 中国山东济南
我画了一下,里面B1、B2尺寸自己调,小圆凸翻边高度没有
1.JPG
2.JPG

model1.rar

180.13 KB, 下载次数: 17

评分

参与人数 1三维币 +5 收起 理由
beyond2009 + 5 应助

查看全部评分

 楼主| 发表于 2009-9-16 12:01:55 | 显示全部楼层 来自: 中国山东淄博
是一个涡喷的图,图纸不太规范。想做着玩玩

acad.part1.rar

1.39 MB, 下载次数: 20

acad.part2.rar

1.28 MB, 下载次数: 20

发表回复
您需要登录后才可以回帖 登录 | 注册

本版积分规则


Licensed Copyright © 2016-2020 http://www.3dportal.cn/ All Rights Reserved 京 ICP备13008828号

小黑屋|手机版|Archiver|三维网 ( 京ICP备2023026364号-1 )

快速回复 返回顶部 返回列表