QQ登录

只需一步,快速开始

登录 | 注册 | 找回密码

三维网

 找回密码
 注册

QQ登录

只需一步,快速开始

展开

通知     

查看: 1905|回复: 13
收起左侧

[求助] 请教大家一下,关于油箱蒸汽加热的问题

[复制链接]
发表于 2009-9-11 07:30:04 | 显示全部楼层 |阅读模式 来自: 中国江苏南通

马上注册,结识高手,享用更多资源,轻松玩转三维网社区。

您需要 登录 才可以下载或查看,没有帐号?注册

x
各位同仁:( E6 z; G& _7 m" ]% f
. o4 N1 M0 \% F0 y9 @4 i
      我司做一台40立方(外形尺寸5X3X3 m)的油箱,系统流量1600L/min,油箱采用蒸汽加热,各位帮我看看蒸汽管如何走?在油箱中走蒸汽管有没有什么规定?蒸汽加热同电加热相比有什么优缺点?1 Y: `6 M& ], C+ a; r

0 u  t, u  G9 r/ s$ H谢谢.! P2 X9 F1 m' ^, `6 b' ?! ~  Q. m

: N& \& m- n5 D# Q& {[ 本帖最后由 自流井 于 2009-9-11 08:00 编辑 ]
发表于 2009-9-11 11:30:59 | 显示全部楼层 来自: 中国辽宁本溪
我认为:
2 N+ n. b2 \1 J2 `! O; [0 T1.电加热会导致油质的早期劣化(很难做到油的均匀循环)。我实际接触的力士乐原装的3500L油箱是采用循环泵走溢流的加热方式。只是升温速度太慢了些。$ M8 i8 U' ^' l' k8 r3 L
2.蒸汽加热装置在油箱内,清理油箱会困难些。可将蛇形管固定在人孔盖上。

评分

参与人数 1三维币 +10 收起 理由
自流井 + 10 能不能说详细点呢?

查看全部评分

 楼主| 发表于 2009-10-31 11:14:01 | 显示全部楼层 来自: 中国江苏南通

油箱上蒸汽加热是怎么设计的

请问:油箱用蒸汽加热是怎么个设计法?直接用弯管通蒸汽吗?
% l. L7 d+ R& T- g0 f- E( n
7 g$ J% G7 ^, d. }3 ~) L+ s有经验的XD指点下,谢谢
发表于 2009-10-31 12:21:25 | 显示全部楼层 来自: 中国辽宁本溪
汇报一下我们的土做法。供版主参考。+ f, J) T1 F# X; x( n3 H
将整根紫铜管冷作成弹簧形状(蛇形管?),外径略小于人孔直径。6 _9 S" l2 `! r
将它固联在人孔盖上。清理油箱时,可同人孔盖一起卸下。9 E" }( _6 e! E' t+ O* ~
紫铜管外伸出人孔盖一段长度后再与蒸汽进、出管接头连接,以免因铜管接口处易渗漏而使冷凝水进入油箱。
2 R( L% Y/ _- m该方式虽然效率较低,但简单易行。4 g; h; L: K) {6 F. ]& A) S5 I+ o
并且冬暖(通蒸汽)夏凉(通冷却水)。

评分

参与人数 1三维币 +23 收起 理由
自流井 + 23 真不错啊,谢谢分享

查看全部评分

 楼主| 发表于 2009-10-31 12:33:16 | 显示全部楼层 来自: 中国江苏南通
原帖由 bohaiyan 于 2009-10-31 12:21 发表 http://www.3dportal.cn/discuz/images/common/back.gif
7 Z4 p& X% J  d汇报一下我们的土做法。供版主参考。4 S0 r4 d/ b; }4 h" N& x! A
将整根紫铜管冷作成弹簧形状(蛇形管?),外径略小于人孔直径。! L4 {5 P* S4 j: y+ W% I6 o
将它固联在人孔盖上。清理油箱时,可同人孔盖一起卸下。3 i5 x/ \8 `- E4 i5 R- Q* A
紫铜管外伸出人孔盖一段长度后再与蒸汽进、出管接头 ...

6 S7 |4 g7 I2 a+ [. ^7 G
( Z: a4 m0 p' T/ B6 q' S  K* P你好,此方法是否只适用于小的油箱加热呢?大油箱是否加热会存在不够哟?
发表于 2009-10-31 13:00:22 | 显示全部楼层 来自: 中国辽宁本溪
介绍我在楼上第一条所述系统的情况。2 [$ w  S2 L$ m" ^
循环泵的调定压力为30bar.5 Q1 S( Z2 a% h# Q
循环泵出口分两路。直路接过滤器→冷却器→油箱;旁路接溢流阀→油箱,
5 E! b' ~* _5 Z% _0 o) E0 `8 o5 ?在过滤器前有一个三位转阀。该阀即可根据需要选择左或右过滤器的开路,又可关断通往过滤器的通路(此时,泵出油只有经溢流阀至油箱的一条通路,即可实现溢流加热)。
1 U' e: X3 x8 H$ I, i* B1 J0 `1 c升温速度(实测):环境温度5℃,循环泵运行17小时,油温由10℃升至37℃。

评分

参与人数 1三维币 +5 收起 理由
自流井 + 5 应助

查看全部评分

发表于 2009-10-31 13:18:43 | 显示全部楼层 来自: 中国辽宁本溪
回版主。8 n, O# W! Q" q
是的,我们实际用于大约1500升的油箱。
$ Y1 q6 n- T, U& l没有用于大型油箱的实际经验。

评分

参与人数 1三维币 +1 收起 理由
自流井 + 1 应助

查看全部评分

发表于 2009-10-31 13:44:04 | 显示全部楼层 来自: 中国河南许昌
1,根据油箱的设计油温,计算油箱外表温度(非保温油箱可直接取油温)。8 n) P' ]. |% W# {) |2 Y. n9 t1 H
2,根据油箱外表面积和外界温度及第1步算出的油箱外表温度,计算油箱的散热量A;6 {& k) w% x2 S7 S( j4 [' ^" }# ^
3,根据油箱用于泵出的油量(回油量)及泵油回油温度差,计算用油的散热量B;: ]; w7 t$ ?) [9 I! K; X
4,热量A+B就是油箱所需要的加热量。. c2 \$ G7 \% ?0 n) r/ B+ t7 c; R0 H
5,设定某一直径的加热管(铜或不锈钢无缝管,注:须能承受蒸汽压力)直径,并根据蒸汽的汽化热、管壁对油的传热系数以及上面计算的A+B,推算所需要的加热管长度。此长度即是油箱里所要布置的加热管长度(至于盘旋与否看管长,太长就盘管--节省空间)。
* e8 U) g1 z8 ^) w$ z1 c; x1 ]6,蒸汽管出口装疏水阀。
9 m8 x0 R  e- ]3 `7,蒸汽进口装蒸汽截止阀(手动调节温度)或电动、气动蒸汽流量阀(自动控温)。
, c$ D' W/ {( B; e2 |2 _! S7 R" H& m
[ 本帖最后由 baolongzhou 于 2009-10-31 13:53 编辑 ]

评分

参与人数 1三维币 +23 收起 理由
自流井 + 23 感谢分享,很到位的知识。谢谢

查看全部评分

 楼主| 发表于 2009-10-31 15:07:56 | 显示全部楼层 来自: 中国江苏南通
原帖由 baolongzhou 于 2009-10-31 13:44 发表 http://www.3dportal.cn/discuz/images/common/back.gif8 w; b* \- R: m/ S# z7 M
1,根据油箱的设计油温,计算油箱外表温度(非保温油箱可直接取油温)。
, t/ v8 Q) v3 h) W2 @/ L2,根据油箱外表面积和外界温度及第1步算出的油箱外表温度,计算油箱的散热量A;9 r2 ]0 i7 H. I" I
3,根据油箱用于泵出的油量(回油量)及泵油回油温度差,计算 ...

9 s( e/ C. L8 ?: g3 w7 Z& a8 @9 M' B
你好,用铜管加热会不会把油烧坏?加疏水阀起什么作用呢?
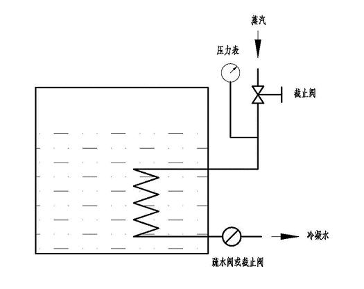
发表于 2009-10-31 16:02:10 | 显示全部楼层 来自: 中国河南许昌
1,蒸汽温度跟蒸汽压力有关,6kg压力时,蒸汽温度大约150℃左右,油耐温较高,一般不会烧坏的(一般油温200℃以上开始有少量凝胶,凝结在加热管表面就影响散热)。我认为你把蒸汽压力用在2--3kg就可以了,可在蒸汽进口(截止阀之后)装一蒸汽压力表便于观察。- G7 m7 I( B' C( J4 @
2,蒸汽管进口装截止阀,可调节蒸汽流量,亦可粗调蒸汽压力,管表温度不会太高。如果能让油箱的油运动(冲刷加热管),则加热效果以及油温的均匀度较好。
+ E: r# [- E" S3,蒸汽出气管外端加疏水阀,是为了排除管中蒸汽凝结成的水。如果不排除,则凝结水会很快充满加热管,就起不到加热作用了。如果要求不高,也可在蒸汽出口(出油箱后)装截止阀代替疏水阀,通气时调节该阀开度,使其刚刚排出稍稍蒸汽即可(作用是保证加热管里不存冷凝水)。
# T+ d  |# Q0 o! \8 r# R  J# y4,设计管路时记住蒸汽从高端进,冷凝水从低端出。如果用热水加热,则与蒸汽相反,即低进高出(夏季如果油箱需冷却时,冷媒流向也按加热时热水的流向---防止管内憋气影响加热或制冷)。---即:气热时管内不积液,液热(或液冷)时管内不憋气。  S) |( k; c1 i; L
( V  f" t! ^3 Z! {( y8 M

* i- z* n4 \3 v; Y补贴张示意图:7 b, d# F4 D+ ~! X/ D/ D. s5 T
+ X# H! |4 R8 s: D$ ~1 z3 X
[ 本帖最后由 baolongzhou 于 2009-10-31 17:09 编辑 ]
zz.jpg

评分

参与人数 1三维币 +22 收起 理由
自流井 + 22 感谢到位的帮助

查看全部评分

 楼主| 发表于 2009-11-1 08:36:30 | 显示全部楼层 来自: 中国江苏南通
原帖由 baolongzhou 于 2009-10-31 16:02 发表 http://www.3dportal.cn/discuz/images/common/back.gif
8 R! n' K3 D/ u2 p1 x1,蒸汽温度跟蒸汽压力有关,6kg压力时,蒸汽温度大约150℃左右,油耐温较高,一般不会烧坏的(一般油温200℃以上开始有少量凝胶,凝结在加热管表面就影响散热)。我认为你把蒸汽压力用在2--3kg就可以了,可在蒸汽进口 ...
7 B0 `# A1 i1 F
说得不错,感谢
发表于 2009-11-1 12:13:37 | 显示全部楼层 来自: 中国辽宁本溪
原帖由 baolongzhou 于 2009-10-31 16:02 发表 http://www.3dportal.cn/discuz/images/common/back.gif# ~! b, z. p% l7 G0 {
1,蒸汽温度跟蒸汽压力有关,6kg压力时,蒸汽温度大约150℃左右,油耐温较高,一般不会烧坏的(一般油温200℃以上开始有少量凝胶,凝结在加热管表面就影响散热)。我认为你把蒸汽压力用在2--3kg就可以了,可在蒸汽进口 ...
: Q# P, A0 C$ n; q( `5 }9 e. t

5 T  Y% M# K9 q* W5 c非常专业!!
' z( d. P( P8 {! d6 W" m: L2 y3 b# ^使我的知识得以深化。
发表于 2009-11-1 19:42:24 | 显示全部楼层 来自: 中国河南安阳
我们的一个用户使用LQ型冷却器给系统加热,个人认为是一个不错的选择。
( S) X: C" I, C- s冬天作加热器使用,夏天做冷却器使用。
发表于 2009-11-2 11:11:58 | 显示全部楼层 来自: 中国辽宁大连
原帖由 9619 于 2009-11-1 19:42 发表 http://www.3dportal.cn/discuz/images/common/back.gif2 p5 M, j7 e' c4 [: J- @- c7 Q
我们的一个用户使用LQ型冷却器给系统加热,个人认为是一个不错的选择。$ u2 a; f1 ~1 G0 c/ N
冬天作加热器使用,夏天做冷却器使用。

3 t( u1 m1 m: ?: B2 }4 Q# t我也觉得这样很适用,相当于取了循环泵加热和蒸汽加热的共同优点。
发表回复
您需要登录后才可以回帖 登录 | 注册

本版积分规则


Licensed Copyright © 2016-2020 http://www.3dportal.cn/ All Rights Reserved 京 ICP备13008828号

小黑屋|手机版|Archiver|三维网 ( 京ICP备2023026364号-1 )

快速回复 返回顶部 返回列表