QQ登录

只需一步,快速开始

登录 | 注册 | 找回密码

三维网

 找回密码
 注册

QQ登录

只需一步,快速开始

展开

通知     

查看: 1407|回复: 3
收起左侧

[求助] 一个改错题

[复制链接]
发表于 2009-9-2 19:58:00 | 显示全部楼层 |阅读模式 来自: 中国云南曲靖

马上注册,结识高手,享用更多资源,轻松玩转三维网社区。

您需要 登录 才可以下载或查看,没有帐号?注册

x
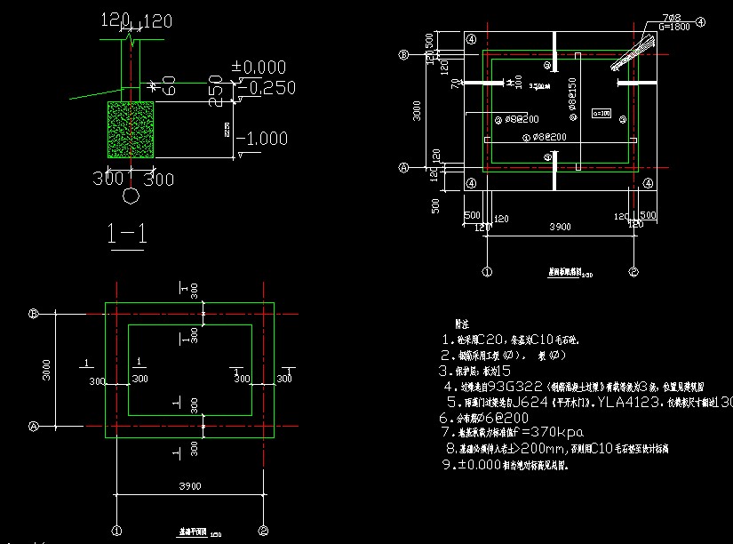
请大家看一下这个图纸,要求改错
! X1 L' H0 n% ?没学过建筑制图,要求改错,不知道怎么改。
& Q2 t" L1 }, S+ @/ b( P要求:
) i; T4 C0 ~' ^1 w! ]9 w1 y  m调整图形中的文字,使之符合制图要求。
" a7 i" @) b, e5 W! v调整图形中的尺寸标注。4 w; h) f  L1 e' l5 g5 G; x
修改图形中的图层属性
" _+ J; q4 `% M' V) M2 [调整图形的布置使之合理。
* p. c: C7 W/ T* O. U. Y& P+ n- [
是高新CAD中级中的题。灵活性太大了,不知道怎么改啊。先谢谢了/ u0 k9 i9 h/ T
) v% X- ~0 V- P4 a
cadst8-11.dwg (58.78 KB, 下载次数: 5)
发表于 2009-9-3 12:06:07 | 显示全部楼层 来自: 中国广西崇左
以后要贴图简单介绍一下
8-11.jpg
8-12.jpg

评分

参与人数 1三维币 +3 收起 理由
wang2003 + 3 贴图奖励

查看全部评分

 楼主| 发表于 2009-9-3 16:15:32 | 显示全部楼层 来自: 中国云南曲靖
谢谢版主# P- t. H( j1 r# t  V
有没有会的老师。。。
发表于 2009-9-6 20:28:30 | 显示全部楼层 来自: 中国湖北武汉
调整图形中的文字,使之符合制图要求。  明显附注里面的字体不一致,按机械制图标准,附注字高为7,下面的文字字高为5。
/ n7 \8 [# r0 D" v" ^# s( b! u调整图形中的尺寸标注。                左上图尺寸标注中文字偏大,用格式刷刷一下即可。
: Y# u# M* x% Q0 f+ w修改图形中的图层属性。                没有下载你的附件,所以没有看具体的图层

评分

参与人数 1三维币 +5 收起 理由
wang2003 + 5 应助

查看全部评分

发表回复
您需要登录后才可以回帖 登录 | 注册

本版积分规则


Licensed Copyright © 2016-2020 http://www.3dportal.cn/ All Rights Reserved 京 ICP备13008828号

小黑屋|手机版|Archiver|三维网 ( 京ICP备2023026364号-1 )

快速回复 返回顶部 返回列表