QQ登录

只需一步,快速开始

登录 | 注册 | 找回密码

三维网

 找回密码
 注册

QQ登录

只需一步,快速开始

展开

通知     

查看: 1362|回复: 1
收起左侧

[已答复] 这些图纸所表示的零件是做什么用的?

[复制链接]
发表于 2009-9-2 09:30:01 | 显示全部楼层 |阅读模式 来自: 中国湖南长沙

马上注册,结识高手,享用更多资源,轻松玩转三维网社区。

您需要 登录 才可以下载或查看,没有帐号?注册

x
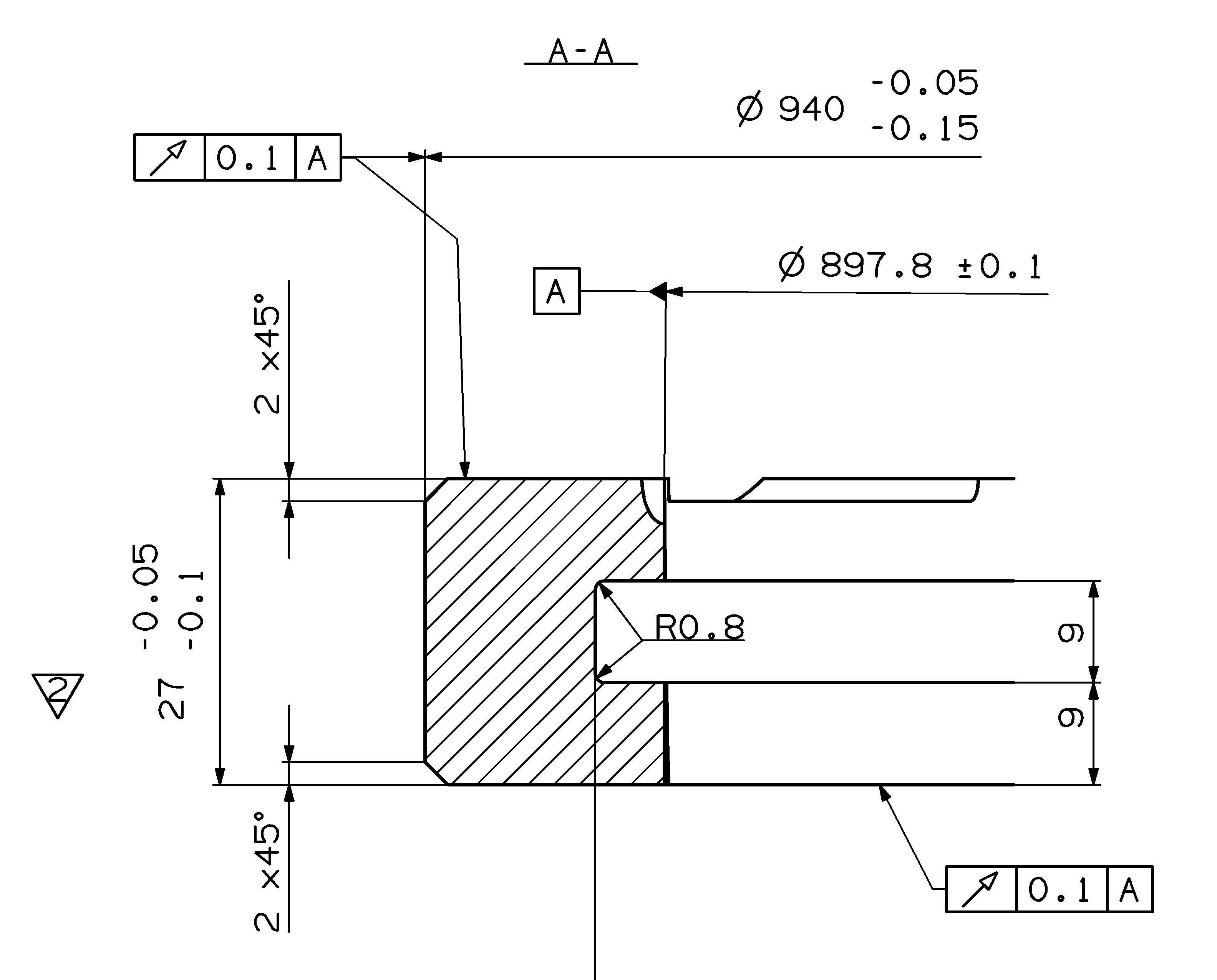
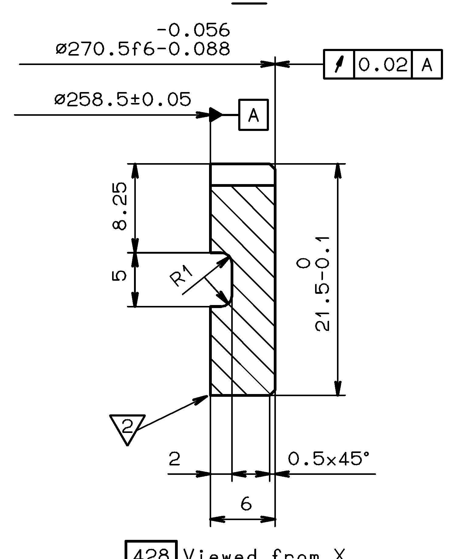
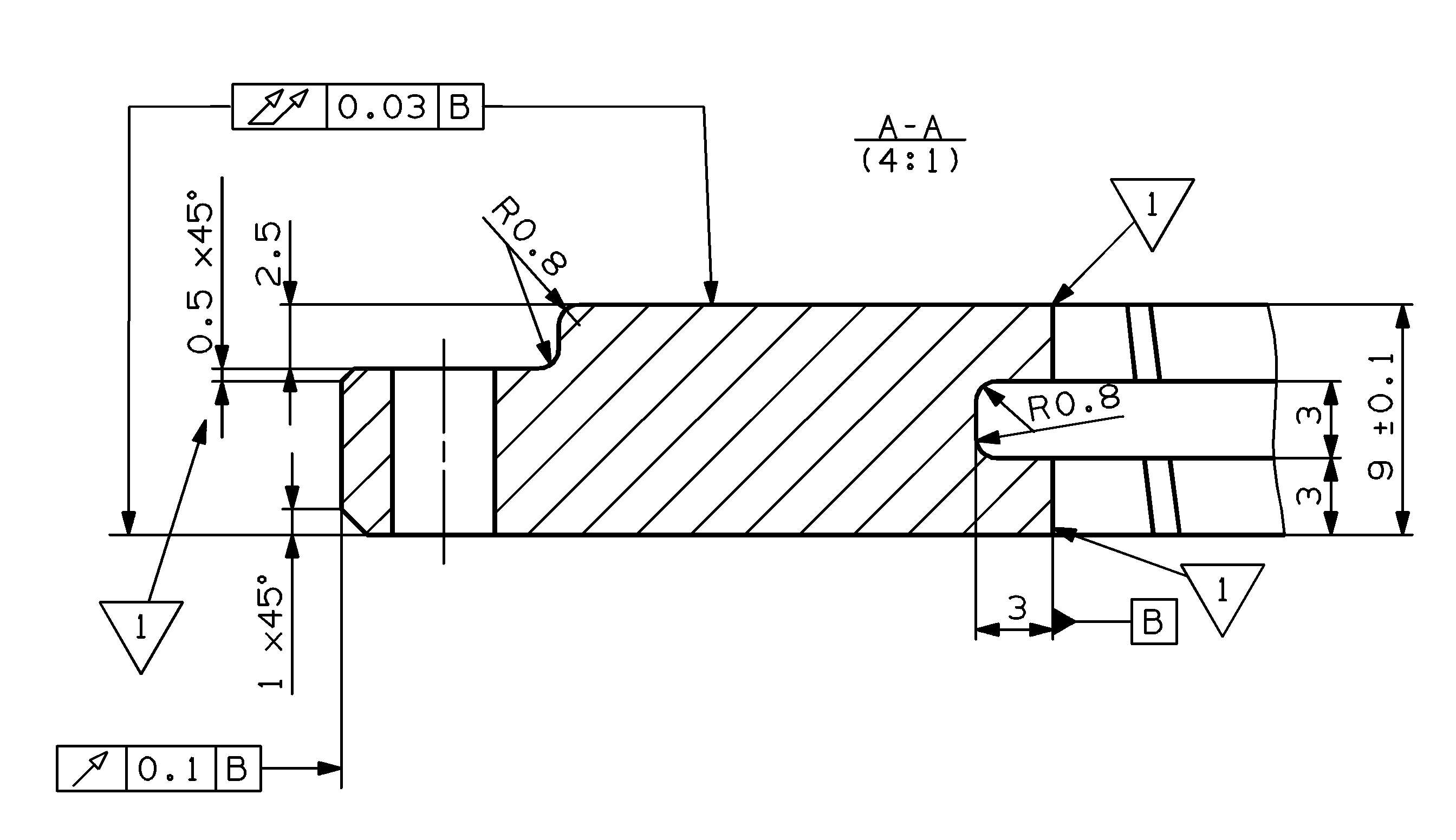
今天收到了一些外贸图纸,是MAN B&W柴油机的配件,但是我之前没有见到过类似的零件,请各位看看,知道相关情况的请解答下。0 I4 I. m* e6 e+ Y
1、这些零件(Piston Cleaning Ring)是做什么用的,具体功能是什么?4 H$ Q) b2 D9 P1 S1 P
2、SCrSi是什么材质?" Z2 B/ F# \6 |4 t; Y& T/ E
谢谢!
标题栏.jpg
剖面形状1.jpg
剖面形状2.jpg
剖面形状3.jpg
发表于 2009-12-10 14:40:34 | 显示全部楼层 来自: 中国山东威海
是活塞间隙环,用于调整活塞的间隙。7 {$ L1 K& _  T2 I  v* I
SCSi 应该是一种聚酯类材料的。

评分

参与人数 1三维币 +2 收起 理由
userkypdy + 2 交流,谢谢

查看全部评分

发表回复
您需要登录后才可以回帖 登录 | 注册

本版积分规则


Licensed Copyright © 2016-2020 http://www.3dportal.cn/ All Rights Reserved 京 ICP备13008828号

小黑屋|手机版|Archiver|三维网 ( 京ICP备2023026364号-1 )

快速回复 返回顶部 返回列表