QQ登录

只需一步,快速开始

登录 | 注册 | 找回密码

三维网

 找回密码
 注册

QQ登录

只需一步,快速开始

展开

通知     

查看: 1350|回复: 0
收起左侧

[分享] 焊接式管接头

[复制链接]
发表于 2009-8-19 16:56:57 | 显示全部楼层 |阅读模式 来自: 中国云南昆明

马上注册,结识高手,享用更多资源,轻松玩转三维网社区。

您需要 登录 才可以下载或查看,没有帐号?注册

x
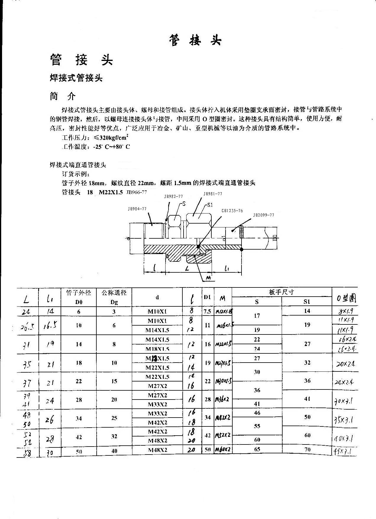
主要是结构尺寸,有一些尺寸是很难查到的,个人整理。
8 t7 U! F; t. f& l6 `, X 端直通.jpg
. g$ r$ m2 i) V- E2 o/ O* b# [* j$ I5 |1 ?: h3 F
以下是各种焊接式管接头的结构尺寸8 @  L; J9 t3 S3 D0 C; D

& L; r# W, N1 O+ ]$ ^. L 焊接式管接头.rar (933.12 KB, 下载次数: 22)
发表回复
您需要登录后才可以回帖 登录 | 注册

本版积分规则


Licensed Copyright © 2016-2020 http://www.3dportal.cn/ All Rights Reserved 京 ICP备13008828号

小黑屋|手机版|Archiver|三维网 ( 京ICP备2023026364号-1 )

快速回复 返回顶部 返回列表