QQ登录

只需一步,快速开始

登录 | 注册 | 找回密码

三维网

 找回密码
 注册

QQ登录

只需一步,快速开始

展开

通知     

查看: 1156|回复: 0
收起左侧

[求助] 回转马达工作原理

[复制链接]
发表于 2009-8-18 22:48:28 | 显示全部楼层 |阅读模式 来自: 中国广西玉林

马上注册,结识高手,享用更多资源,轻松玩转三维网社区。

您需要 登录 才可以下载或查看,没有帐号?注册

x
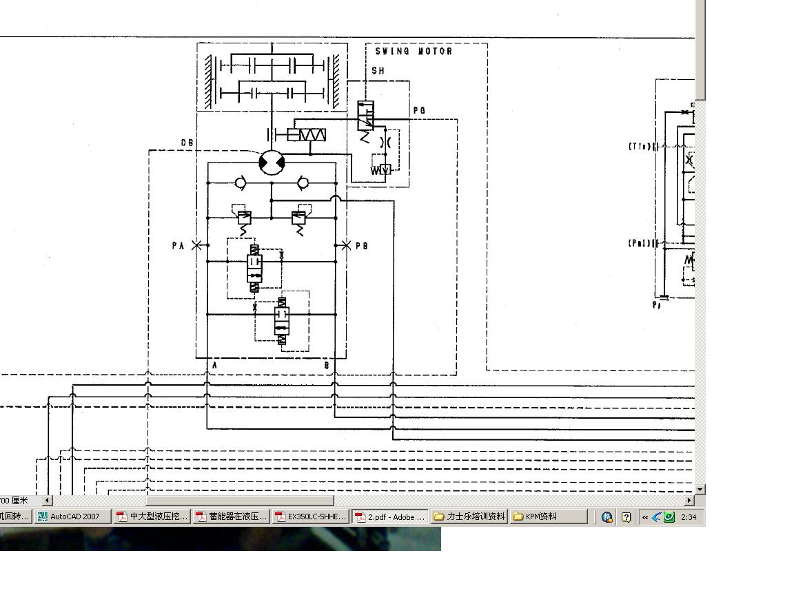
求助指点一下从论坛上传过来的回转马达是如何实现其工作原理的?感激不尽!!!
20081104_3030d94ceaf5cbe5190537zjNuVTPZvk.jpg
发表回复
您需要登录后才可以回帖 登录 | 注册

本版积分规则


Licensed Copyright © 2016-2020 http://www.3dportal.cn/ All Rights Reserved 京 ICP备13008828号

小黑屋|手机版|Archiver|三维网 ( 京ICP备2023026364号-1 )

快速回复 返回顶部 返回列表