QQ登录

只需一步,快速开始

登录 | 注册 | 找回密码

三维网

 找回密码
 注册

QQ登录

只需一步,快速开始

展开

通知     

查看: 1331|回复: 5
收起左侧

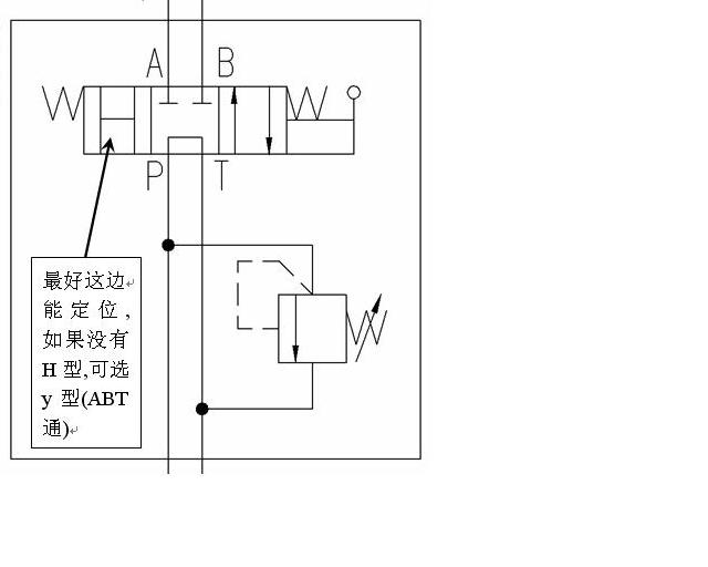
[求助] 有无前辈接触过图中的手动换向阀

[复制链接]
发表于 2009-8-17 15:35:37 | 显示全部楼层 |阅读模式 来自: 中国浙江杭州

马上注册,结识高手,享用更多资源,轻松玩转三维网社区。

您需要 登录 才可以下载或查看,没有帐号?注册

x
阀的各位置的机能如图所示,如果有用过或了解过这种阀的前辈推荐一下厂家名称,现我司一个试验设备需要这种阀!
1.JPG
发表于 2009-8-17 16:23:36 | 显示全部楼层 来自: 中国辽宁沈阳
我用过哈威的,华德的
 楼主| 发表于 2009-8-17 16:46:57 | 显示全部楼层 来自: 中国浙江杭州
华德的我找了,没有这种机能的换向阀
发表于 2009-8-17 16:54:49 | 显示全部楼层 来自: 中国广东深圳
楼主可以找设计阀的工程师问问.
! @4 {  w( O# O# [$ ?$ o2 M他们可能知道,有的机能的阀,你把阀芯调头了,就能得到上面的阀了.
发表于 2009-8-20 13:02:53 | 显示全部楼层 来自: 中国北京
楼主画的可不是H行啊,是G行。华德有的,去华德网站看看吧,下个样本。加个叠加溢流阀就行了。
发表于 2009-9-6 04:30:17 | 显示全部楼层 来自: 中国河北邯郸
型号一般都说的是中位机能  四川长江是专业生产手动换向阀的厂家
发表回复
您需要登录后才可以回帖 登录 | 注册

本版积分规则


Licensed Copyright © 2016-2020 http://www.3dportal.cn/ All Rights Reserved 京 ICP备13008828号

小黑屋|手机版|Archiver|三维网 ( 京ICP备2023026364号-1 )

快速回复 返回顶部 返回列表