QQ登录

只需一步,快速开始

登录 | 注册 | 找回密码

三维网

 找回密码
 注册

QQ登录

只需一步,快速开始

展开

通知     

查看: 1126|回复: 2
收起左侧

[已解决] 高手帮忙,这种剖视图怎么做

[复制链接]
发表于 2009-8-15 17:21:28 | 显示全部楼层 |阅读模式 来自: 中国重庆

马上注册,结识高手,享用更多资源,轻松玩转三维网社区。

您需要 登录 才可以下载或查看,没有帐号?注册

x
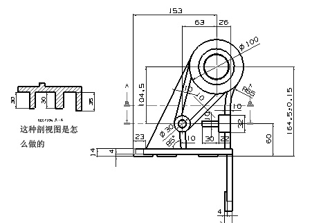
这种剖视图是什么做的,请帮忙
ps.jpg
发表于 2009-8-15 20:01:55 | 显示全部楼层 来自: 中国上海
请看下面的图片说明!
未命名.JPG

评分

参与人数 1三维币 +3 收起 理由
beyond2009 + 3 应助

查看全部评分

 楼主| 发表于 2009-8-15 21:08:58 | 显示全部楼层 来自: 中国重庆
非常感谢你的回复,
发表回复
您需要登录后才可以回帖 登录 | 注册

本版积分规则


Licensed Copyright © 2016-2020 http://www.3dportal.cn/ All Rights Reserved 京 ICP备13008828号

小黑屋|手机版|Archiver|三维网 ( 京ICP备2023026364号-1 )

快速回复 返回顶部 返回列表