QQ登录

只需一步,快速开始

登录 | 注册 | 找回密码

三维网

 找回密码
 注册

QQ登录

只需一步,快速开始

展开

通知     

查看: 2360|回复: 24
收起左侧

[求助] 此阀不能保压力

[复制链接]
发表于 2009-8-14 17:01:21 | 显示全部楼层 |阅读模式 来自: 中国浙江宁波

马上注册,结识高手,享用更多资源,轻松玩转三维网社区。

您需要 登录 才可以下载或查看,没有帐号?注册

x
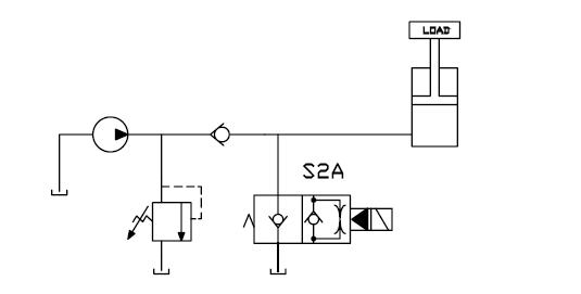
此阀在使用中不能保压是什么原因?请大家指点下如何解决。如下图6为使用油路图,电磁阀不通电时油缸慢慢的下降。
5.JPG
6.JPG
发表于 2009-8-14 17:10:38 | 显示全部楼层 来自: 中国河北廊坊
我觉得可能是与锥阀芯配合处的台肩处被杂物碰坏了、或是油缸活塞密封内泄都有可能
发表于 2009-8-14 17:38:56 | 显示全部楼层 来自: 中国江苏无锡
我觉得可能是泵出口的那个单向阀泄露
发表于 2009-8-14 20:17:11 | 显示全部楼层 来自: 中国北京

回复

检查油口是否结反  另外就是阀的厂家哪里 换个怎样?
发表于 2009-8-14 20:25:50 | 显示全部楼层 来自: 中国安徽合肥
你这种设计是不保压的.! q# P3 \+ d  ?2 d# [
原理图保不了压.
发表于 2009-8-15 10:37:46 | 显示全部楼层 来自: 新加坡
原理图本身似乎有问题!
发表于 2009-8-15 10:51:27 | 显示全部楼层 来自: 中国山东济宁
仅靠阀体尖角部分密封很不可靠,仔细将密封面检查一下.
发表于 2009-8-15 10:59:07 | 显示全部楼层 来自: 中国辽宁本溪
锥阀是可以实现短时保压的。
发表于 2009-8-16 09:06:38 | 显示全部楼层 来自: 中国上海
S2A阀可能内泄
发表于 2009-8-16 10:35:06 | 显示全部楼层 来自: 中国河北保定
不能保压不一定时电磁阀的问题,还有可能是你的液压缸内部的密封垫老化损坏了。液压油直接从油缸的下腔跑到上腔了。建议检查油缸。4 P% l! w, i! S& ?) C, l& c* d1 w

! s1 G3 q/ U8 m4 B) `1 X# Z8 b/ w1 u. K4 I[ 本帖最后由 yjybd 于 2009-8-17 07:59 编辑 ]

评分

参与人数 1三维币 +2 收起 理由
华氏911 + 2 技术讨论

查看全部评分

发表于 2009-8-16 15:46:38 | 显示全部楼层 来自: 中国广东江门
看你这个是电磁阀,是不是电控比例阀啊,如果是,那么你这个0位电流高了,造成不带电时有泄露。
发表于 2009-8-16 15:51:43 | 显示全部楼层 来自: 中国山西长治
单向阀泄露
发表于 2009-8-16 17:49:26 | 显示全部楼层 来自: 中国湖北鄂州
阀的结构更象溢流阀,原理上就不能保压.
发表于 2009-8-16 18:32:45 | 显示全部楼层 来自: 中国辽宁鞍山
可能是阀出现内泄额外问题了
发表于 2009-8-16 20:08:47 | 显示全部楼层 来自: 中国浙江杭州
该阀阀口属于金属密封,必定存在泄漏,而且近似线密封,对加工要求非常高,另外杂质的堆积也可能造成泄漏。可以先清洗,再安装,如仍不能保压,需检查密封处表面粗糙度不高于0.2,平面度不高于0.3,如全部合格当由于弹簧力不足引起。

评分

参与人数 1三维币 +3 收起 理由
华氏911 + 3 技术讨论

查看全部评分

发表于 2009-8-17 10:56:39 | 显示全部楼层 来自: 中国北京
从阀结构及原理图时可以保压的,不保压我认为三点原因
2 h6 y9 Q/ ^: @. _# `$ t* |: n1、泵出口单向阀,, q. `6 D6 |! R4 {8 i8 ]2 F
2、油缸内泄,如果是柱塞缸则基本不存在此原因5 R& O; F2 V7 R1 Z7 T( u
3、锥阀不保压,主阀芯和截流口阀芯都有可能,主阀芯有划痕可能性很大

评分

参与人数 1三维币 +5 收起 理由
华氏911 + 5 技术讨论

查看全部评分

发表于 2009-8-17 11:02:17 | 显示全部楼层 来自: 中国辽宁沈阳
原理上没什么问题,主要是阀芯内部有泄漏,
 楼主| 发表于 2009-8-17 11:23:24 | 显示全部楼层 来自: 中国浙江宁波

回复 12# cybld 的帖子

电磁阀经气压测试从p进气T出气,出气处接一水杯,类像修自行车的,p进气后有水泡出来,而单向阀是没有水泡的。
发表于 2009-8-17 15:05:31 | 显示全部楼层 来自: 中国江苏无锡
那应该就是电磁阀内有杂质,或者阀芯有磨损.
1 X6 N& R9 l6 W8 H" e# _
; v- `$ B' K) d# i$ J可以拆开看下,阀芯是否有磨损.顺便清洗下.5 K5 K* o$ ^) E0 K, a5 y5 M

# a5 c4 e- i' E" @; d如果是阀芯磨损只能换新阀了
发表于 2009-8-17 20:01:50 | 显示全部楼层 来自: 中国福建莆田
先查油缸是否有内漏,再换单向阀,最后是电磁阀。
发表于 2009-8-21 07:56:22 | 显示全部楼层 来自: 中国河北唐山
阀口有异物或阀口密封线磨损,建议更换新阀。
发表于 2009-8-21 08:51:30 | 显示全部楼层 来自: 中国上海
应该是阀本身的问题,这种阀的保压性能可能差点,建议去查一下厂家的样本介绍
发表于 2009-8-21 10:21:25 | 显示全部楼层 来自: 中国上海
同意20楼的看法,操作方便
发表于 2009-8-25 08:10:21 | 显示全部楼层 来自: 中国山东青岛
1、部件老化,密封圈漏泄。
7 i# @* r5 W/ t: p0 L$ R2、部件质量 。
发表于 2009-8-25 08:35:27 | 显示全部楼层 来自: 中国江苏常州
阀件本身的问题
发表回复
您需要登录后才可以回帖 登录 | 注册

本版积分规则


Licensed Copyright © 2016-2020 http://www.3dportal.cn/ All Rights Reserved 京 ICP备13008828号

小黑屋|手机版|Archiver|三维网 ( 京ICP备2023026364号-1 )

快速回复 返回顶部 返回列表