QQ登录

只需一步,快速开始

登录 | 注册 | 找回密码

三维网

 找回密码
 注册

QQ登录

只需一步,快速开始

展开

通知     

查看: 1421|回复: 4
收起左侧

[求助] 单独冷却回路

[复制链接]
发表于 2009-8-14 16:50:26 | 显示全部楼层 |阅读模式 来自: 中国北京

马上注册,结识高手,享用更多资源,轻松玩转三维网社区。

您需要 登录 才可以下载或查看,没有帐号?注册

x
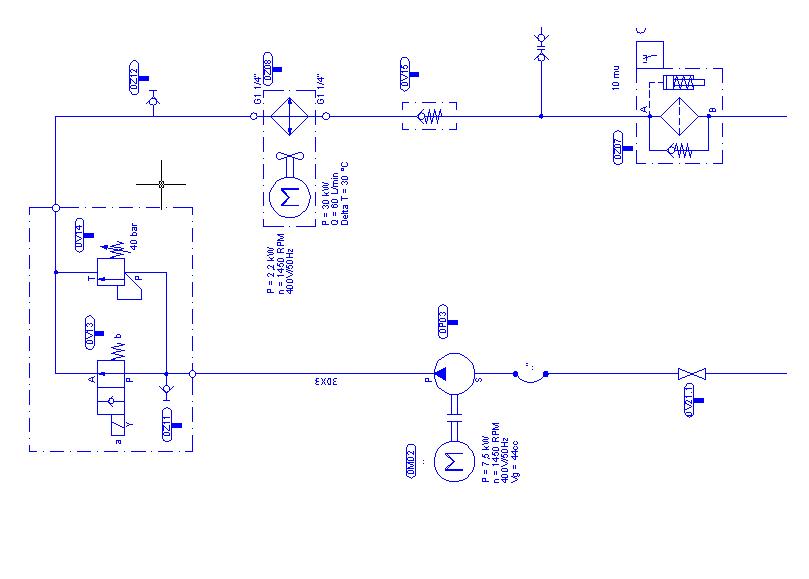
那位大侠帮我看看这个回路是什么意思,加个溢流阀,加个换向阀是什么意思啊

冷却回路.rar

23.31 KB, 下载次数: 17

发表于 2009-8-14 20:45:27 | 显示全部楼层 来自: 中国安徽淮北
看你这个图,应该是泵站制造厂给的原理图,
1 i( ~0 Q6 o& T5 V1 @2 i3 s4 ^' N) \系统需要的时候,阀ov13得电,溢流阀ov14起作用.  系统不需要压力时,阀ov13失电,油直接回油箱.
发表于 2009-8-15 11:11:00 | 显示全部楼层 来自: 中国辽宁本溪
贴上楼主的图。
: S# ]: N, d. J6 L因为溢流阀的调整压力是40bar。& f9 X0 j3 S# _4 u# ^3 u; H
还应该有一个作用,就是在油温低的时候,实现溢流加热。
m1.JPG
发表于 2009-8-17 10:32:18 | 显示全部楼层 来自: 中国广东深圳
3楼的"溢流加热"说法倒是存在,但是您看到有一个冷却器了没,降温用的.; H2 r) n- ?/ o* q1 E$ L* }! h8 H
我想主要还是因为过滤器那里的原因,这地方我弄不明白,有个单作用缸,有个单向阀- U0 N! o2 _( ~% l" a0 `
40bar的压力,跟单向阀的开启压力差不多,那么我认为:6 Q. Y8 r8 o) L/ s. M7 G: K3 G1 A7 _
电磁阀导通时,油缸动作,伸出触动某个开关发讯.
发表于 2009-8-17 11:57:16 | 显示全部楼层 来自: 中国辽宁沈阳
此系统有一个冷却装置,从原理上看,是不是小于10bar的压力时油泵的出口就不出油,也就是说此油泵的最小开启压力是40bar?/0 w- `/ i4 y( O
分析一下,个人观点仅供参考。
4 L! L$ R6 G0 B! ?$ x
+ r# g6 A; ?/ \  g$ L# E8 i5 S[ 本帖最后由 zhangbo2140 于 2009-8-17 11:58 编辑 ]
发表回复
您需要登录后才可以回帖 登录 | 注册

本版积分规则


Licensed Copyright © 2016-2020 http://www.3dportal.cn/ All Rights Reserved 京 ICP备13008828号

小黑屋|手机版|Archiver|三维网 ( 京ICP备2023026364号-1 )

快速回复 返回顶部 返回列表