QQ登录

只需一步,快速开始

登录 | 注册 | 找回密码

三维网

 找回密码
 注册

QQ登录

只需一步,快速开始

展开

通知     

查看: 1239|回复: 1
收起左侧

[讨论] 请大家评价一下我这个机液复合无级传动系统的设计情况!

[复制链接]
发表于 2009-8-10 14:42:28 | 显示全部楼层 |阅读模式 来自: 中国四川成都

马上注册,结识高手,享用更多资源,轻松玩转三维网社区。

您需要 登录 才可以下载或查看,没有帐号?注册

x
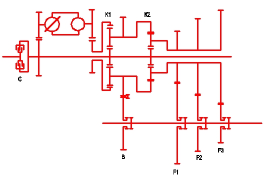
wenti.jpg
' t: L7 P2 F' y9 i8 y$ J3 ]* f; m9 ?机液复合无级变速器设计;
发表于 2009-8-10 15:23:57 | 显示全部楼层 来自: 中国广东深圳
那么多的齿轮组啊,看的眼花,圆圈的是液压马达吗?
& h# g" A1 \* h' l# Z你的齿轮组那么多,无非就是想得到多种速度
" n9 J0 V1 e. V4 p  J那你为何不直接用一个大齿轮和一个小齿轮组合,通过调节马达的进油量来得到快慢速?
发表回复
您需要登录后才可以回帖 登录 | 注册

本版积分规则


Licensed Copyright © 2016-2020 http://www.3dportal.cn/ All Rights Reserved 京 ICP备13008828号

小黑屋|手机版|Archiver|三维网 ( 京ICP备2023026364号-1 )

快速回复 返回顶部 返回列表