QQ登录

只需一步,快速开始

登录 | 注册 | 找回密码

三维网

 找回密码
 注册

QQ登录

只需一步,快速开始

展开

通知     

查看: 1207|回复: 2
收起左侧

[求助] 大虾帮忙讲解下这个泵的原理,谢谢!

[复制链接]
发表于 2009-7-24 09:35:46 | 显示全部楼层 |阅读模式 来自: 中国广东广州

马上注册,结识高手,享用更多资源,轻松玩转三维网社区。

您需要 登录 才可以下载或查看,没有帐号?注册

x
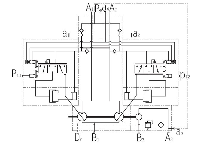
大虾帮忙讲解下这个泵的原理,谢谢!* Y$ |: a- W( I: q: ]' C/ i0 P
' D7 \$ O- _' o! j' Z# }7 Z
[ 本帖最后由 lzhuijin 于 2009-7-24 09:36 编辑 ]
未命名.jpg
发表于 2009-7-24 09:55:04 | 显示全部楼层 来自: 中国江苏徐州
这是川崎的K3V泵,主要用于挖掘机,你可以找一下这方面的资料。

评分

参与人数 1三维币 +2 收起 理由
柠檬咖啡 + 2 应助

查看全部评分

发表于 2009-7-24 21:26:23 | 显示全部楼层 来自: 中国北京
川崎的K5V泵也是这种原理的
& s; N4 [' ?7 V4 S9 W/ F这是川崎的一种恒功率负流量控制泵组
发表回复
您需要登录后才可以回帖 登录 | 注册

本版积分规则


Licensed Copyright © 2016-2020 http://www.3dportal.cn/ All Rights Reserved 京 ICP备13008828号

小黑屋|手机版|Archiver|三维网 ( 京ICP备2023026364号-1 )

快速回复 返回顶部 返回列表