QQ登录

只需一步,快速开始

登录 | 注册 | 找回密码

三维网

 找回密码
 注册

QQ登录

只需一步,快速开始

展开

通知     

查看: 2616|回复: 20
收起左侧

[已解决] 平面测量问题

[复制链接]
发表于 2009-7-21 10:42:33 | 显示全部楼层 |阅读模式 来自: 中国浙江嘉兴

马上注册,结识高手,享用更多资源,轻松玩转三维网社区。

您需要 登录 才可以下载或查看,没有帐号?注册

x
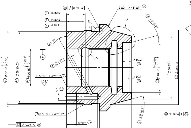
如图片上编号10的单跳动怎么测量!中国国家标准上没有这样的标法。图纸是老外的。具体的意思怎么样理解呢?产品出去老是有退货,就是说平面跳动不合格。测量工具三座标。
Image00000.jpg
头像被屏蔽
发表于 2009-7-21 10:50:40 | 显示全部楼层 来自: 中国辽宁丹东
提示: 作者被禁止或删除 内容自动屏蔽
发表于 2009-7-21 11:10:37 | 显示全部楼层 来自: 中国江苏常州
你也别测量工具什么的3 }' q9 N% k2 I% k
你都是用什么工艺手段制造出来的1 f$ y9 k$ h. {1 V* J1 j2 f" M' |2 ^
讲讲5 F: M9 \$ K0 S3 P. E* ^( y9 ]
看看有什么问题5 F2 d1 U: {* b2 Z. C+ I
----------------
3 X4 o6 o% `8 F9 |2 E7 `/ q# `零件的精度是制造出来的

评分

参与人数 1三维币 +2 收起 理由
userkypdy + 2 技术交流

查看全部评分

发表于 2009-7-21 11:27:13 | 显示全部楼层 来自: 中国湖北襄阳
做一个锥形轴穿过30的孔定位,测量10的全跳动
+ M; V% j2 f- {( j3 p2 z这个测量方式参考轴承旋转精度的测量。

评分

参与人数 1三维币 +2 收起 理由
userkypdy + 2 技术交流

查看全部评分

 楼主| 发表于 2009-7-21 12:04:02 | 显示全部楼层 来自: 中国浙江嘉兴
原帖由 eastlakewater 于 2009-7-21 11:10 发表 http://www.3dportal.cn/discuz/images/common/back.gif
0 |# t, M. W+ Q/ |- P- v你也别测量工具什么的- r5 F2 O$ d4 H
你都是用什么工艺手段制造出来的
$ y' u( e- N  [% J讲讲1 E. \4 ?; i5 v4 m
看看有什么问题
1 ?. r3 u' x. i: ?----------------8 C- A+ J2 C% o
零件的精度是制造出来的

7 n3 b2 {  F8 z- N- o7 |数控车。平面内孔一刀出,弹簧夹头。我知道零件的精度是制造出来的。但是我想问是怎么样用三座标测量。

评分

参与人数 1三维币 +2 收起 理由
userkypdy + 2 技术交流

查看全部评分

 楼主| 发表于 2009-7-21 12:05:38 | 显示全部楼层 来自: 中国浙江嘉兴
原帖由 CENBAOYI 于 2009-7-21 10:50 发表 http://www.3dportal.cn/discuz/images/common/back.gif
& e% [7 n' j/ {编号10具体的意思:端面对基准A的跳动,不大于0.03毫米。9 U; A( }; V* A$ ~7 v( x( n
如果,基准A与此端面是在一次装卡中完成的,是不存在问题的。
; ^" I/ h3 t$ A1 V, q9 S8 A" `- }* n
是一次装夹的。我想知道怎么测量。谢谢
 楼主| 发表于 2009-7-21 12:06:49 | 显示全部楼层 来自: 中国浙江嘉兴
原帖由 gp0134 于 2009-7-21 11:27 发表 http://www.3dportal.cn/discuz/images/common/back.gif3 j$ c6 ]# d8 E2 [  u
做一个锥形轴穿过30的孔定位,测量10的全跳动
1 Z8 W- q" a4 W: Z这个测量方式参考轴承旋转精度的测量。

5 i% R6 n, C- Z, \( a9 h这个方法在用,不是很理想。
发表于 2009-7-21 12:19:45 | 显示全部楼层 来自: 中国上海
加工完成后在工件从车床上卸下来前,没检查这个跳动公差吗?卸下来前测量可以打表啊。

评分

参与人数 1三维币 +2 收起 理由
userkypdy + 2 技术交流

查看全部评分

发表于 2009-7-21 13:04:09 | 显示全部楼层 来自: 中国北京
这个零件应该先以直径60的毛坯外圆定心,加工直径40H8的孔和毛钻密封槽以及最大外圆直径及右端面,并且粗加工直径30的孔,再以右端面和直径40H8的孔定位;用最大外圆直径夹紧;调头加工其余部分。由于编号10是一刀车成的,其跳动不会有问题。
" z5 S  a! ]' Q/ C3 a& m. B- c  |; j8 @6 ^$ d- v% x4 w- N# D& x
[ 本帖最后由 hhq426 于 2009-7-21 13:07 编辑 ]

评分

参与人数 1三维币 +2 收起 理由
userkypdy + 2 技术交流

查看全部评分

发表于 2009-7-21 19:37:05 | 显示全部楼层 来自: 中国江苏苏州
这个一般是不是不测  f$ u6 f0 e. B% o' s
通过床子保证啊

评分

参与人数 1三维币 +2 收起 理由
userkypdy + 2 技术交流

查看全部评分

发表于 2009-7-21 19:43:24 | 显示全部楼层 来自: 中国山东烟台
这个是三坐标检测学习时最基本的,最好以要求严格的要素作为基准,这样测量的结果就比较合理

评分

参与人数 1三维币 +2 收起 理由
userkypdy + 2 技术交流

查看全部评分

发表于 2009-7-22 10:17:35 | 显示全部楼层 来自: 中国上海
不要把三坐标看得那么好用,你这个要求也不高,常规检查方法很好用的。穿芯轴打表就行了。

评分

参与人数 1三维币 +2 收起 理由
userkypdy + 2 技术交流

查看全部评分

 楼主| 发表于 2009-7-22 10:33:42 | 显示全部楼层 来自: 中国浙江嘉兴
原帖由 mengfansheng 于 2009-7-21 19:43 发表 http://www.3dportal.cn/discuz/images/common/back.gif+ T9 ~( h0 J) R( o8 |# S& }$ I# X
这个是三坐标检测学习时最基本的,最好以要求严格的要素作为基准,这样测量的结果就比较合理

4 ?4 E- L+ C! t6 A; I  ]" E能不能详细的说说,怎么样评价,我们是海克斯康的机器,软件是PC-DMIS4.2。谢谢
发表于 2009-7-23 21:56:20 | 显示全部楼层 来自: 中国山东青岛
你用的海克斯康的CMM有扫描功能吗?5 `; C3 I7 Y) u, ^9 x1 N9 r
(1) 如果有扫描功能,你可以这样测量。将这个工件竖放在大理石平台上,用探针在基准A孔内扫描两个截面,分别求出两个截面的圆心,两个圆心连接建立A基准。两个截面的位置尽量均匀,比如可以取8mm深和16mm深。' Y& c5 a8 D% A, x: o" x) p
(2)然后扫描被测量平面一圈。选择软件里面的端面圆跳动项即可求出跳动量,滤波参数可取50upr。
3 v+ ?+ b: u" q9 `; I
' o, v, K% t; ~7 l' p& X3 k0 D如果没有扫描功能,那么只能打点,一般说来,每个测量截面至少要打4个点。

评分

参与人数 1三维币 +2 收起 理由
userkypdy + 2 技术交流

查看全部评分

发表于 2009-7-25 20:40:33 | 显示全部楼层 来自: 中国江苏无锡
内撑A基准,用丝表打平面就好了,看是否超过3条

评分

参与人数 1三维币 +2 收起 理由
userkypdy + 2 技术交流

查看全部评分

发表于 2009-7-25 20:58:11 | 显示全部楼层 来自: 中国江苏常州
你这零件应该没问题。冒昧地问一句,零件要不要淬火。

评分

参与人数 1三维币 +2 收起 理由
userkypdy + 2 技术交流

查看全部评分

发表于 2009-7-26 09:53:26 | 显示全部楼层 来自: 中国天津
检测基准与加工基准重合吗?如果重合,找找夹具,然后找找刀具和机床的原因吧,个人的理解' i$ T7 I2 O/ A

; z; t" C9 p% P( N[ 本帖最后由 userkypdy 于 2009-7-26 09:54 编辑 ]
发表于 2009-7-26 10:52:06 | 显示全部楼层 来自: 中国江苏常州
1.还是问老外要份详细的检测报告吧,定位基准,误差特征和位置,一一搞清楚。这样分析才能有的放矢。5 N: n+ g9 O) ~$ t" Y/ N. A
2.要与老外沟通,检测方法要一致,不然今后有的烦。条件不具备不能完全一致,也要得到外方认可。切记
发表于 2009-7-26 15:49:23 | 显示全部楼层 来自: 中国江苏苏州
好象打表的办法误差比较大,测的是竖直面的跳动,打表误差大
发表于 2009-7-27 11:10:42 | 显示全部楼层 来自: 中国上海
原帖由 singing18 于 2009-7-25 20:40 发表 http://www.3dportal.cn/discuz/images/common/back.gif  J/ j6 T" M0 n9 z/ _, r; u/ k  U
内撑A基准,用丝表打平面就好了,看是否超过3条
支持你的观点,我感觉这个标注主要考察平面度及这个平面与A的垂直度,所以我个人认为保持A与三坐标平台垂直来测量平面的平面度就可以.
发表于 2009-7-27 22:22:24 | 显示全部楼层 来自: 中国浙江台州

回复 19# rock.yee 的帖子

打表是比较测量,0.03的跳动能测不出来,笑话,看你用什么方法测量了
发表回复
您需要登录后才可以回帖 登录 | 注册

本版积分规则


Licensed Copyright © 2016-2020 http://www.3dportal.cn/ All Rights Reserved 京 ICP备13008828号

小黑屋|手机版|Archiver|三维网 ( 京ICP备2023026364号-1 )

快速回复 返回顶部 返回列表