QQ登录

只需一步,快速开始

登录 | 注册 | 找回密码

三维网

 找回密码
 注册

QQ登录

只需一步,快速开始

展开

通知     

查看: 4317|回复: 29
收起左侧

[求助] 油缸为什么动不了

[复制链接]
发表于 2009-7-17 18:46:58 | 显示全部楼层 |阅读模式 来自: 中国广东深圳

马上注册,结识高手,享用更多资源,轻松玩转三维网社区。

您需要 登录 才可以下载或查看,没有帐号?注册

x
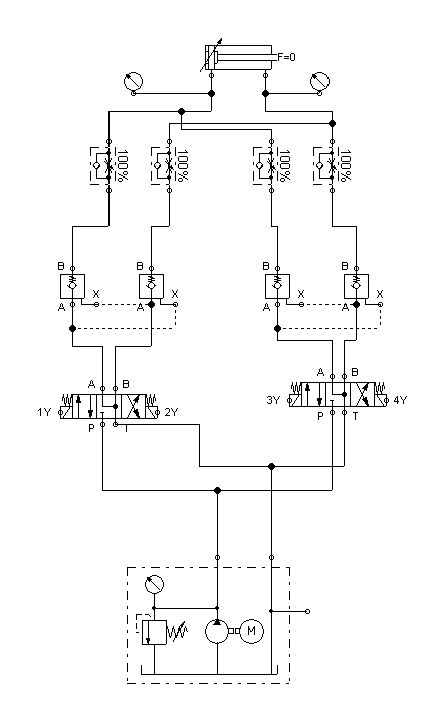
各位大师:4 t# T" V  T  |0 H3 b0 l  Y6 Q( l* h
      在下有礼了。
5 u" }4 q# G7 [7 k      有个问题要向各位请教一下。如图; N3 s* l: |# O6 W
      两个电磁阀,不论是哪一个通电,油缸都只能出不能进,是为什么?还请各位给指点一二。
6 U- |1 l6 k7 p  g$ {! O4 [
( V+ W! H8 \; s3 l                              谢谢。 a.JPG
发表于 2009-7-17 19:16:03 | 显示全部楼层 来自: 中国北京
背压大?液压锁关不了?
发表于 2009-7-17 22:54:02 | 显示全部楼层 来自: 中国四川成都
双向通电都是伸出?
发表于 2009-7-17 23:30:35 | 显示全部楼层 来自: 中国河南南阳
查一下油缸是不是有内泄漏。
发表于 2009-7-18 06:30:52 | 显示全部楼层 来自: 中国海南海口
有可能是缩回边液控单向活门有问题。
发表于 2009-7-18 09:40:55 | 显示全部楼层 来自: 中国山东青岛
请楼主将问题详细描述一下,有助于分析问题
% X, g& U+ ]5 \/ P* }1.回油油路不是直接接在油箱的吧?# d" Q6 x: R' U0 ]3 g* I7 z# u
2.工作压力等
发表于 2009-7-18 10:39:08 | 显示全部楼层 来自: 中国山西晋城
注意一下单向阀
发表于 2009-7-18 11:06:38 | 显示全部楼层 来自: 中国广东江门
是不是正好进的哪个单向节流阀关了?
发表于 2009-7-18 11:09:54 | 显示全部楼层 来自: 中国广东深圳
也许是单向节流阀开度太小了.
& E+ g( ^) }# ?2 \+ j我的图跟你的一样,我的系统动作正常啊
未命名.jpg

评分

参与人数 1三维币 +3 收起 理由
自流井 + 3 应助

查看全部评分

发表于 2009-7-18 11:14:17 | 显示全部楼层 来自: 中国广东深圳
如果单向节流阀没问题,,那就得检查液压锁了.' {$ e( M% b( C0 B3 |% c
其中一个换向阀得电,另外一个不得点,液压锁有问题的话,有杆腔建立不了压力,
8 Y- ?* b" J1 `/ E1 x所以油缸不能回去了.,有杆腔压力正常吗?
 楼主| 发表于 2009-7-18 19:27:52 | 显示全部楼层 来自: 中国浙江杭州
谢谢各位大师) l  D: a3 ^7 a4 \2 F$ `
回油直接回油箱,背压过大不存在.流量阀也调了,没用.我试了一下,把3C4的阀换成3C2的阀就能正常动作.实在想不通
发表于 2009-7-18 20:34:20 | 显示全部楼层 来自: 中国河北唐山
系统我认为问题不大,查一下是不是液压缸内泄?因为两腔作用面积不同,如果内泄的话无论哪个阀工作,都有可能伸出。这种故障我们这儿经常出现。
发表于 2009-7-18 20:51:32 | 显示全部楼层 来自: 中国辽宁鞍山

我做了一个仿真能正常的伸出和缩回呀

我做了一个仿真能正常的伸出和缩回呀
截图1.jpg

仿真视频.rar

1.12 MB, 下载次数: 28

评分

参与人数 1三维币 +3 收起 理由
自流井 + 3 这个不错,是什么软件做的呢?

查看全部评分

发表于 2009-7-18 21:20:37 | 显示全部楼层 来自: 中国山东威海
楼主请问:把3C4的阀换成3C2的阀就能正常动作,是什么阀。
发表于 2009-7-19 07:30:28 | 显示全部楼层 来自: 中国河南南阳
原帖由 yqy211515 于 2009-7-18 19:27 发表 http://www.3dportal.cn/discuz/images/common/back.gif
/ L9 z$ W- ~. s. U. {谢谢各位大师
! P- E6 m  f( m% b" ?8 B3 E回油直接回油箱,背压过大不存在.流量阀也调了,没用.我试了一下,把3C4的阀换成3C2的阀就能正常动作.实在想不通

% `& `$ i9 i7 I" {* D
3 ]4 i& k. x/ [把3C4的阀换成3C2的阀就能正常动作应该与你的油路连接或液压锁、3C4的阀的质量有关。
& g* k& {% ~: m. ]) ]' x
! w9 H0 X, G& e/ g这个系统使用3C4机能的阀是正常的系统,不建议改为3C2。
发表于 2009-7-19 08:42:50 | 显示全部楼层 来自: 中国江苏无锡
3C4不能用,就这个阀分析,  是不是那个阀或者什么原因形成差动回路了,所以动不了   猜测的
 楼主| 发表于 2009-7-20 15:04:05 | 显示全部楼层 来自: 中国广东深圳
原帖由 9619 于 2009-7-19 07:30 发表 http://www.3dportal.cn/discuz/images/common/back.gif' b* L# U# ]' e; d

1 }# N5 x6 [, ]$ ]
4 k% q1 e3 f! T; H; g. |把3C4的阀换成3C2的阀就能正常动作应该与你的油路连接或液压锁、3C4的阀的质量有关。
; P" u9 i& w' F
8 M8 m# i: T) I5 p+ c9 |$ q这个系统使用3C4机能的阀是正常的系统,不建议改为3C2。

& k" C$ X/ c, V2 f! S该系统正常使用应该是3C4,不应为3C2。该 油路中所有液压元件都是VICKERS的阀。不应有什么问题。
发表于 2009-7-20 20:13:40 | 显示全部楼层 来自: 中国河南濮阳
原帖由 yqy211515 于 2009-7-20 15:04 发表 http://www.3dportal.cn/discuz/images/common/back.gif
+ N+ {! J+ ]' E# i) P* m
* P. U. M% y, ?3 S. |/ K9 {& q3 e该系统正常使用应该是3C4,不应为3C2。该 油路中所有液压元件都是VICKERS的阀。不应有什么问题。

  ^; l' m7 I. W% |: c7 f: U' Q5 i" h. b& g
请注意4#楼、16#楼:个人感觉应该是差动形成的这种现象。
发表于 2009-7-23 17:14:06 | 显示全部楼层 来自: 中国广东深圳
等了几天,楼主没找出原因吗?
3 n- i5 C- N; g$ f4 ~6 H9 b1 D1 b6 t既然换了O型的阀就能动作,那就说明楼主的电磁阀得电顺序不对,  Q: H: D9 D% K: l) _
可能是压力油直接回油箱了.O型的不得点时,能建立起压力啊.所以就能回去了
发表于 2009-7-24 00:27:26 | 显示全部楼层 来自: 中国北京
检查一下节流阀和单向阀
发表于 2009-7-24 08:57:33 | 显示全部楼层 来自: 中国安徽合肥
中位机能有无问题啊,是不是受另一阀的影响,楼上那个做视频的兄弟,你是怎么弄的啊??????什么软件讲讲色
发表于 2009-7-24 10:01:19 | 显示全部楼层 来自: 中国上海
做视频的  是用的festo的 液压仿真软件   感觉不是太实用
发表于 2009-7-24 18:31:42 | 显示全部楼层 来自: 中国江苏淮安
注意一下单向阀
发表于 2009-7-24 23:18:33 | 显示全部楼层 来自: 中国江苏镇江
检查一下活塞无杆侧密封
发表于 2009-7-25 10:42:08 | 显示全部楼层 来自: 中国山东烟台
从原理图上看,不应采用3C2阀,阀芯有没有卡住现象?另外看一下油缸的内泄问题,内泄大了,由于面积差产生压力差,所以只能向前走。至于换了3C2以后就好用了,还需要观察,如果真的好用,说明油缸的内泄问题不大,还是换回3C4阀再试一下。
发表回复
您需要登录后才可以回帖 登录 | 注册

本版积分规则


Licensed Copyright © 2016-2020 http://www.3dportal.cn/ All Rights Reserved 京 ICP备13008828号

小黑屋|手机版|Archiver|三维网 ( 京ICP备2023026364号-1 )

快速回复 返回顶部 返回列表