QQ登录

只需一步,快速开始

登录 | 注册 | 找回密码

三维网

 找回密码
 注册

QQ登录

只需一步,快速开始

展开

通知     

查看: 1942|回复: 11
收起左侧

[求助] 谁有力士乐这个阀的资料呀

[复制链接]
发表于 2009-7-7 15:48:53 | 显示全部楼层 |阅读模式 来自: 中国北京

马上注册,结识高手,享用更多资源,轻松玩转三维网社区。

您需要 登录 才可以下载或查看,没有帐号?注册

x
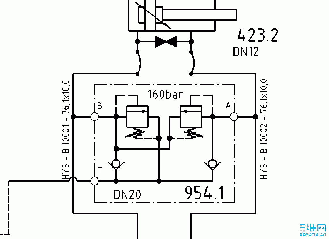
力士乐的阀:型号为AGEV1-08204-A/HM;请问这是个什么阀,力士乐的资料上写着 pressure and anticavitation block dn20
平衡阀.gif
未标题-1.gif
发表于 2009-7-7 19:03:06 | 显示全部楼层 来自: 中国湖北孝感
是双向溢流阀 带补油功能  oil control 有

评分

参与人数 1三维币 +2 收起 理由
柠檬咖啡 + 2 应助

查看全部评分

 楼主| 发表于 2009-7-8 08:47:03 | 显示全部楼层 来自: 中国北京
谁有这个阀的样本呀
 楼主| 发表于 2009-7-9 12:53:29 | 显示全部楼层 来自: 中国北京
什么叫oil control ?哪有呀?
发表于 2009-8-28 16:57:39 | 显示全部楼层 来自: 中国上海
oil control 专门玩螺纹插装阀的公司,刚被REXROTH收购,我有它的样本,可惜无电子档,也不在身边
发表于 2009-8-28 17:46:50 | 显示全部楼层 来自: 中国山西大同
是平衡阀,还是双向溢流阀?
发表于 2009-8-28 21:15:40 | 显示全部楼层 来自: 中国安徽淮北
这样是不是成本太高了?% v+ u: b+ f" F; Y4 `7 w
用两个溢流阀+单向阀就解决了.
发表于 2009-8-29 06:32:10 | 显示全部楼层 来自: 中国吉林长春
从图中看出应该是油缸侧溢流阀缓冲回路,起到保护油缸作用,是双向溢流阀保护油缸不超压,同时 带补油功能
发表于 2009-8-29 15:00:37 | 显示全部楼层 来自: 中国江苏常州
是力士乐一个控制阀组的型号,上面有DBDS和M-SR组成这个功能。
 楼主| 发表于 2009-8-30 13:55:27 | 显示全部楼层 来自: 中国北京
谁有这个阀的样本呀
发表于 2009-8-30 18:47:28 | 显示全部楼层 来自: 中国上海
二次溢流阀。可以用螺纹插装阀自己做的啊。无论哪一家都可以找的到这样的阀。就是溢流阀和单向阀。做个块不就可以了么?
发表于 2009-8-30 22:51:23 | 显示全部楼层 来自: 中国江苏常州
这个没有样本,力士乐只有图纸。当然不会给你了。据我所知他们可能会给你外形图。可以参照外形图设计。
发表回复
您需要登录后才可以回帖 登录 | 注册

本版积分规则


Licensed Copyright © 2016-2020 http://www.3dportal.cn/ All Rights Reserved 京 ICP备13008828号

小黑屋|手机版|Archiver|三维网 ( 京ICP备2023026364号-1 )

快速回复 返回顶部 返回列表