QQ登录

只需一步,快速开始

登录 | 注册 | 找回密码

三维网

 找回密码
 注册

QQ登录

只需一步,快速开始

展开

通知     

查看: 1711|回复: 6
收起左侧

[求助] 关于LS和LUDV

[复制链接]
发表于 2009-6-18 09:44:16 | 显示全部楼层 |阅读模式 来自: 中国湖南长沙

马上注册,结识高手,享用更多资源,轻松玩转三维网社区。

您需要 登录 才可以下载或查看,没有帐号?注册

x
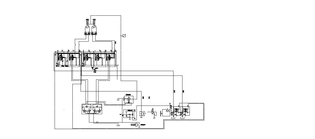
现准备做一系统,因为有复合动作,且泵的流量小于复合动作最大流量需求,想到用LUDV,问题如下:
  i' b5 ~' k' W7 j, d, @         我的行走马达是分别由两个泵供油的,4 c' {, a8 ?$ q. ~2 P
     其中一个泵准备用搭配LS负载敏感阀,另一个泵准备搭配LUDV(与负载无关的流量分配); W7 e$ P3 W1 [3 d
原理图如下,' o, v4 i* x2 y# A3 w
   这样做可行吗?. A" V( d7 ~5 o8 n. T
     http://1
行走系统.jpg
 楼主| 发表于 2009-6-18 09:46:37 | 显示全部楼层 来自: 中国湖南长沙
左马达是用负载敏感阀控制,右马达是用LUDV控制,这样做会有什么问题不?+ F5 ]+ G5 ]; `1 g

0 Y- R1 C3 V' _7 K, M  o9 j[ 本帖最后由 fanjie99 于 2009-6-18 10:03 编辑 ]
发表于 2009-6-18 10:37:54 | 显示全部楼层 来自: 中国河北沧州
楼主的图纸太小了,什么也看不清,请重新上传图纸。
发表于 2009-6-18 13:45:11 | 显示全部楼层 来自: 中国河南郑州
为什么不用同一种LUDV阀,将两泵合流进行供流,反馈口并联;请上传清楚的原理
 楼主| 发表于 2009-6-18 14:20:09 | 显示全部楼层 来自: 中国湖南长沙
左边流量够了
) {3 n. z% x& k# C! y4 `所以没用
发表于 2009-6-20 22:49:26 | 显示全部楼层 来自: 中国北京
注意:行走同步问题,设计时一定要考虑% {+ j6 Q* ^6 ]6 j+ y# G
           可以行走共用一个泵,其它动作一个泵
发表于 2009-6-21 12:14:28 | 显示全部楼层 来自: 中国北京
同意楼上,该方案无法保证两个马达的同步。  w7 V/ j2 g$ C/ s7 N2 b9 Q. t
可能会出现严重的跑偏现象。
发表回复
您需要登录后才可以回帖 登录 | 注册

本版积分规则


Licensed Copyright © 2016-2020 http://www.3dportal.cn/ All Rights Reserved 京 ICP备13008828号

小黑屋|手机版|Archiver|三维网 ( 京ICP备2023026364号-1 )

快速回复 返回顶部 返回列表