QQ登录

只需一步,快速开始

登录 | 注册 | 找回密码

三维网

 找回密码
 注册

QQ登录

只需一步,快速开始

展开

通知     

查看: 1647|回复: 5
收起左侧

[求助] 关于平衡阀压力的设定值?

[复制链接]
发表于 2009-6-18 09:10:11 | 显示全部楼层 |阅读模式 来自: 中国山东济宁

马上注册,结识高手,享用更多资源,轻松玩转三维网社区。

您需要 登录 才可以下载或查看,没有帐号?注册

x
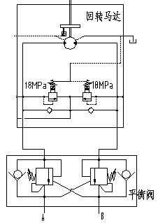
关于平衡阀压力的设定值?如下图% x# D4 E, Y: c  ~  y# ^- C
2 l# }# W. d- \5 {6 b6 W
[[i] 本帖最后由 9527110 于 2009-6-18 09:40 编辑 [/i]]
phf.jpg
发表于 2009-6-18 09:21:25 | 显示全部楼层 来自: 中国江苏无锡
什么意思?大还是小>
发表于 2009-6-18 09:25:42 | 显示全部楼层 来自: 中国江苏无锡
个人感觉是跟负载一样的吧?跟系统压力有的比较吗?
 楼主| 发表于 2009-6-18 16:23:44 | 显示全部楼层 来自: 中国山东济宁
有谁知道先导比什么意思?
发表于 2009-6-18 16:35:39 | 显示全部楼层 来自: 中国北京
平衡阀的压力设定应根据负载来确定。
 楼主| 发表于 2009-6-21 18:16:16 | 显示全部楼层 来自: 中国山东济宁
  人少
发表回复
您需要登录后才可以回帖 登录 | 注册

本版积分规则


Licensed Copyright © 2016-2020 http://www.3dportal.cn/ All Rights Reserved 京 ICP备13008828号

小黑屋|手机版|Archiver|三维网 ( 京ICP备2023026364号-1 )

快速回复 返回顶部 返回列表