QQ登录

只需一步,快速开始

登录 | 注册 | 找回密码

三维网

 找回密码
 注册

QQ登录

只需一步,快速开始

展开

通知     

查看: 2092|回复: 15
收起左侧

[求助] 平衡阀问题

[复制链接]
发表于 2009-6-15 17:29:53 | 显示全部楼层 |阅读模式 来自: 中国福建福州

马上注册,结识高手,享用更多资源,轻松玩转三维网社区。

您需要 登录 才可以下载或查看,没有帐号?注册

x
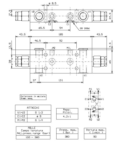
下图平衡阀是要每缸一个,还是只要一个  只要一个节流阀通流量大点就可以了吧?
17 点 22 分 11 秒.JPG
发表于 2009-6-15 19:02:10 | 显示全部楼层 来自: 中国浙江杭州
只在油缸下腔安装一个就可以了
发表于 2009-6-15 20:14:46 | 显示全部楼层 来自: 中国广东东莞
两油缸需不需要同步,有没有机械同步机构?
3 y. ~9 f% I# }  S# D% D! ^( p1 P经济性怎样?9 x: P+ c; t: ~7 z
可以用右边图,但你的平衡阀在哪里?呵呵
 楼主| 发表于 2009-6-15 20:26:45 | 显示全部楼层 来自: 中国福建福州
有机械同步机构,这样子起不到平衡阀作用么?可以吧
发表于 2009-6-15 20:31:10 | 显示全部楼层 来自: 中国上海
你画的好像是液压锁,而且如果要求安全性的话平衡阀应该直接安装在油缸的油口上。
发表于 2009-6-15 22:24:24 | 显示全部楼层 来自: 中国内蒙古呼和浩特
撇开同步不说,请问大家,右图的立式油缸重载下降时,能否实现平衡呢?通过节流阀只能实现调速吧,当油缸下降时,如果不安装平衡阀,油缸会不会超速下滑呢?$ m* ~- P- F7 e  Y) T( [5 T
1、我在设计这样的系统时,在右图的基础上,去掉节流阀,取而代之为平衡阀,下降速度可以通过平衡阀来控制,同时因平衡阀的被压,下降平稳。对不对?
8 x% m4 W) o% s1 O2、如果按照右图的话,下降时,会不会发生超速下滑?
8 t; T0 Z+ E3 Z0 v5 s4 @; u5 _" ], w9 z. |
大家分析一下
发表于 2009-6-15 23:40:26 | 显示全部楼层 来自: 中国内蒙古呼和浩特
大家讨论阿,这个问题经常遇到阿
发表于 2009-6-16 09:45:43 | 显示全部楼层 来自: 中国四川成都
要看负载大小、油缸大小、节流阀是否选取合适。从根本讲:节流阀是用于调节流量从而调节速度的,调节流量的同时自然造成压差即背压,也就能使缸不下滑。平衡阀本身就是压力调节阀,直接调节其压力与负载平衡即背压,使缸不下滑。从效果来看,当然是平衡阀好,它就是为此而设计的,工作平稳。节流阀在节流口很小的情况下容易堵塞,刚性不好,工作不象平衡阀稳定。所以当系统负载不大、要求不严格时用节流阀,反之要求高的尤其保压时间长的用平衡阀好。仅供参考。& m1 q; z& _4 u# v" u$ N8 @
! n9 A) e& ]4 q* X4 I, K) I: Q
[ 本帖最后由 SX雪花 于 2009-6-16 09:47 编辑 ]
发表于 2009-6-16 09:50:37 | 显示全部楼层 来自: 中国河南郑州
你如果去掉节流阀,换成平衡阀,应该同时去掉液压锁;另外,两个油缸的同步问题还是无法解决的,单个油缸无法调整
发表于 2009-6-16 10:03:40 | 显示全部楼层 来自: 中国河北邢台
原帖由 lszdyx 于 2009-6-15 22:24 发表 http://www.3dportal.cn/discuz/images/common/back.gif8 j# g0 X) F8 k' ~8 u) z
撇开同步不说,请问大家,右图的立式油缸重载下降时,能否实现平衡呢?通过节流阀只能实现调速吧,当油缸下降时,如果不安装平衡阀,油缸会不会超速下滑呢?
! @% Q0 u7 f3 l$ E& _: D, d/ n/ K7 i7 F1、我在设计这样的系统时,在右图的基础上,去掉节流阀, ...

0 f* V- r# r) g7 |! C 1、有节流阀油缸在重载下行时不会失速。
3 T- I7 S, n8 |" e2 L! o( K+ ~2、如果用平衡阀哪得选用多大平衡压力的平衡阀来平衡重载呀
9 g- y) M! X+ @" b3 u3、请各位看一下机械设计手册,液控阀用作平衡时的典型回路。
4 c" U" Z' N9 t  r. K" E' }% J- x% [楼主的设计没有问题,撇开同步的话,采用右边的原理图就行了
发表于 2009-6-16 14:04:12 | 显示全部楼层 来自: 中国内蒙古呼和浩特
9楼的说法是否正确,请大家评论,我觉得平衡阀和液压锁所启的作用还是不一样的,平衡阀是用作被压的,因此使用平衡阀会增加系统功率损失,它可以防止重物超速下滑,其根本原因在于:平衡阀的设定压力大于等于重物产生的压力.  虽然当油缸下行后在任意位置停止后,油缸也能保持不动,但时间长,油缸还会缓慢下降,也就是说如果系统要求严格的位置控制,则最好加上液压锁,可保证油缸在任意位置停留后可靠锁紧.
发表于 2009-6-16 15:09:52 | 显示全部楼层 来自: 中国山东济宁
楼主用的好像不是平衡阀哦
phf.jpg
发表于 2009-6-17 13:28:58 | 显示全部楼层 来自: 中国北京
楼主的图中就没有平衡阀。9 [& n5 ?! R* p8 E' x) ]0 C
使用平衡阀的目的是为了平衡油缸及负载的自重,所以在选择上要按照负载情况来选择。尤其负载较大时,必须使用平衡阀。
发表于 2009-6-17 13:31:50 | 显示全部楼层 来自: 中国江苏无锡
只是一个同步功能吧?
发表于 2009-7-25 17:07:24 | 显示全部楼层 来自: 中国山东烟台
主要看油缸的工作情况,如果油缸是上下安装,不需要精确定位,不需要长时间保压,还是采用平衡阀较好一些,运行平稳。楼主右图的设计也没有问题,采用节流阀可以控制下降速度,但是随季节的变化,可能有时需要调节一下。总之看实际使用场合,如果油缸是水平使用,楼主要右图很好了,定位准,锁紧好。
发表于 2009-7-25 17:07:57 | 显示全部楼层 来自: 中国山东烟台
主要看油缸的工作情况,如果油缸是上下安装,不需要精确定位,不需要长时间保压,还是采用平衡阀较好一些,运行平稳。楼主右图的设计也没有问题,采用节流阀可以控制下降速度,但是随季节的变化,可能有时需要调节一下。总之看实际使用场合,如果油缸是水平使用,楼主要右图很好了,定位准,锁紧好。
发表回复
您需要登录后才可以回帖 登录 | 注册

本版积分规则


Licensed Copyright © 2016-2020 http://www.3dportal.cn/ All Rights Reserved 京 ICP备13008828号

小黑屋|手机版|Archiver|三维网 ( 京ICP备2023026364号-1 )

快速回复 返回顶部 返回列表