QQ登录

只需一步,快速开始

登录 | 注册 | 找回密码

三维网

 找回密码
 注册

QQ登录

只需一步,快速开始

展开

通知     

查看: 3037|回复: 18
收起左侧

[练习题] 『1001』简单实体建模,多多参与

[复制链接]
发表于 2009-6-14 17:12:58 | 显示全部楼层 |阅读模式 来自: 中国吉林长春

马上注册,结识高手,享用更多资源,轻松玩转三维网社区。

您需要 登录 才可以下载或查看,没有帐号?注册

x
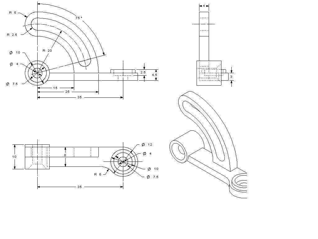
根据附图所示的尺寸作出物体的实体造型【3分】
: p, L9 m5 F( Z" m额外加分:
# ]- q: M8 S. R7 D
  • 出工程图(必要的视图+等轴测或斜轴测视图),仅标尺寸【3分】
% g6 L. m' w" F& S5 S0 Y
要求:详情请见【NX 练习题 管理规定, e- ?$ V7 T9 h9 V
    1.上传练习时,需要包涵Part文档和附图,附图内容包涵:①NX版本;②完整特征树;③练习文件抓图。; {6 Z" s; S9 z9 k! h2 a0 y
    2.针对符合做题要求跟帖练习情况,给予4~6三维币的奖励,可稍有突破此限制,做错的不予奖励。先参与的会员给予上限的加分奖励。思路不同的做法,请在回复标题中注明,仍按上限给予加分。
/ A* ]2 w1 D: C    3.发布时间超过15天(或超过版主规定的时间)的练习题,结束该练习题练习。此后所做的练习给予0~2三维币的加分(不是非常简单的都加2分)。

* Q( s5 G- k5 J$ j* V4 ? 未命名.JPG

评分

参与人数 1三维币 +6 收起 理由
astrokylin + 6 采纳!

查看全部评分

发表于 2009-6-14 18:49:44 | 显示全部楼层 来自: 中国广东广州
:) :handshake

评分

参与人数 1三维币 -20 收起 理由
astrokylin -20 灌水

查看全部评分

发表于 2009-6-14 19:50:54 | 显示全部楼层 来自: 中国福建福州
好经典谢谢

评分

参与人数 1三维币 -20 收起 理由
astrokylin -20 灌水!已明确告知练习题禁水。再灌,做禁言

查看全部评分

发表于 2009-6-14 22:13:47 | 显示全部楼层 来自: 中国山东青岛
版本4.0的。。希望有多多的这样的练习8 Q* E2 y  Z  D2 ]4 u2 B& x

, S5 J3 L2 e# g) x; o9 z( U[ 本帖最后由 wangping0211 于 2009-6-14 22:16 编辑 ]
jj.jpg

bbb-99.rar

76.95 KB, 下载次数: 15

评分

参与人数 1三维币 +2 收起 理由
astrokylin + 2 参与练习!注意抓图规范

查看全部评分

发表于 2009-6-14 23:30:40 | 显示全部楼层 来自: 中国北京
UG 6.0
& o+ _+ E4 M7 T3 M4 G" `* Y不会出图呢,去学习。
+ ?) V( ^- X2 O( K 未命名.JPG

jianmo.rar

81.93 KB, 下载次数: 9

评分

参与人数 1三维币 +3 收起 理由
astrokylin + 3 参与练习!

查看全部评分

发表于 2009-6-14 23:32:25 | 显示全部楼层 来自: 中国江苏无锡

交作业

呵呵
' W7 T- A4 W( v7 h: F1 a感觉还可以" _) t( y; o; A+ g! H6 p
对新手来说的哦1 a) Q/ f& ]9 Z; L( Z( L

) p. w* _, ?/ H) ^1 b[ 本帖最后由 kuiwu 于 2009-6-15 19:16 编辑 ]
4.jpg
44.jpg

lianxi1.rar

187.71 KB, 下载次数: 2

评分

参与人数 1三维币 +6 收起 理由
astrokylin + 6 三维图+工程图

查看全部评分

发表于 2009-6-15 06:48:12 | 显示全部楼层 来自: 中国浙江台州
nx2.0
& r( k) W4 L5 Q7 Q: y试着做了。" Q& h; q- m# \. [6 C5 s6 k% O& ^4 }

5 G" P8 ]5 |' j[ 本帖最后由 1t808 于 2009-6-15 06:50 编辑 ]
a22.JPG

a2.rar

50.37 KB, 下载次数: 5

评分

参与人数 1三维币 +3 收起 理由
astrokylin + 3 参与练习!

查看全部评分

发表于 2009-6-15 10:54:13 | 显示全部楼层 来自: 中国山西临汾
参与一下。NX4作的。
1001.jpg

1001.rar

70.19 KB, 下载次数: 8

评分

参与人数 1三维币 +3 收起 理由
astrokylin + 3 参与练习!

查看全部评分

发表于 2009-6-15 16:12:30 | 显示全部楼层 来自: 中国北京
UG 6.0# R- g) K  w3 |2 {
补上5楼工程图
  A, f, ]' f. z) d- l$ x8 s 未命名.JPG

jianmo.rar

139.06 KB, 下载次数: 4

评分

参与人数 1三维币 +3 收起 理由
astrokylin + 3 工程图

查看全部评分

发表于 2009-6-15 16:46:55 | 显示全部楼层 来自: 中国江苏常州

九楼的补一下啊,呵呵不好意思

11.jpg 22.jpg 图片1 J# `  |/ M2 I7 I  U# G

8 N4 Z/ U0 W& \[ 本帖最后由 WANGXIANGJUN 于 2009-6-16 08:38 编辑 ]

ZUOYE .rar

368.06 KB, 下载次数: 3

ZUOYE .rar

368.06 KB, 下载次数: 2

评分

参与人数 1三维币 +6 收起 理由
astrokylin + 6 三维图+工程图

查看全部评分

发表于 2009-6-15 19:20:39 | 显示全部楼层 来自: 中国浙江

NX6.0的

6.0的制图标注不好用
1001.jpg
1001-1.jpg

1001.rar

393.42 KB, 下载次数: 4

评分

参与人数 1三维币 +5 收起 理由
astrokylin + 5 参与练习!

查看全部评分

发表于 2009-6-15 20:12:26 | 显示全部楼层 来自: 中国浙江台州
做了一个, l+ ?6 b* c0 P- Z- y4 f
6。0, `. O% T4 H" |
+ H* d9 E" r$ B' Y
[ 本帖最后由 2L682 于 2009-6-15 20:15 编辑 ]
lx1.JPG
LX11.jpg

LX11.rar

124.45 KB, 下载次数: 6

评分

参与人数 1三维币 +6 收起 理由
astrokylin + 6 三维图+工程图

查看全部评分

发表于 2009-6-15 21:13:37 | 显示全部楼层 来自: 中国山东
UG4.0( @. Q' R+ o0 F- r8 c& p" u7 _
LIANXI.jpg ; ?5 s7 F$ T; G& p! T
LIANXI1.jpg , m- W8 ^) H8 _+ d
LIANXI GONGCHENGTU.jpg - n, C6 E$ V! b. r+ \" D7 J0 J
LIANXI.rar (55.33 KB, 下载次数: 2)

评分

参与人数 1三维币 +6 收起 理由
astrokylin + 6 三维图+工程图。

查看全部评分

发表于 2009-6-15 21:41:08 | 显示全部楼层 来自: 中国上海
我做的,麻烦LZ 看看,顺便鼓励一下!
. ^+ _* _, y' D0 N0 C1 S, r) d 15.jpg . X% Z* k3 P# U" Y% l+ e/ G" T
16.jpg # r8 {5 G6 W" \# P
. l* e! K6 U- Q- U, ~7 W
[ 本帖最后由 astrokylin 于 2009-6-17 14:05 编辑 ]

lianxi2.rar

232.3 KB, 下载次数: 5

评分

参与人数 1三维币 +6 收起 理由
astrokylin + 6 参与练习

查看全部评分

发表于 2009-6-15 22:09:42 | 显示全部楼层 来自: 中国湖北

交练习了

交练习了 看看合格吗?
9 F6 J( i6 ]6 W% P% U3 \& ?9 F" e5 r8 ~' N2 {
[ 本帖最后由 astrokylin 于 2009-6-17 13:58 编辑 ]
3weilianxi.jpg
3wei.jpg

3weilianxi.rar

220.5 KB, 下载次数: 2

评分

参与人数 1三维币 +5 收起 理由
astrokylin + 5 插图无特征树

查看全部评分

发表于 2009-6-16 10:05:18 | 显示全部楼层 来自: 中国江苏苏州

UG5.0

贵在参与了!7 P0 P  M+ P4 F  |

6 T/ Z* b; i2 f1 W6 l8 v[ 本帖最后由 astrokylin 于 2009-6-16 11:09 编辑 ]
2.gif
1.gif

6.16-2.rar

523.26 KB, 下载次数: 0

评分

参与人数 1三维币 +6 收起 理由
astrokylin + 6 三维图+工程图

查看全部评分

发表于 2009-6-16 21:57:59 | 显示全部楼层 来自: 中国重庆
12.JPG 123.JPG

1.rar

50.21 KB, 下载次数: 4

评分

参与人数 1三维币 +3 收起 理由
astrokylin + 3 三维图

查看全部评分

发表于 2009-6-17 00:23:16 | 显示全部楼层 来自: 中国台湾
練習一個 ,支持練習作題!只是非常不熟悉操作模式及特徵,土法煉鋼!
2009-6-16 下午 11-55-20.png
2009-6-17 上午 12-19-23.png

model000.rar

124.06 KB, 下载次数: 2

评分

参与人数 1三维币 +6 收起 理由
astrokylin + 6 UG用的也不错啊:)

查看全部评分

发表于 2009-7-2 15:53:14 | 显示全部楼层 来自: 中国广东阳江
我也做一个,4.0的
1.JPG

41.rar

65.82 KB, 下载次数: 2

评分

参与人数 1三维币 +2 收起 理由
astrokylin + 2 练习

查看全部评分

发表回复
您需要登录后才可以回帖 登录 | 注册

本版积分规则


Licensed Copyright © 2016-2020 http://www.3dportal.cn/ All Rights Reserved 京 ICP备13008828号

小黑屋|手机版|Archiver|三维网 ( 京ICP备2023026364号-1 )

快速回复 返回顶部 返回列表