QQ登录

只需一步,快速开始

登录 | 注册 | 找回密码

三维网

 找回密码
 注册

QQ登录

只需一步,快速开始

展开

通知     

查看: 4820|回复: 25
收起左侧

[求助] 打印时有多余的线的原因

[复制链接]
发表于 2009-6-2 15:46:23 | 显示全部楼层 |阅读模式 来自: 中国黑龙江哈尔滨

马上注册,结识高手,享用更多资源,轻松玩转三维网社区。

您需要 登录 才可以下载或查看,没有帐号?注册

x
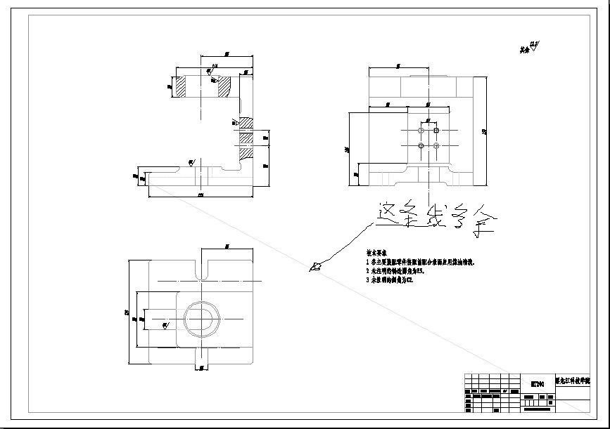
打印时有多余的线,但在模型中无该线,且无隐藏线层,在布局中也无此线,但是在打印预览时有该线,打印后也有。请问这是什么原因,如何去掉该线?
模型.JPG
布局.JPG
打印时.JPG
 楼主| 发表于 2009-6-2 16:04:14 | 显示全部楼层 来自: 中国黑龙江哈尔滨
怕大家看不清,说明一下
打印时a.JPG
发表于 2009-6-2 16:07:24 | 显示全部楼层 来自: 中国江苏常州
哪儿有多余的线,没看明白
( _9 g1 w( G- o5 V1 j  ∧ ∧︵" `! ?/ q9 [1 K( l! L
ミ-_-ミ灬)~
发表于 2009-6-2 16:14:01 | 显示全部楼层 来自: 中国浙江宁波
我怎么感觉像是你打印机问题是的  要是这线真存在就在它大致位置从右往左框选试下,能选中就能删除
发表于 2009-6-2 16:17:59 | 显示全部楼层 来自: 中国江苏南通
纸也有可能有问题
发表于 2009-6-2 17:09:59 | 显示全部楼层 来自: 中国上海
单单看几幅图片是找不到原因的,楼主可把DWG原文件传上来大家看看。
头像被屏蔽
发表于 2009-6-2 17:14:51 | 显示全部楼层 来自: 中国北京
提示: 作者被禁止或删除 内容自动屏蔽
发表于 2009-6-2 18:08:40 | 显示全部楼层 来自: 中国安徽滁州
是否,还是存在隐藏的图层,否则应可以选中删除。
发表于 2009-6-2 18:50:12 | 显示全部楼层 来自: 中国江苏常州
我很久不在布局里面打图了
8 e8 i9 s6 G7 F, j我现在都是在模型里面打图的( q# m2 D0 e. @0 i# ]: [3 `
  ∧ ∧︵# @2 a  i& w8 i
ミ-_-ミ灬)~
发表于 2009-6-3 09:04:51 | 显示全部楼层 来自: 中国
很奇怪的一个问题。呵呵。没遇到过。
发表于 2009-6-3 12:22:00 | 显示全部楼层 来自: 中国北京
没有遇到了,不知是什么问题!
发表于 2009-6-3 12:25:45 | 显示全部楼层 来自: 中国广东东莞
可能是二次开发软件的问题
发表于 2009-6-3 12:35:06 | 显示全部楼层 来自: 中国上海
线型设置也会影响
发表于 2009-6-3 13:03:49 | 显示全部楼层 来自: 中国浙江温州
打印设置也有可能没搞好
发表于 2009-6-3 16:38:46 | 显示全部楼层 来自: 中国浙江宁波
晕,应该打印机问题
发表于 2009-6-4 08:18:26 | 显示全部楼层 来自: 中国江苏无锡
这问题我碰到过几次,将图形复制到新文件中就可以解决了。
发表于 2009-6-4 16:22:36 | 显示全部楼层 来自: 中国广东佛山
没见过这中情况......
发表于 2009-6-4 17:34:08 | 显示全部楼层 来自: 中国辽宁本溪
应该是有隐藏的图层你没注意将其删除
发表于 2009-6-4 18:05:01 | 显示全部楼层 来自: 中国甘肃兰州
应该是打印机的问题
发表于 2009-6-5 11:42:16 | 显示全部楼层 来自: 中国广东惠州
楼主应该是部局设置有问题
发表于 2009-6-5 14:20:17 | 显示全部楼层 来自: 中国河南安阳
你可以再打印另外一张图纸,如果这条线出在同样的位置,就是打印机的问题,如果没有出现说明是图纸的问题,还请楼主上传图纸源文件。
发表于 2009-6-5 14:33:55 | 显示全部楼层 来自: 中国辽宁鞍山
打印时是否添加了水印???
发表于 2009-6-6 07:46:49 | 显示全部楼层 来自: 中国江苏无锡
我也在PCCAD里遇上过同样的问题,只要在图中插入标准图库里的标准件后,就会多出一条线,从标准件的插入点连到图形的最右下角,插入几个标准件就会有几条线,很麻烦。。。到现在也不知道什么原因
发表于 2009-6-6 10:03:58 | 显示全部楼层 来自: 中国山东烟台
大家谈了半天都是凭空胡想,LZ应该把出问题的图上传上来,也实际打印一下,再去处理问题
发表于 2009-6-6 10:52:55 | 显示全部楼层 来自: 中国浙江宁波
我也碰到过LZ发生的问题,可就是解决不了.
发表回复
您需要登录后才可以回帖 登录 | 注册

本版积分规则


Licensed Copyright © 2016-2020 http://www.3dportal.cn/ All Rights Reserved 京 ICP备13008828号

小黑屋|手机版|Archiver|三维网 ( 京ICP备2023026364号-1 )

快速回复 返回顶部 返回列表