QQ登录

只需一步,快速开始

登录 | 注册 | 找回密码

三维网

 找回密码
 注册

QQ登录

只需一步,快速开始

展开

通知     

全站
7天前
查看: 5375|回复: 10
收起左侧

[已解决] 机械加工定位、夹紧符号

[复制链接]
发表于 2009-5-21 16:25:22 | 显示全部楼层 |阅读模式 来自: 中国江苏徐州

马上注册,结识高手,享用更多资源,轻松玩转三维网社区。

您需要 登录 才可以下载或查看,没有帐号?注册

x
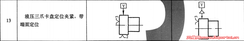
机械加工定位符号旁边的2、3、4是什么意思,还有如何读董定位夹紧符号标注示意图,JB/T5061-2006的附录我看了半天也没明白,能给介绍本书更好
& r) ?$ \' H/ C: v  c- @1 A$ _3 Y: b6 s
[ 本帖最后由 xl.zhuo 于 2009-5-24 21:19 编辑 ]
1.JPG
发表于 2009-5-21 16:50:56 | 显示全部楼层 来自: 中国四川成都
2.3为顶,4是压紧, 1 v" f, q! h6 U5 }" l; d* a% l7 {
机械加工工艺手册,,里边讲的比较详细
 楼主| 发表于 2009-5-21 17:15:09 | 显示全部楼层 来自: 中国江苏徐州
机械工业出版社的3卷本机械加工工艺手册里我找不到详细说明啊
发表于 2009-5-21 23:35:21 | 显示全部楼层 来自: 中国四川成都
不是吧,, 哪本工艺手册都有介绍的,,仔细看看!!!
发表于 2009-5-21 23:42:47 | 显示全部楼层 来自: LAN

回复 1# congcong 的帖子

图中2.3为定位符号,4是压紧符号!这些都是工艺学中基础的知识!上楼说得没错!楼主,是得静下心来好好看看机械加工工艺手册了!

评分

参与人数 1三维币 +1 收起 理由
xl.zhuo + 1 应助

查看全部评分

发表于 2009-5-22 11:23:11 | 显示全部楼层 来自: 中国上海
机械制造工艺及专用夹具设计指导有详细说明。
1.JPG

评分

参与人数 1三维币 +2 收起 理由
xl.zhuo + 2 应助

查看全部评分

发表于 2009-5-22 11:25:07 | 显示全部楼层 来自: 中国上海
定位符号边的数字是该定位限制的自由度的数目。
( F' p% k# X, y4 H0 c: i0 d! ?& KJB/T 5061-2006《机械加工定位、夹紧符号》的5.1.7中说定位符号右边的数字是“定位点”数,“定位点”的概念在这里没有明确解释,对照附录A中的各个示意图,应该就是限制的自由度的数目。在一本老的《机械加工工艺手册》(北京出版社,1990年12月)中有提到定位符号上的数字表示限制的自由度数目。4 b4 {& q* M5 |% G, x/ I

5 U2 I4 b0 B* u5 o5 ~# [1 Z9 l5 e翻了好多本工艺手册了,对于这个问题,只有上述这本书中有附注解释了一下,其他书中要么和JB/T5061一样的说法,要么忽略不提。
  ~7 ~& [9 r$ \7 d7 z
' Z! A# I- k/ V楼主看书很仔细,很会思考,表扬一下 :lol:" z- m$ h, g/ f( N- Y- }* J; F
) S( F- o& C2 p' I7 f5 f
[ 本帖最后由 lhf999 于 2009-5-22 11:44 编辑 ]
 楼主| 发表于 2009-5-23 07:57:59 | 显示全部楼层 来自: 中国江苏徐州
感谢楼上的兄弟,我找到《机械加工工艺手册》(北京出版社),现在明白了
发表于 2009-9-23 08:17:07 | 显示全部楼层 来自: 中国浙江嘉兴
感谢6楼提供的资料贴图
发表于 2009-9-23 08:17:41 | 显示全部楼层 来自: 中国浙江嘉兴
我正需要这份资料,下载使用,谢谢
发表于 2014-10-28 16:24:56 | 显示全部楼层 来自: 中国山东济宁
本帖最后由 poplar19 于 2014-10-28 16:27 编辑
/ e: X0 b2 y+ a/ l$ c0 K: q) k! W5 _6 |3 w8 m+ g' P$ Y
翻出这个老早的帖子了,自己学习太慢了!今天对定位符号旁的数字感到很疑惑,还是7楼说的对,只是JB/T 5061-2006中介绍的太简单了,至于2楼和5楼说的“2.3为顶,4是压紧”,那下图这个2也是“顶”?3 n2 g2 Y/ g/ {
360软件小助手截图20141028161835.png
发表回复
您需要登录后才可以回帖 登录 | 注册

本版积分规则


Licensed Copyright © 2016-2020 http://www.3dportal.cn/ All Rights Reserved 京 ICP备13008828号

小黑屋|手机版|Archiver|三维网 ( 京ICP备2023026364号-1 )

快速回复 返回顶部 返回列表