QQ登录

只需一步,快速开始

登录 | 注册 | 找回密码

三维网

 找回密码
 注册

QQ登录

只需一步,快速开始

展开

通知     

全站
9天前
查看: 1734|回复: 7
收起左侧

[已解决] 请教一个小问题?

 关闭 [复制链接]
发表于 2009-5-19 15:07:46 | 显示全部楼层 |阅读模式 来自: 中国重庆

马上注册,结识高手,享用更多资源,轻松玩转三维网社区。

您需要 登录 才可以下载或查看,没有帐号?注册

x
我向大师们请教一个不是问题的问题?请大师们不吝指教!
4 Y1 x7 V# B' l, U2 q如图所示:
$ b+ K# ]. j+ I6 S9 l; Q* _红线框内的数字是什么意思?我是从电路图书上看到的,书上都没有说明,我想应该是一个不值得一提的小问题吧,可我愣是没看懂。
7 i0 ]/ f  G2 H. M2 S  ?2 P0 x% ^$ ]% c" \
[ 本帖最后由 无友 于 2009-5-22 12:01 编辑 ]
电路.png
发表于 2009-5-20 12:33:46 | 显示全部楼层 来自: 中国黑龙江哈尔滨
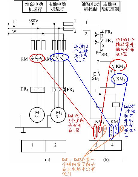
所示电路图用的是图区编号法。把电路图按纵向分区,然后,自左向右依次用数字对图区编号。
3 P1 N8 u$ G0 j; a, L7 {% r* [# ~为了人们读、识图时,方便查找各接触器/继电器触头的分布,在电路图中多使用以下方式进行标注。# p/ x- L0 v. s7 @* o
8 {3 D8 V; C, O. R2 d0 E8 M7 C4 F
接触器:$ r* H1 F  y" o2 T, J1 S* Q0 w
在接触器线圈的文字符号KM下方用两条竖线划出三个栏,左栏、中栏和右栏。
: ?; T: X7 t" I  A- m( f' j左栏示出各主触头所在图区;中栏示出各辅助常开触头所在图区;右栏示出辅助常闭触头所在图区。如果有触头在本电路中没有使用,可用×或空白表示。, \" L4 o3 i0 R

7 i3 v- `& `5 W继电器:
2 g" f3 @* x7 O* P因为继电器不存在主、辅触头之分,所以仅有一条竖线划出二个栏,左栏和右栏。
- D  {3 x6 M1 M: D左栏示出各常开触头所在图区;右栏示出各常闭触头所在图区。如果有触头在本电路中没有使用,可用×或空白表示。
0 K- n( ]: P$ T$ i8 g0 J& ^  _  y  C$ U; `) v' q1 R$ h2 ?$ {- f
复制 LZ 给出图的一部分,并添加了相应的说明,以供参考。; ^2 R8 I: T4 B8 a% k2 D
! Q6 k; j0 z5 w4 X( A
[ 本帖最后由 pangpang 于 2009-5-20 13:18 编辑 ]
图.JPG
发表于 2009-5-20 12:52:45 | 显示全部楼层 来自: 中国黑龙江哈尔滨
竖线左侧的一般是常开点,右侧的是常闭点
发表于 2009-5-20 16:26:46 | 显示全部楼层 来自: 中国湖北武汉
二楼的非常精彩!简单、明了!学习了。
发表于 2009-5-20 17:08:20 | 显示全部楼层 来自: 中国广东广州
就是常开或常毕开关。
发表于 2009-5-21 00:13:32 | 显示全部楼层 来自: 中国浙江宁波
二楼回答的很对呢 这种标法我在国外的图纸上也看到过
 楼主| 发表于 2009-5-22 01:55:12 | 显示全部楼层 来自: 中国重庆
感谢楼上各位大师的热情跟贴指教。" T" X% N, F- d. g8 x
特别感谢2楼大师费心的说明,很详细明了。
+ m) c# i5 R: c如蒙不弃,很想与PangPang大师交个朋,手上正有一个案子,趁机向大师学习学习。  V- v: x; \5 j5 [, S
我的邮箱是437125767@QQ.com2 V) k# P! q) \6 S
* ?% W$ K) @* L1 D+ u
[ 本帖最后由 无友 于 2009-5-22 11:23 编辑 ]
发表于 2009-5-22 11:58:12 | 显示全部楼层 来自: 中国福建厦门
二楼的确解释得很清楚了
发表回复
您需要登录后才可以回帖 登录 | 注册

本版积分规则


Licensed Copyright © 2016-2020 http://www.3dportal.cn/ All Rights Reserved 京 ICP备13008828号

小黑屋|手机版|Archiver|三维网 ( 京ICP备2023026364号-1 )

快速回复 返回顶部 返回列表