QQ登录

只需一步,快速开始

登录 | 注册 | 找回密码

三维网

 找回密码
 注册

QQ登录

只需一步,快速开始

展开

通知     

查看: 2024|回复: 9
收起左侧

[求助] 请问这个圆的投影怎么画?急!

[复制链接]
发表于 2009-5-17 17:19:56 | 显示全部楼层 |阅读模式 来自: 中国湖南

马上注册,结识高手,享用更多资源,轻松玩转三维网社区。

您需要 登录 才可以下载或查看,没有帐号?注册

x
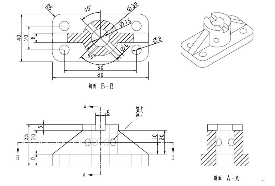
请问这个圆的投影怎么画?急!主视图投影到俯视图的圆是不规整的,该怎么画
008.JPG
发表于 2009-5-17 17:59:17 | 显示全部楼层 来自: 中国上海
近似的画法可找四个特征点灾用两个半椭圆弧表示,要比较准确的画就先做三维模型再转2D图,或按照机械制图里的办法多找几个点,再用样条曲线连起来。

评分

参与人数 1三维币 +5 收起 理由
唐昕晨 + 5 讨论

查看全部评分

发表于 2009-5-17 19:58:23 | 显示全部楼层 来自: 中国山东济宁
同意二楼的意见,不过一般没必要画得这么精确,能让人明白是一个类似椭圆的形状就可以了
发表于 2009-5-17 20:41:13 | 显示全部楼层 来自: 中国广东汕头
标注尺寸时不要出错就行。可用近似画法
发表于 2009-6-3 09:08:04 | 显示全部楼层 来自: 中国广东东莞
找到四个特征点,就是椭圆的长短轴,画椭圆就行了。非椭圆弧。
发表于 2009-6-3 12:25:08 | 显示全部楼层 来自: 中国北京
我也不会画这个呀?
发表于 2009-6-3 13:32:21 | 显示全部楼层 来自: 中国广东广州
高深,真是
发表于 2009-6-3 16:37:19 | 显示全部楼层 来自: 中国浙江宁波
一般都采用近似画法,没必要去精确画
发表于 2009-6-3 18:03:14 | 显示全部楼层 来自: 中国湖北武汉
画个差不多就行了,画的再准也没什么用
发表于 2009-6-3 21:44:08 | 显示全部楼层 来自: 中国江苏徐州

还是用PROE吧

其实,大家最好用三维转二维
发表回复
您需要登录后才可以回帖 登录 | 注册

本版积分规则


Licensed Copyright © 2016-2020 http://www.3dportal.cn/ All Rights Reserved 京 ICP备13008828号

小黑屋|手机版|Archiver|三维网 ( 京ICP备2023026364号-1 )

快速回复 返回顶部 返回列表